EasyManua.ls Logo

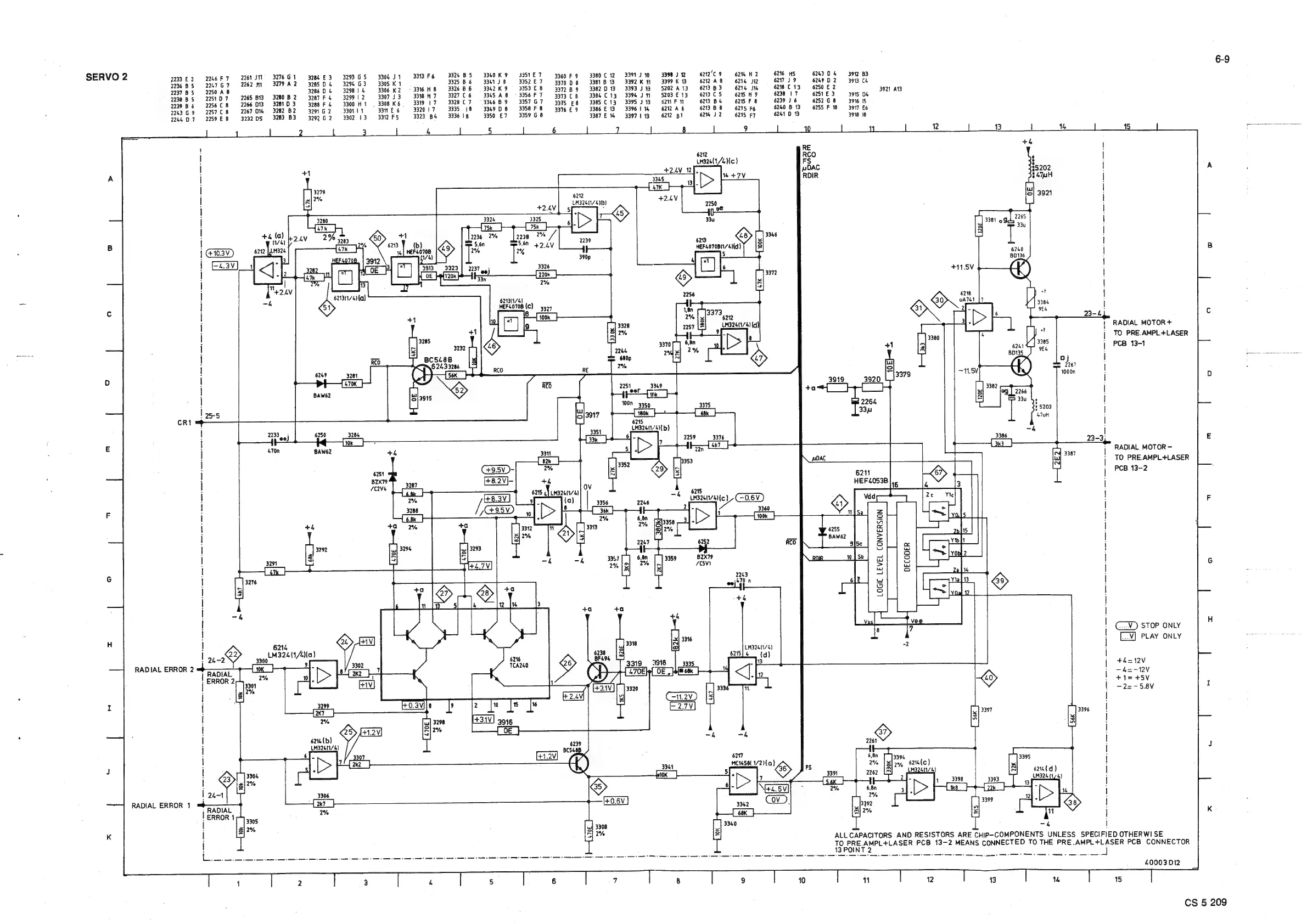
Philips CD304 MK II - Servo System II

Philips CD304 MK II
60 pages
Print Icon
To Next Page IconTo Next Page
To Next Page IconTo Next Page
To Previous Page IconTo Previous Page
To Previous Page IconTo Previous Page
Loading...
SERVO
2
723362
246
F
7
-2261
3276
G1
378K
ES
3293S
330K
J
1
NT
FE
5H
BS
BOK
F
—SSTET
5300
F 9
3380
C12
3391
1
3398
621209
«62H
H2
«6216
HSS
24D
&
3912
BB
2236
BS
224767
2262
mi
3279
A2
3285
D4
3294
G3
3305
K
1
3325B6
334138
3352E7
337908
33818
13
3392K
1
«(3399K
13
6212
AB
BAK
Ji2
6217.3
9
624902
3913
Ch
2237B5
2250A8
3206
D
4
329814
«3306
K2
«0
33%G
HB
«=
3326
BH
«=
3342
K
9
=
33SH
EB
43372
B
9
—«433BZ
13
«3393.
J
13
5202
A13
6213.
BI
214
IG
6218
C13
©6250
E
2
3
rome
Bs
225107
©2265
BIE.
SZAOB2
43787
FL
329912
«3307
J
3
SHB
HT
39327
CG
-3BKS
AB
3356
F
7
3373.
@
338K
13
3394
J
20H
EIR
62
CS
GAH
638.17
©
62S1E3
3915
04
2239B
6
«2256
C8
«2266
DIB.
328103
=
3288
F
4
«=
3300
H
1
=
3308
KG
=
3319:1'7
3328C
7
«=.
3346
B
9
«63357
G7
=—43375
ge
403385
C13
3395
J
13)
62
6213
B4
6215
F
8
6239
J
6
6252
G8
«3916
15
o7n3
G9)
22ST
CB
2267
OG
«3282
B2
43791
G72
33011
1
«BB
6
©
«332017
«3335
18
«3349
DB
BSB
FS
3376
E
9
©
—«S3BGE
13
3396116
G2TZ
AH
=
GIF
BB
6215
FG
6240
B
136255
F
10-3917
6
22hh
07-2259
E
8
«3232S
«—«3283.
BI
«3292G
2
3302:
3
«HH
FS
«3323
BS
«3336.18
=
3350
7
=
3359
GB
3387
£
14
33971136212
Bt
62%
32
6215
FT
6241
13
3918
18
4
5
6
8
9
'
12
B
|
1h
5
poo
6212
ie
+
:
Lm326(1/4)(c)
FS
|
A
:
+2.4V_12
OAC
|
A
;
|
j3e5
%+7V
RDIR
|
|
47K
13
!
i
|
6212
;
|
LM324(1/
41D)
ee
7250
|
|
.
poe
|
|
33u
|
!
!
+4
(a
|
(74)
ps
3366
|
j
6212
|,LM32%
HEF4O70BI1/4IId)
|
i
A
5
i
B
|
a
|
|
3372
|
|
=
|
j
62131174)
ns
|
c
|
HEF4O70B
|
|
1,6n
|
Z
2%
23-4
c
l
ae
2287
|
RADIAL
MOTOR
+
3285
aN
Sree
|
j
TO
PRE.AMPL+LASER
zhb
rie]
2%
+1
;
PCB
13-1
!
BC548B
sq
F
|
Basel
Aaa
acl
62433206
E
V’)
"hs
|
—11.5V
By
1000n
:
3919
3920
L
13378
i
D
!
a#{_
ryt
_]
E
og}
i268
|
Ge
2264
33u
bs
|
!
33m
$5203
|
CR1
Lek]
7H
|
|
n
!
;
-
|
i
2259
3376 3386
23-3;
E
!
[3x3]
=
igs
MDAC
g
j
TO
PRE.AMPL+LASER
<29
g
6211
>
e
PCB
13-2
|
HEF40538
|
4
(82s
}
aie
LM324(1/4)(c)
|
F
!
2
oo:
|
;
3360
|
:
6,8n
|
i
™”%
|S
:
|
2247
|
|
6,8n
3359
B2X79
|
2%
7C5V1
|
G
|
2
a
ret
ae
|
|
1
|
4
12_|%6
3
a
|
|
-4
+a
+a
:
|
STOP
ONLY
|
6214
ey
HAV]
a”
|
3346
PLAY
ONLY
4
=
eo)
LM324(174)
|
a,
wees
ue
a
ton
aol
facie
S215}
4
{el
|
RADIAL
ERROR
2
[rox]
26)
:
3335
|
#h=t2V
RADIAL
¢:
470E}p{
OE
.
Jom
68k
|
;
|
|
ERROR
2
ES
2
joceee
ely
|
i
40
|
+42
45V
;
|
3336
Yt
|
-2=-5.8V
:
i.
roa
=z)
|s
|
|
|
%
j
|
i
|
62t6(b)
-4
74
j
LM326(1/6)
|
|
7
6217
|
J
u
K)
3341
MC1458(.1/2)(a)
7
ae
ss
|
A
ue
ok
|
5
iS
:
<>
6214(d)
|
/
!
|
24-1
%
Ta]
|
j
|
RADIAL
ERROR
1
=O
[
2k?
|
%
'
ERROR
17-4)
5556
|
K
2%
3308
i
5]
2%
l
=
ALL
CAPACITORS
AND
RESISTORS
ARE
CHIP-COMPONENTS
UNLESS
SPECIFIED
OTHERWISE
|
10
Cre
AMCUA
EASE
PCB
13-2
MEANS
CONNECTED
TO
THE
PRE.AMPL+LASER
PCB
CONNECTOR
eo
Mes
he
ety
en
ay
ae
ee
a
es
eh
re
ici
Shes
arte
ee
eae
ae
ea
aera
pe
See
NOU
ee
ey
ee
poe
pe
aa
atest
DA
SORs
Stk
taal
40003
D12
8
9
10
11
12
13
14
15
CS
5
209

Related product manuals