EasyManua.ls Logo

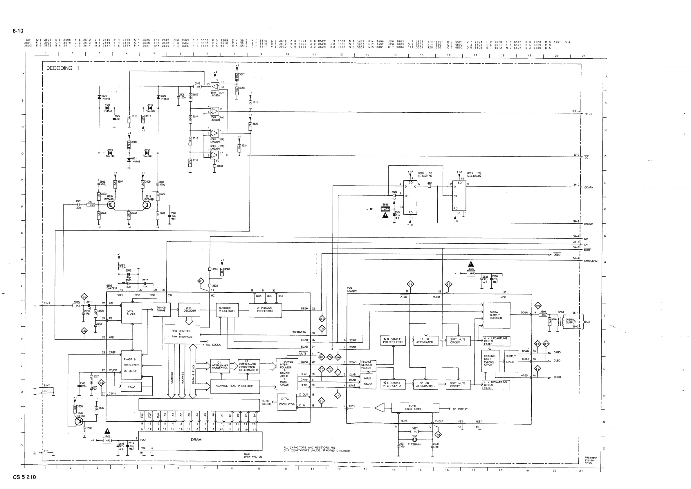
Philips CD304 MK II - Decoding Circuit I

Philips CD304 MK II
60 pages
Print Icon
To Next Page IconTo Next Page
To Next Page IconTo Next Page
To Previous Page IconTo Previous Page
To Previous Page IconTo Previous Page
Loading...
6-10
1601
O15
2503
2501
F
2
2504
2502
3
2505
te
35-3
1
!
t
1
435-2
:
35-1
i
t
1
I
iP
ae
CS
5
210
oe
a
eee
F
6
2512
J
3
2515
H4
2518
O4
2525
117
2528
O16
3503
E€
3
3506
F 5
3509
D4
3512
AZ
3515
C7
3518
AB
3521
D8
3527
L
3
3530
M2
3535
Fi4
3596
J20
3802
|
7
3805
€15-6501
B7
6501
D7
6504
112
6510
F
3
6525
8
3
6528
BS5
6531
D4
J
3
2513
M2
2516
|!
4
2519
O
4
2526
118
3501
F
3
3504
E
5
3507
E
4
3510
C4
3513
B87
3516
07
3519
B9
3525
J
2
3528
H8
3531
N3
3536
H17
3597
J20
3803
D8
5501
H
4
6501
C7
6502
|
3
6505
E15
6511
F
5
6526
B5
6529
D3
J
3
2514
M3
2517
1
5
2524
F14
2527
O14
3502
F
4
3505
F
3
3508
E
5
3511
C5
3514
C7
3517
AB
3520
C9
3526
J
3
3529
03
3532
N3
3537
N15
3801
H
7
3804
€14
5504
J20
6501
C7
6503
09
6505
£17
6512
N
2
6527
B3
6530
D5
6
7
8 9
10
"1
12
13
14
15
16
17 18
19
20
a
ee
a
oe
ee
ee
+
2
6
8
ee
ee
6
ee
et
+1
+4
3517
5
344
3518
6501
(1/4)
41
1
LM339N
ce
|
33-5
+
|
aie
|
6501
(1/4)
LM339N
'
6501
(1/4)
3521
LM339N
33-3
CL)
3803
|
6505
(1/2)
+TA
6505
(1/2)
!
N74LS74AN
N74LS74AN
34-2
'
aa
'
33-4]
33-11
33-21
aes
'
1
[>
DEEM
'
+
34-41
5501
2.2pH
2515
J
525
|
2526
47p
=
(J
3802
17
2
3525
2511
ane
SUBCODE
Q_
CHANNEL
2510
3526
PROCESSOR
PROCESSOR
DIGITAL
§
OUTPUT
ENCODER
FIFO
CONTROL
&
RAM
INTERFACE
4
x
UPSAMPLING
DIGITAL
FILTER
DABD
J
15
t>
DABD
CHANNEL,
OUTPUT
ean
MULTI-
CLBD
J
16
CLED
PLEXER
STAGE
a
_—
eel
|
8
p>
wSBD
ct
Ce
INTERLEAVER
INTERLEAVER
——_:
CORRECTOR
ee
eee
ADAPTIVE
FLAG
PROCESSOR
DATA
&
FLAG
os
ar
@
/HOLD
&
fal
MUTE
4
x
UPSAMPLING
?.
CIRCUIT
DIGITAL
FILTER
2513
220n
>
of53
Pee
+1
a
cae
2
6512
BFS50
SS
+1
OSCILLAT!
X-TAL
OSCILLATOR
TO
CIRCUIT
eee
aa
»
4
cn
5
13
12
11
mA
2
3
1
17
3529
9
1
[—aA7]
vob
DRAM
i
518
[2519
Baer
11,2896MHz
2528
ary
e2n
Te
ALL
CAPACITORS
AND
RESISTORS
ARE
e
33p
of
|
maf
CHIP
COMPONENTS
UNLESS
SPACIFIED
OTHERWISE
18
1
6503
uPD41416C-20
21
HFLS
QDATA
QSYNC
MUTE
SWAB/SSM
PRS.01607
132-644
CD304
13
14
15
16
17
18
19
20
21

Related product manuals