EasyManua.ls Logo

Philips CD304 MK II - Page 55

Philips CD304 MK II
60 pages
Print Icon
To Next Page IconTo Next Page
To Next Page IconTo Next Page
To Previous Page IconTo Previous Page
To Previous Page IconTo Previous Page
Loading...
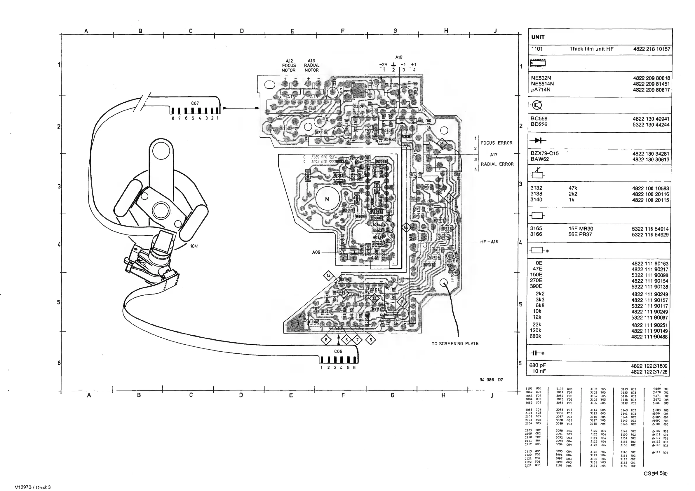
1101
Thick
film
unit
HF
4822
218
10157
NE532N
4822
209
80818
NES514N
4822
209
81451
uA7I4N
4822
209
80617
BC558
4822
130
40941
BD226
5322
130
44244
A12
A13
1
FOCUS
RADIAL
MOTOR
MOTOR
C07
7654321
8
2
2
M7
BZX79-C15.
4822
130
34281
3
BAW62
4822
130
30613
RADIAL
ERROR
3
3
4822
100
10583
3138
2k2
4822
100
20116
4822
100
20115
15E
MR30
5322
116
54914
56E
PR37
5322
116
54929
L
4822
111
90163
47E
4822
111
90217
150E
5322
111
90098
270E
4822
111
90154
390E
5322
111
90138
2k2
4822
111
90249
3k3
4822
111
90157
5
5
6k8
5322
11190117
10k
4822
11190249
12k
5322
111
90097
22k
4822
11190251
120k
4822
11190149
4822
11190488
TO
SCREENING
PLATE
6 6
4822
12231809
4822
12231728
34
986
D7
1101
G05
2133
G05
3102
FO5
3133
HO3
3169
G01
2082
G03
3081
FO4
3103
FOS
3135
HO3
3170
601
A
B
C
D
E
F
G
H
J
2083
FO4
3082
FO3
3104
FOS
3136
co2
3171
02
2084
G03
3083
FO3
3105
FOS
3138
R03
3172
605
2085
G04
3084
FO3
3106
G05
3139
FO2
6081
603
2086
G04
3085
FO4
3114
GOS
3140
£02
6083
F03
2101
FOS
3086
FO3
3115
G05
3141
£02
6084
G04
2102
FOS
3087
G03
3116
FOS
3144
G02
6085
G04
2103
FOS
3088
G03
3117
FO5
3145
G02
6092
F03
2104
E05
3089
FO3
3118
FOS
3146
G02
6101
605
2105
FO2
3090
FO4
3122
GOs
3149
602
6107
#03
2109
G02
3091
FO3
3123
HOS
3150
FO2
Gill
ol
2110
E02
3092
G03
3124
HOG
3152
C02
ll2
FOL
2111
HO4
3093
G04
3125
HO4 3155
FO2
S113
co1
2112
603
3094
cos
3127
HOS
3156
FO2
S116
HOS
2113
GOS
3095
co4
3128
HOS
3160
co2
S17
H04
2120
FO2
3096
Go4
3129
HO4
3161
FO2
2121
FO2
3097
£03
3130
HOS
3162
G02
2122
FOL
3099
G03
3131
HO3
3165
Ol
2124
GOS
3101
FOS
3132
HOS
3166
FOZ
CS
94
560
V13973
/
Druck
3

Related product manuals