EasyManua.ls Logo

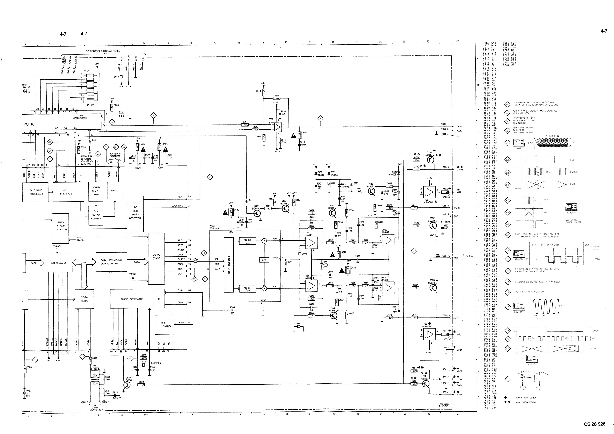
Philips CD604 - Circuit Diagrams; Decoder Circuit Signal Descriptions

Philips CD604
26 pages
Print Icon
To Next Page IconTo Next Page
To Next Page IconTo Next Page
To Previous Page IconTo Previous Page
To Previous Page IconTo Previous Page
Loading...

Related product manuals