EasyManua.ls Logo

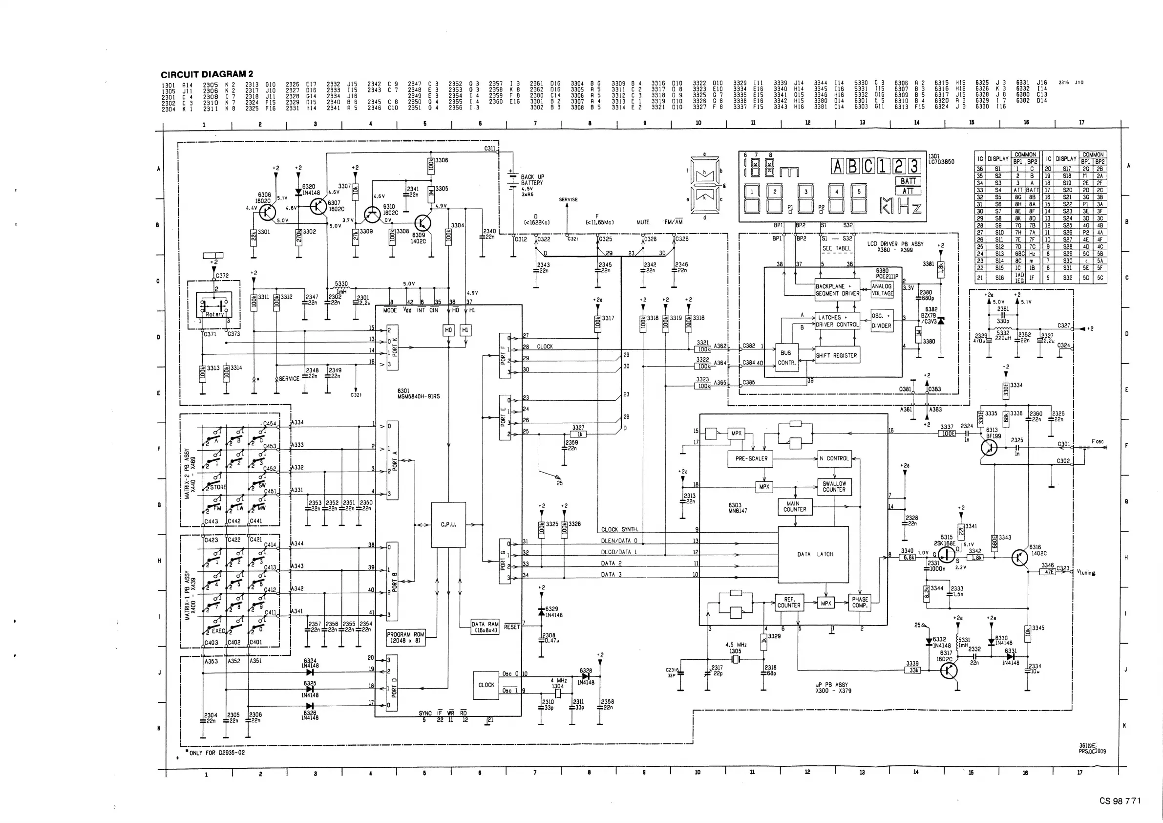
Philips D2935 - Circuit Diagram 2 - Advanced Circuits; CPU, Memory, and Peripheral Interfaces

Philips D2935
Print Icon
To Next Page IconTo Next Page
To Next Page IconTo Next Page
To Previous Page IconTo Previous Page
To Previous Page IconTo Previous Page
Loading...
CIRCUIT
DIAGRAM
2
1301
Al4
2305
K2
2313
GIO
2326
E17
2332
JIS
2342
C9
2347
C3
2352
G3
2357
13
2361
DI6
3304
BS
3309
B4
3316
DIO
3322
D10
3329
Il!
3339
yl4
3344
114
5330
C3
6306
A2
6315
HIS
6325
J
3
6331
JIG
2316
410
1305
J11
2308
K
2
2317
JlO
2327
D16
2333
I15
2343
C7
2348
£3
2353
G3
2358
K
8
2362
O16
3305
AS
3311
C2
3317
08
3323
E10
3334
E16
3340
HI4
3345
[16
5331
15
6307
B3
6316
HI6
6326
K
3
6332
I14
9301
C4
2308
I
7
2318
Jil
2328
Gl4
2334
JI6
5349
£3
2354
[4
2359
F
8
2380
C14
3306
AS
3312
C3
3318
09
3325
G7
3335
E15
3341
GIS
3346
HI6
5332
DI6
6309
8S
6317
JIS
6328
J8
6380
C13
5302
C3.
«2310
K
7
2324
FIS
2329
DIS
2340
BS
2345
C8
2350
G4
2355
I[.4
2360
E16
3301
B2
3307
A4
3313
E
1
3319
O10
3326
G8
3336
E16
3342
HIS
3380
Dl4
6301
ES
6310
B4
6320
A3
6329
17
6382
Dl4
5304
K
1
2311
K
8
2325
Fl6
2331
HI4
2341
AS
2346
ClO
2351
G4
2356
1.3
3302
B3
3308
BS
3314
£2
3321
DIO
3327
F
8
3337
F1S
3343
HIS
3381
C14
6303
Gll
6313
F1S5
6324
J3
6330
[16
1
2
3
4
6
8
7
8
Q
10
ul
12
13
4
5
16
17
CG
ae
ee
eg
ge
ge
Age
Neen
ge
a
een
ge
BS
Mes
wee
~
|
C3113
8
|
H
<7
1301
|
COMMON
|
|
1c
|
oispcay
Poo.
|
|
e
1
10703850
ic
|
pise
Lay
BPI
|
BP2|
IC
|
DISPLAY
;
a
fll
pat
lb
|
|
“==
Back
uP
hea
7
r35{
s2
[2]
8
|
2A
;
jae
BATTERY
NG
ae
eee
ee
:
7]
Sire
ra
if
fet
fol
Ped
pel
ATT
ast
se
farr
par
fur
{seo
a0
[ae
|
|
SERVISE
8
C
——}
——
———
vy
[32]
$5
|
8G
|
8B
|/
16
:
Luv
fp
;
[LdelteLILt
kiH
rai
[86
Pat
|e
|
[15]
s2e_[
Pl
[3a
|
|
Y—_N
|L_
pt
KITIZ
14
|
|
ceis2eKe)
f<1.65Mc)
=
MUTE.
Ss
F/M
reg
s8
|
ak
|
80
|
,
ss
304
"
[12
|
$25
|
4G
|
48
|
|
S
BONO
ee
ye
a
nn
an
4
cers
5
—-
a
OT
©
0312
C322
C321
325
(328
C326
1
BP1]
BP2
a
Sane
|
26
|
|
|
GOREN
PEASY
<7e8)
|
ls
ra
[sea
[40
[a
|
a
ae
D
EN
29
0971
30
a
24
fe
|
seo
|
56
|
58
|
+2
0343
2345
5340
2346
tf
38\
(37
3381
f23|
$14
|
8C
|
m
|
|
22n
22n
den
aden
|
|
Fe
S|
|
re
|
_
1
4.
f
7
:
ops]
|e
BACKPLANE
+
y
|
|
|
.
|
23311
[13312
301
a
oe
|
|
SEGMENT
DRIVER
2380
L
oT
;
|
a
is
22n
=e22n
583.
42_|e
135
[36__|37
*2a
t2
#242
|
|
P
i
|
|
i
i
I
MODE
Vdd
INT
CIN
|
|
|
oe
|
.
213317
213318
[13319
[}3316
1
|
LATCHES
+
2x
|
|
1G
|
|
DRIVER
CONTROL
eee
| |
a
a
a
=
8
e
|
a
a
ee
21
i
i:
p
|
ele
a
ics
28
CLOCK
|
|
|
a
or
pC
BUS
|
_
[SHIFT
REGISTER
i]
|
(333
es
2348
[2349
30
|
|
C381
0383
|
C321
Bi
23
|
[ete
es
eee
ee
a
el
E
L_._.__.__._._
oa
I
a
see
a
Fee
ix
ee)
leas
acres
ees
as
24
A361
A363
£
tl
sl
ba
26
454
|
)
ca
25
Sse!
So
15
16
"2
3337,
2324
;
ee
2359
7
n
|<g
a
|
|
|
PRE-SCALER
N
CONTROL
|
mp
x
C452
332
2
o
'
;
*ca
|
ee
O
O
|
i
7
|
|
x
eo
25
18
SWALLOW
=
2en
:
G
,
:
303
leg
a
has
:
;
'
|
|
MNG147
COUNTER
14
+2
|
3325
(2<]3326
ori
|
|
=
=
n
CLOCK
SYNTH.
g
|
ie
|
7
eae
|
|
C
31
DLEN/DATA
0
aa
ree
fal5
Di
a
|
-
wo
|
=
sl
ere:
DATA
LATCH
8
ear
of
KR
“@
|
,
|
=
Sd
a
ot
ST
RT”
ARNOT
eb
cad
Bo)
tl
ot]
ot
4
34
DATA
3
ae
:
|
Vtuning
|=3
os!
|2=
one
|
_hsae
+2
=
go
2333
r]
—!
e
eon
ize
tlt]
tt
1
bea
|
re
PHASE
|
=O
$
;
|
=~
Fan]
sat
41
ere
a.
is
cana
|
7
=
|
+2a
+2a
|
|
-
|
|
PROGRAM
ROM
;
ee
5
st
5)9348
|
2308
S
!
|
(2048
x
8)
=m
0.47
u
ag
AAe°
6332
£5331
6330
|
Ge
4,5
MHz
1N4148
§ImH
IN4148
“2
|
1305
asin).
Se
6331
|
|
sai
U
aig
3339
“3
22n
IN4148
Joa,
|
|
Osc
0
[10
6328
eye
22p
68p
Kk)
==
10u
|
J
4
MH
1304,
|
1N4148
i
uP
PB
ASSY
|
|
|
X300
-
X379
|
2310
23
2358
|
a
ee
ase?
es
p
p
n
sem
evs
mmr
mS
mmm
&
cms
©
hse
0
mm
oS
es
©
Seo
es
es
Ss
esate
mee
rues
Sloman
Ss
ns
Sma
Semin
ws
Sse
eS
fee
“seta
cen
em
tamme
capes
|
2304
(2305
|2306
6326
SYNC_IF
WR
RD
a
|
|
22n
T
‘w
1N4148
5
li
12
i
|
:
|
K
a
ee
ete
NE
Ere
mee
gp
ee
eee
ge
ee,
Re
a
=
36119
ONLY
FOR
D2935-02
PRS.90009
1
2
3
4
oe
6
7
8
g
10
ul
12
13
4
er
16
v7
CS
98771

Other manuals for Philips D2935

Related product manuals