EasyManua.ls Logo

Philips DCM105 - Page 17

Philips DCM105
24 pages
Print Icon
To Next Page IconTo Next Page
To Next Page IconTo Next Page
To Previous Page IconTo Previous Page
To Previous Page IconTo Previous Page
Loading...
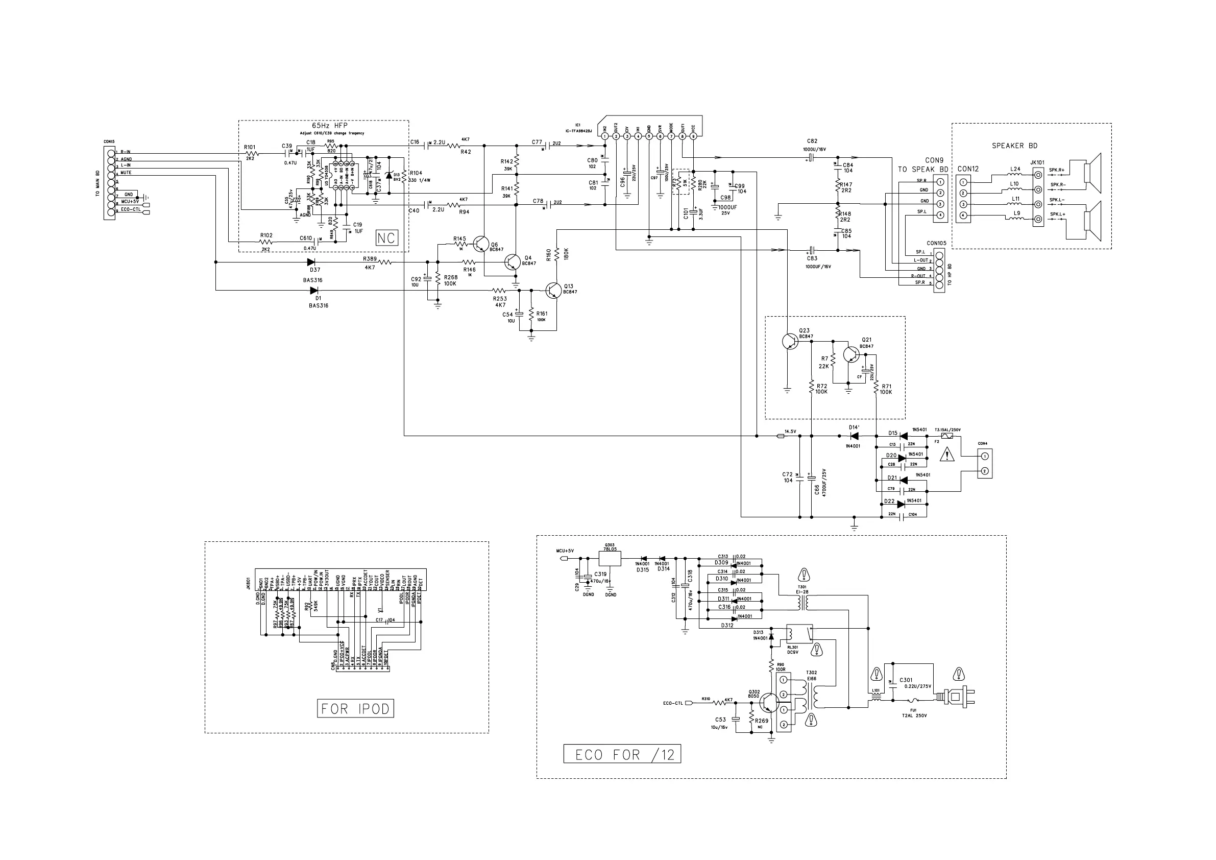
CIRCUIT DIAGRAM- POWER ECO/iPod DOCKING BOARD
8-1 8-1

Related product manuals