EasyManua.ls Logo

Philips DCM276 - Remote Control Overview

Philips DCM276
32 pages
Print Icon
To Next Page IconTo Next Page
To Next Page IconTo Next Page
To Previous Page IconTo Previous Page
To Previous Page IconTo Previous Page
Loading...
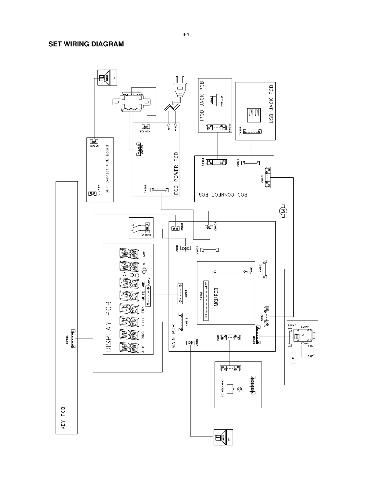
SET WIRING DIAGRAM
4-1
MCU PCB
MCU PCB
All manuals and user guides at all-guides.com