EasyManua.ls Logo

Philips FW-C577 - Page 50

Philips FW-C577
72 pages
Print Icon
To Next Page IconTo Next Page
To Next Page IconTo Next Page
To Previous Page IconTo Previous Page
To Previous Page IconTo Previous Page
Loading...
9-6 9-6
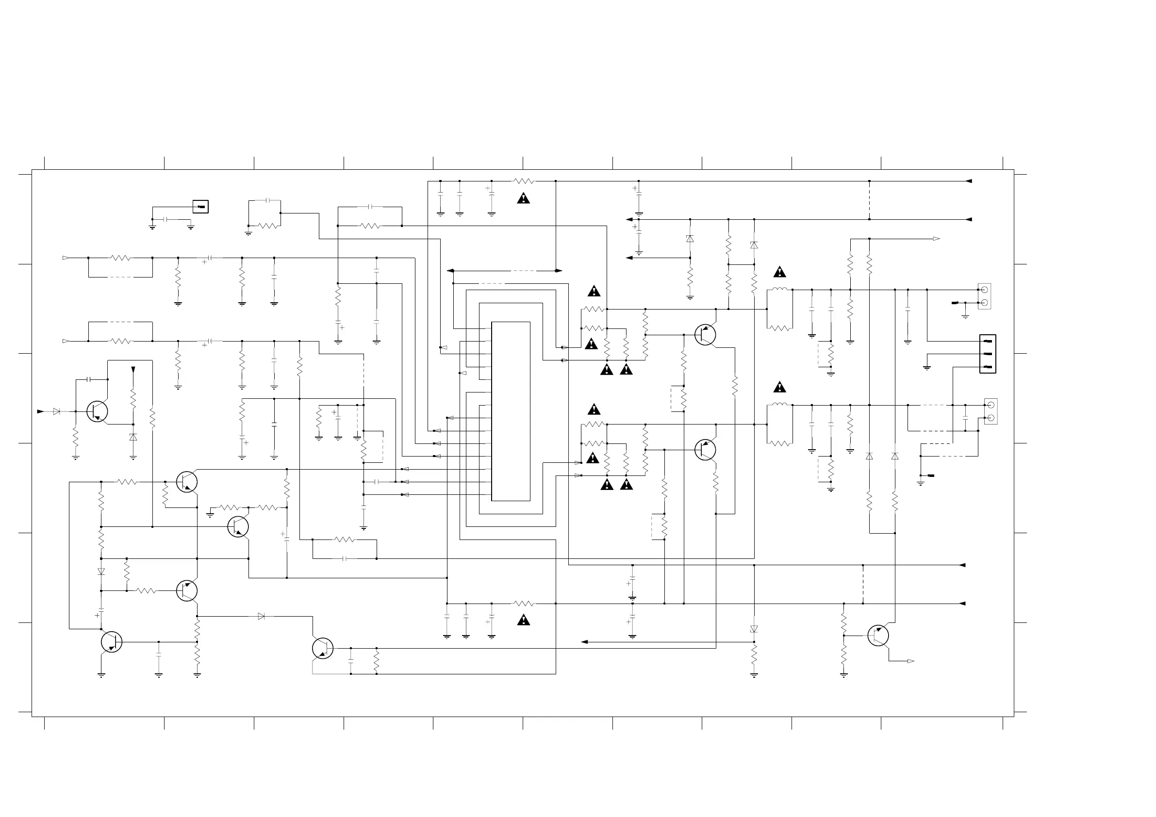
LEFT/RIGHT AMPLIFIER & SUPPLY BOARD - CIRCUIT DIAGRAM (PART 2)
&
&
&
BC546B
**
/100V
3456789 10
A
B
C
D
E
F
A
B
C
D
E
F
1321-A C10
1 234567
B
#
#
**
/63V
#
/50V
%
%
/100V
F
-
89 10
12
/100V
#
/100V
70W, 100W
A
/16V
To Matrix -Surr
1321-B B10
1322_B B10
1323_B D10
1330 B10
2320 C1
2321 E1
2322 F1
2323 E3
2324 B2
2325 A4
2328 B3
2329 B3
2330 B4
2331 B4
2332 B2
SPKR RIGHT
2333 C3
2334 C2
2335 D4
2336 D4
2339 E4
2340 A3
2341 A5
2342 A5
2343 E5
2344 E5
2345 F4
2350 A7
2352 A7
2353 E7
2355 E7
2360 B9
2361 B9
2362 B10
2363 C9
2364 C9
2365 C10
2370 E5
2371 A5
2372 C3
2390 A2
2391 C3
3320 C1
3321 C1
3322 C1
3323 D1
3324 D1
3325 D2
3326 D3
3327 D2
3328 D3
3329 E1
3330 E1
3331 E1
3332 F2
3333 F2
3334 A1
3335 B2
#
/50V
3336 B2
3337 B3
3338 B1
3339 C2
3341 C2
3342 A4
3343 E4
3344 A3
3345 A6
3346 E6
3347 F4
3348 B7
3349 F8
3350 B6
3351 B6
3352 B6
3353 B7
3354 B7
3355 B7
3356 C7
3357 C7
3358 C8
3359 C6
100K
3360 C6
3361 D6
3362 D7
3363 C7
3364 D7
3365 D7
3366 D7
3367 D8
3368 B8
3369 B8
3370 A8
3371 B8
3372 B9
3373 B9
3374 C8
3375 C9
3376 D9
3377 F9
3378 F9
3379 D9
3380 D10
3381 B9
3382 B9
3392 C3
3393 C3
3395 D4
3404 C2
5300 B8
5301 C8
6320 C1
3359
0R33
6321 C1
3378
47K
6322 E1
6323 E3
6324 F8
6330 D10
6331 D9
6332 A7
6360 A8
7320 C1
7321 D2
7322 D2
7323 E1
7324 F1
7325 F3
7327 B7
7328 C7
7329 F10
7330 B5
8240 A2
9320 B1
8240
9321 B1
9323 A9
9329 E9
9330 C4
9331 C4
9333 D4
9341 B5
9342 B9
9343 D9
9355 C7
9356 D7
9360 D10
9361 C10
9362 C10
9363 C10
9961 B5
gnd_pa
5301
gnd_pa
4R7
3374
3350
0R33
%
#
/1W
/50V
/50V
-
+
/1W
+
GND_AR
/50V
&
22uF/50V
**
**
**
**
**
**
/63V
110W
SPKR LEFT
STK412-030(110/135W)
CH1+RE
4
CH1-RE
5
CH1|IN
10
CH1|NF
11
CH2+RE
7
CH2-RE
6
CH2|IN
14
CH2|NF
13
PRE+
9
PRE-
8
SUB
31
VCC+
2
VCC-
/50V
2330
470p
47K
3358
7326
STK442-110(100W)
7330
BIAS
12
2334
22u
2362
100n
7321
BC546B
BC546B
22K
3332
100n
2345
3395
100R
2371
100n
100n
2364
3348
1K5
0R33
3353
9355
2350
100u
9360
1
2
3
GND_AL
3338
1K8
9356
gnd_pa
3321
100K
3377
4K7
7320
BC556B
0R33
3351
3K9
3334
2365
100n
1323_B
9363
56R
9333
BZX79-C3V3
6321
3392
470p
1K
3328
2335
3362
0R33
BZX79-B15
6324
680R
3341
9321
1K5
3349
56K
3404
3322
9361
7323
GND_AR
10K
2341
100n
100n
2370
22u
2329
336
47K
5
2u2
3357
1K5
2321
9961
3381
47K
1K
3379
1330
EH-B
1n
2372
15K
3368
7328
10u
2352
56K
3393
56K
3342
3335
1K2
22u
2344
BC547B
7329
2u2
2324
9330
9362
3337
680R
BZX79-B15
6332
gnd_pa
0R33
3352
2363
100n
2K2
3370
1322_B
3347
820R
220R
3326
2328
2n2
3375
10K
220p
2331
1N4148
6323
4R7
3371
3366
1K5
100n
2322
3331
100K
gnd_pa
56K
3343
1K
3333
3361
0R33
3336
56K
10n
2320
4u7
2391
2336
220p
1N4148
6320
9331
9342
2333
2n2
3380
1K
10K
3327
33K
3325
330R
3345
330R
3346
6360
BZX79-B15
BAV21
9341
100u
2355
6330
3355
330R
3323
gnd_pa
2361
100n
9323
9329
gnd_pa
gnd_s
3354
560R
5300
3373
560R
3364
3356
47K
10K
2343
100n
3324
100K
15K
3369
3367
47K
gnd_pa
7324
BC556B
GND_AL
336
330R
3
22R
3344
2332
3339
1K
3329
10K
47K
3320
6322
1N4148
7322
100n
2360
4n7
2390
100K
3330
3360
0R33
2342
22u
7325
BC546B
9320
3382
2339
100p
2353
10u
47K
9343
3139 118 55340...for 91570...3472 pt1 dd wk0151
3376
4R7
4R7
1321-A
2
1
3372
6331
BAV21
1321-B
3
4
1m
2323
7327
BC556B
2340
47p
gnd_pa
SAT
Q
C
2325
100p
B1
A1
A2
L
M
N
O
G
R
AMP_LR_DC
A1
AMP_ON
B2
AF_left
D
H
E
AF_right
I
J
K
P
BC556B
*
**
# : For Phase Inverse only
& : For 110-150W only
% : For 70-100W only
: PROVISION
: For Non Phase Inverse only
Note : Some values may varies, see respective parts list for correct value.
&
*
*
*
*
*
*
*
*
*
*
*
*
*
*
*
*
*
*
*
*
*
*
-54v
-54v
3.3v
-52v
-55v
-54.6v
-54v
-53v
0v
-54v
5v
-54.6v
-54.6v
0v
-55v
0v
0v
0v
-55v
-54v
0v
0v
-15v
54v
0v
-52v
0v 0v
55v
-53v
-55v
30v
15v
-30v
-55v
-30v
0v

Other manuals for Philips FW-C577

Related product manuals