EasyManua.ls Logo

Philips FW-M567/21 - Page 53

Philips FW-M567/21
79 pages
Print Icon
To Next Page IconTo Next Page
To Next Page IconTo Next Page
To Previous Page IconTo Previous Page
To Previous Page IconTo Previous Page
Loading...
9-5 9-5
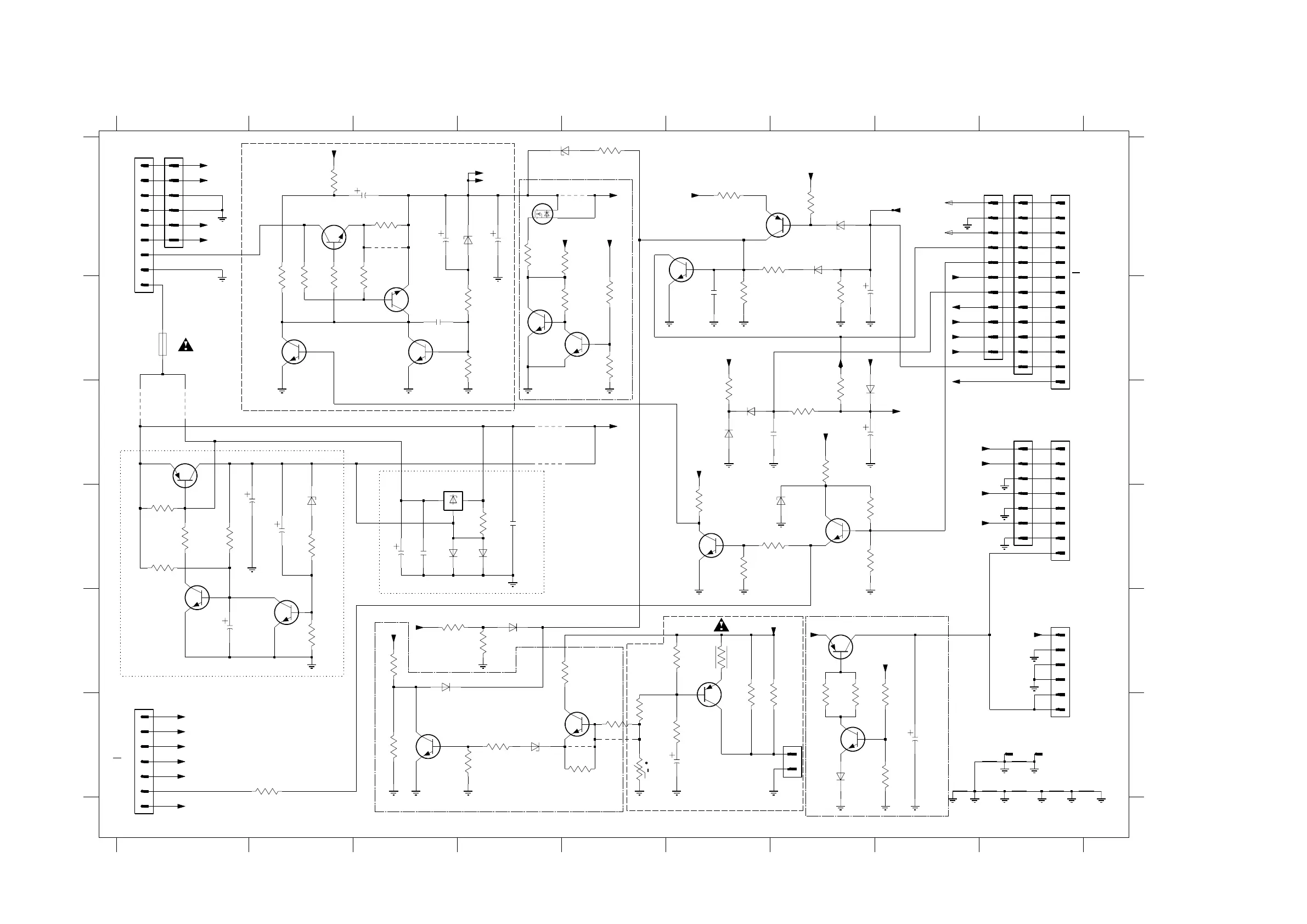
LEFT/RIGHT AMPLIFIER & SUPPLY BOARD - CIRCUIT DIAGRAM (PART 1)
t
/50V
1 23456789
1 23456789
A
B
C
D
E
F
A
B
C
D
E
F
1250 A1
CDR only
/16V
BDX53BFP
1251 A1
1252 F1
1259 A9
1260 A9
1261 A9
1262 C9
1263 C9
1264 E9
1280 B1
1300 F7
1322_A F9
1323_A F9
2250 A3
2251 A3
2252 B3
2253 A4
2254 E1
2255 D1
2256 D2
2257 D3
2258 D3
2259 D4
2260 B6
2261 B7
2262 C6
CDR ON
/50V
+11V_A
To AF
/50V
/16V
FFC
NON CDR
2263 C7
2265 F8
2300 F6
3250 A2
3251 B2
3252 B2
3253 B2
3254 B3
3255 B3
3256 B3
3257 A5
3258 D1
3259 D1
3260 D1
3261 D1
3262 D2
3263 E2
3264 D4
3265 F2
3268 E3
3269 E3
To AF
To AF
CDR ONLY
To AF
CDR sets only
T2.5A FOR CDR
3270 E4
3271 F3
3272 F4
3273 A6
3274 B6
3275 A7
3276 A7
3277 B7
3278 C6
3279 D6
3280 D6
3281 D7
3282 C7
3283 C7
3284 D7
3285 D7
3286 F7
3287 F7
3288 F8
3289 F8
3290 A3
3292 F4
3295 C7
3300 F5
3301 F5
CDR ONLY
+11V_A
3302 E6
3303 F6
3304 E6
3305 F6
3306 F6
3400 A4
3401 A4
3402 B5
3403 B5
3405 F5
3406 E4
3407 F5
3409 B4
6250 A5
6251 A3
6252 D2
6253 D3
6254 D4
6256 E4
6257 E3
6258 F4
6259 A7
/10V
To fan
6260 A7
6261 C6
6262 C6
6263 C7
6264 F7
6265 D6
7240 A4
7241 B5
7242 B4
7250 A2
7251 B2
7252 B3
7253 B3
7254 C1
7255 E1
7256 E1
7257 C3
7259 F3
7260 A6
7261 A6
7262 D6
7263 D7
7264 E7
7265 F7
7300 F6
7301 F4
9250 C1
9251 C1
9252 C4
/25V
/16V
FFC
To AF
/50V
/50V
FFC
9253 C4
9960 A3
9962 A5
9964 F5
9965 F5
VCD sets only
or
GND_D
5V_CDR
Heatsink NTC
NON CDR
CDR ONLY
AMP_CS_DC
VCD 5V
To CDR
NON-CDR
+11V Reg
5V_CDR
/16V
/25V
3300
470R
3304
1R
2K2
47u
2253
3305
1280
T1A
BZX79-B10
6251
gnd_ar
3290
0R33
2258
100n
2
3
7254
BDW94C
1
100K
3261
2254
1u
9964
7242
BC547B
1N4148
6257
GND
GND_M
9960
GND
56K
3285
EH-B
1N4148
6261
GND
470R
3253
PD
F2
F1
-Vkk
LSTBY
B1
VCD_ON
6
1263
EH-B
1
2
3
4
5
6260
1N4148
7265
BC547B
6263
1N4148
3400
1K
gnd_f
BC547B
7256
7252
3279
47K
9251
GND
3282
3K9
3302
270R
270R
270R
GND
1K
3270
GND
BC547B
100R
3262
3271
2K7
2260
GND_M
EH-B
1262
GND_M
3286
1K
1K
3401
100K
GND
GND
GND
120R
3256
2300
100u
3403
100K
GND
47K
3284
6253
1N4148
7251
BC547B
2265
47u
7264
3283
680R
3407
120K
BD438
150R
3263
BC327-25
7300
3289
8K2
GND
10u
2263
3K3
3292
3274
100K
1260
3251
10K
3278
GND
GND
3295
1K
13
2
3
4
5
6
7
8
9
1261
1
10
11
12
gnd_f
7261
BC557B
3409
100K
STP16NE06
7240
BZX79-C15
9250
2K2
3260
6250
GND_A
7250
GND
GND_M
GND
gnd_f
3139 118 55340...for 91570...3472 pt1 dd wk0151
10K
3264
3250
1N4148
6262
2K2
1
2
3
4
5
6
7
8
9
BZX79-C6V8
6259
1250
EH-B
7301
BC547B
1N4003
6254
120K
3405
BC547B
7241
GND
3402
100K
6252
BZX55-B4V7
9962
100n
2262
BZX79-B5V6
6258
3272
5K6
GND
gnd_al
4K7
3288
GND
BC547B
7263
1N4148
6256
3273
680R
GND_D
10K
3257
9965
1323_A
GND
BZX79-C5V1
6265
1
2
3
4
5
6
7
22K
3258
BC337-25
7259
1252
FE-BT-VK-N
GND_M
BC547B
GND
2K2
3265
7260
10u
2251
L7805
7257
2
GND
1
IN OUT
3
3287
2256
10u
3255
180R
3259
470K
7255
BC547B
10n
EH-B
1300
1
2
100u
2261
3281
39K
3301
2252
3n3
BC547B
7253
2257
3280
8k2
10u
3277
100K
GND_M
2255
220u
1259
3306
470R
3254
9252
6264
1N4148
3406
1K5
GND
3276
47K
1251
3269
6K8
1322_A
33K
3252
7262
BC547B
GND
100n
2259
1K
3303
100u
2250
3268
15K
6
33K
3275
1264
EH-B
1
2
3
4
5
7
8
9253
AF_right
-Vkk
NTC
NTC
LPC
GND_pa
AMP_ON
CLIP
PD
F2
F1
AF_left
LPS
NTC
AMP_LR_DC
LPS
+11V_M
+D2
+5V6
+5V
+11V_cdr
+11V_M
+11V_cdr
LPS
+5V6
+11V_M
GND_D
GND_D
GND_M
GND_A
+5V6
+11V_M
VCD_ON
VCD_ON
5V_VCD
SAT
GND
A2
B2
B1
A1
B1
+D
+5V6
+5V6
GND_M
GND_D
+5V6
+5V6
LPS
GND_D
*
: PROVISION
Note : Some values may varies, see respective parts list for correct value.
**
*
*
*
**
*
*
*
*
*
*
12.8V
27.5V
12.5V
0V
0V
11.8V
12.9V
0V
13V
5.7V
0.6V
0.6V
0V
0.6V
5.7V
5.7V
0.3V
4.8V
0.3V
11.6V
11.7V
5V
0V
0.6V
4.5V
0V
5V
0V

Related product manuals