EasyManua.ls Logo

Philips FW-M567/21 - AF11 Board - Circuit Diagram (Part 3)

Philips FW-M567/21
79 pages
Print Icon
To Next Page IconTo Next Page
To Next Page IconTo Next Page
To Previous Page IconTo Previous Page
To Previous Page IconTo Previous Page
Loading...
88
88 8
CHIP SELECT
I
2
C BUS
TRANSCEIVER
I/O PORT
DATA LATCHES
PWR
RES
OUT I/O IN
SHIFT
REG
8
P
F
G
H
I
1102 H3
1103 H3
1602 F8
1603 E7
1604 A11
2212 A10
2213 A12
2214 G5
2215 C12
2216 C11
2401 G13
2402 G12
2403 G12
2404 G11
2581 D2
P
P
P
W
P
12345678910111213
P...provision
W
12345678910111213
A
B
C
FROM / TO VC
3K9 for W
D
E
F
G
H
I
A
B
C
D
E
FRONT
P...provision
P
P
P
W
2582 G2
2583 D2
2584 F2
2585 D2
2586 F2
2587 D2
2588 F2
2601 D2
2602 G2
2603 D2
2604 F2
2605 D3
2606 G3
2607 D3
2608 F3
2609 E3
P
P
2610 F3
2611 D4
2612 F4
2620 H11
2621 B2
2622 H11
2624 G5
2625 H13
2626 H10
2653 A7
2654 B7
2681 B10
2682 C10
2683 C9
P
P
P
P
2691 B3
2771 I6
2772 I6
2902 H2
2905 H12
2922 D7
2925 A10
3203 C12
3204 C12
3206 D12
3207 B12
3401 F13
3402 F13
W
W
W
P
3403 F12
3406 F11
3408 F10
3409 E10
3410 E9
3581 C3
3582 G3
3601 D3
3602 G3
3605 E2
3606 E2
3607 E2
3608 F2
3609 E3
3610 E3
3611 D5
3612 F5
W
P
P
HighPower / ALC Enable
3613 E5
3614 F5
3615 D5
3616 F5
3619 G7
3620 G7
3621 H9
3622 I9
3623 H10
3624 H10
3625 H11
3626 H11
3627 G5
3628 H13
3629 H13
1n
P
3630 E5
3631 C7
3633 B2
3634 B2
3635 C4
3636 B3
VOICE CONTROL
P
3637 C2
3638 B3
3639 A4
3640 C7
3644 I1
3651 A4
3652 C5
3653 A5
3654 B5
3655 A6
3656 B6
3657 A6
3658 B6
3659 E4
3660 F4
3671 I7
3672 H7
3673 I7
3674 H7
P
TAPO
P
W
3675 I6
3676 H6
3677 I5
3678 H5
3683 C9
3684 D9
3686 D10
3687 C10
3688 B10
3689 B12
3692 C10
3694 E10
3711 E10
3721 A8
3722 A9
3723 A10
3724 A9
3725 A10
3726 A8
3727 A9
3728 A10
3729 A9
3730 A10
4403 F11
4407 H13
4408 A12
4811 E2
4812 F2
4814 A9
5401 F12
5621 G5
6401 F11
6771 I6
6772 H5
6774 B4
6775 H6
7203 C13
P
W
P
W
7204 C12
7401 D10
7402 F10
7403 D12
7601-A F3
7601-B D3
7603 E6
7604 F6
7621 G10
7622 G11
7623 I10
7635 A3
7636 C2
7651 A7
7652 B7
7653 A5
7654 B5
7681 C11
7682 C10
7803 A2
P
9401 E9
9600 A9
3K9 for W
P
100R
3403
2586
47n
2624
22n
GND_A
3K3
3660
GND_A
+5V6
GND_D
GND_D
A_HP
5621
2u2
3607
6K8
27K
3609
2212
180p
9401
7
8
4
100p
BC847B
7636
82K
3683
3673
27K
2R2
3410
3656
1K
2215
BC327-25
7401
AmOn
GND_A
+12V_A
8K2
3722
HP_DET
2602
2691
100p
A_HP
A_HP
7622
BC857B
18K
3729
10u
2626
3631
1K
4K7
3626
470R
470n
2604
3728
GND_A
A_HP
2401
100p
680K
3676
MUTE_SW
1
3582
15K
+5V6
1103
GND_D
2653
100p
5401
2u2
I2C_Data
100p
2605
1N4148
6401
2682
15p
7682
BC847B
4403
GND_D
470R
3402
GND_D
3657
1K
5K6
3624
BC847B
7621
12K
3601
2611
22u
GND_A
1N4148
6771
1K
3658
3627
10R
390R
3688
10K
SA_L_IN
4814
3637
10K
3621
GND_D
100p
2402
10M
3677
4811
10u
2621
470n
2603
3K3
3675
GND_D
3629
4K7
GND_D
3639
4M7
7623
BC847B
GND_A
GND_D
2K2
3694
3207
390R
1102
1
GND_EMC
A_HP
MicDetect
4K7
3625
1n
2213
BC817-25
7653
3606
1K
330K
3692
3671
47K
47R
3611
1K
3644
3614
1K
AMP_LEFT
Mute1
3726
2K7
A_HP
100p
2622
2610
100p
3602
12K
2654
NJM4556AM
7601-B
5
6
4407
3659
3K3
5K6
3634
+12V_A
3622
10K
A_HP
+12V_A
3727
3K3
7601-A
NJM4556AM
3
2
1
8
4
100p
2609
22n
2905
+5V6
GND_D
1n
2601
GND_A
BC857B
7681
2214
47u
aa
180p
2925
100n
2404
VDD
13
10K
3408
M62320FP
16
CS0
CS1
15
CS2
14
D0
4
5
D1
D2
6
D3
7
D4
9
D5
10
D6
11
D7
12
GND
8
SCL
2
SDA
3
SO
1
+5V_CD
7403
GND_D
27K
3674
470n
2620
3730
18K
470R
3401
3635
10K
GND_D
9600
2608
470p
VC_OUT_RIGHT
3725
18K
3686
82K
VC_OUT_LEFT
2606
100p
4812
GND_D
7803
BC847B
1K
3613
+5V6
+5V
aa
1K
3605
3638
4K7
BC847B
7402
A_HP
BC817-25
7651
3655
1K
3678
470K
3636
4K7
GND_D
BC857B
7635
I2C_Clk
+12V_A
+5V
GND_A GND_A
82K
3206
100n
2216
47n
2585
470n
2587
5K6
3409
3615
33R
1602
FE-BT-VK-N
1
2
3
4
5
6
aa
VC_OUT_LEFT
A_HP
47n
2582
2588
470n
33R
3616
7654
BC817-25
MUTE_SW_FR
GND_D
3612
47R
GND_A
22u
2612
470p
2607
1K
3652
3406
1K
2403
100n
GND_D
YKC21-3418
1604
POWER
BOOSTER OUT
1K
3653
15K
3581
470n
2584
100n
1K
3623
2683
4M7
3630
3654
1K
GND_D
2922
100p
3628
4K7
100u
2625
3672
47K
470R
3689
150R
3723
GND_A
BC817-25
7604
GND_A
-Vkk
4408
1N4148
6772
GND_A
3204
15p
5K6
3640
330K
3651
1K
2902
470n
1K
3633
3724
18K
1603
1
2
3
4
A_HP
GND_D
1K2
3203
FE-BT-VK-N
BC847B
7204
3711
5K6
3687
1K2
1K
3620
6K8
3608
A_HP
3610
27K
MUTE_SW
82K
3684
3721
8K2
-Vkk
SUB_W
2771
470n
2583
470n
GND_A
2581
47n
1N4148
6774
SA_R_IN
7203
BC857B
1N4148
6775
AMP_RIGHT
VC_OUT_RIGHT
2681
47u
1K
3619
7603
BC817-25
7652
BC817-25
0u47
2772
HP_in_R
SS_L
VC_RIGHT
VC_LEFT
Mute2
HP_DET
HP_in_L
ALC_Enable
VREF
ALC_LEVEL
MUTE_SW
Mute1
HPREF
SS_R
VOL_L
VOL_R
HPREF
B_REF3
B_REF3
HPREF
HPREF
HPREF
VC_LEFT
VC_RIGHT
B_REF3
3139 118 56710...8239_210_94374 for 3507 pt4 dd wk0310
P...provision
W...provision for Woox only
Note : Some values may varies, see respective parts list for correct value.
0V
0.2V
0V
0.7V
0V
5.9V
5.9V
5.9V
5.9V
11.6V
5.9
5.9V
V
0V
0V
0V
0V
0V
0V
0V
0V
0V
0.2V
0V
0.7V
0V
5.4V
0.7V
0.2V
0V
5.4V
4.8V
3.9V
0.6V
3.2V
4.9V
5.9V
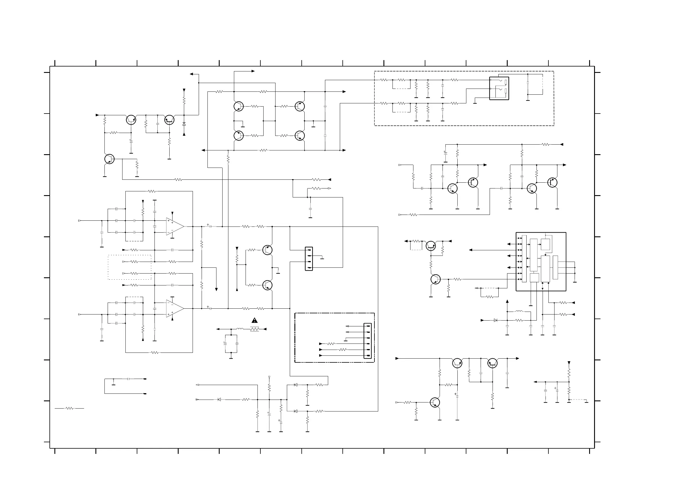
AF11 BOARD - CIRCUIT DIAGRAM (PART 3)
8-7 8-7

Related product manuals