EasyManua.ls Logo

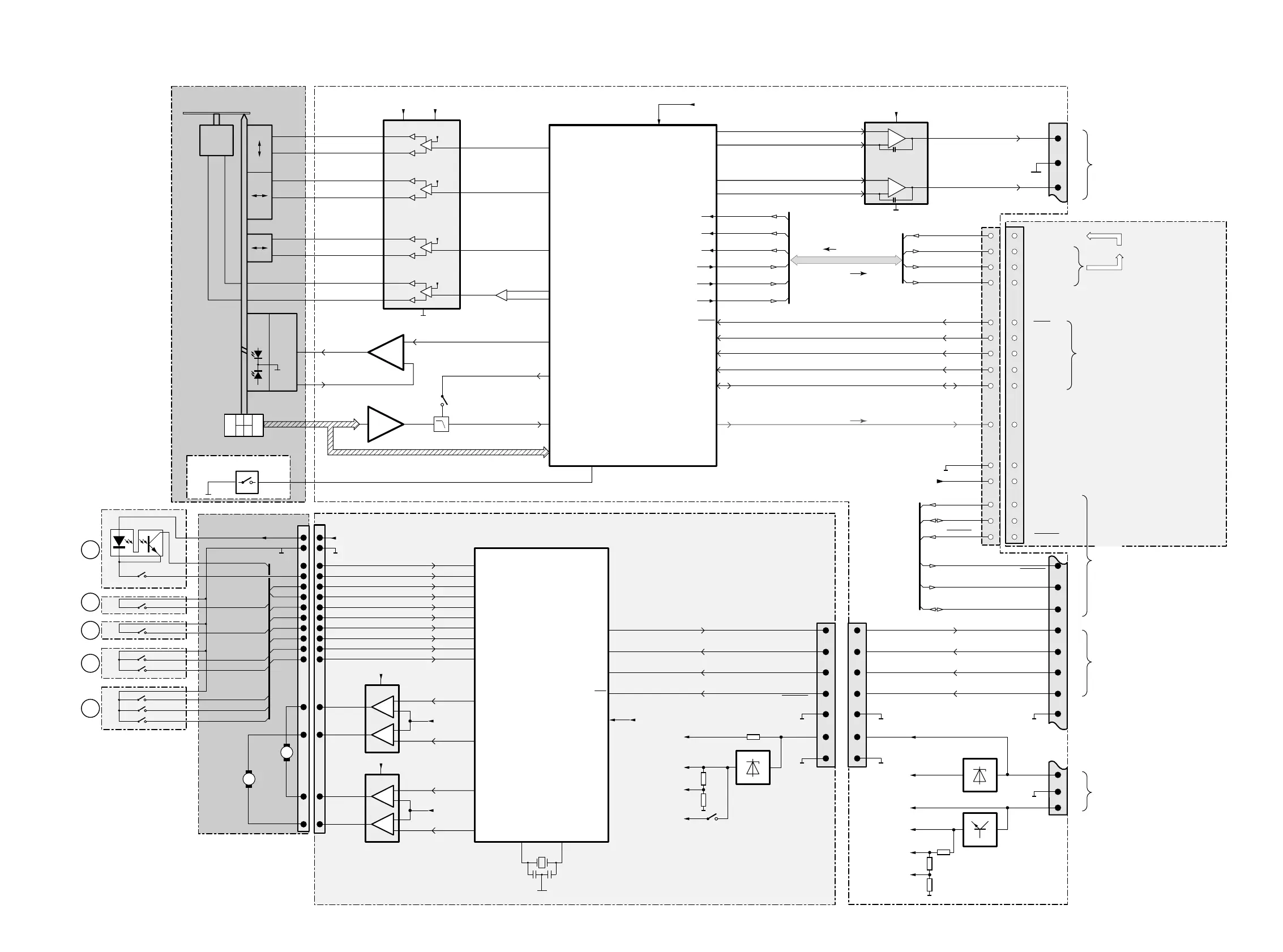
Philips FW-M567/21 - Control Board; 400 CD Board; Blockdiagram

Philips FW-M567/21
79 pages
Print Icon
To Next Page IconTo Next Page
To Next Page IconTo Next Page
To Previous Page IconTo Previous Page
To Previous Page IconTo Previous Page
Loading...
10-910-9
MP3 Version
MP3 Version
1820
15
17
13
16
1824
1824
8
7
10
9
11
CD_IIS_DATA
IIS_WCLK
IIS_SCLK
MP3-Decoder
Communication
Front-µP and MP3 module
RAB
41
RESET
SDA
µP_DATA
12
µP_CLK
11
14
µP_FRAME
SICL
3
2
4
µP_CLK
µP_FRAME
µP_DATA
µP_CLK
µP_FRAME
µP_DATA
SILD
6
SPDIF
Control Logic
Communication
DSP Signal Processor
WCLI
35
WCLK
28
SCLI
37
SCLK
29
SDI
36
DATA
27
CD_IIS_DATA
AU_IIS_DATA
AU_IIS_DATA
IIS_WCLK
IIS_SCLK
AU_IIS_DATA
IIS_WCLK
IIS_SCLK
1,5,12,14,18
19
CD_IIS_DATA
IIS_SCLK
IIS_WCLK
22
23
RN
RP
DIGITAL AUDIO
MP3 coded
Digital out
CD-DA coded
38
42
40
39
GND
+5V
GND
+5V
For DIGITAL OUT versions only
MP3 BOARD
DOBM
51
10
VCC
7803
7801
TCA0372
TMP87CA409A
V1
D1
D2
D3
D4
R1,R2
Micro Controller
SIGNAL PROCESSOR
CD10
SAA7324 (SAA7325)
TRAY
MOTOR
VDD
DIODES
PHOTO
INNER SWITCH
not on all versions
LASER &
MONITOR
DIODE
TURNTABLE
MOTOR
DISC
CD MECHANISM CD MAINBOARD
CONTROL BOARDMOTOR BOARD
TRAY_IRQ
I2C_SCL
ADDRESS3 SW
ADDRESS3 SW
CLOSE SW
CLOSE SW
ADDRESS2 SW
ADDRESS2 SW
LOAD SW
LOAD SW
ADDRESS1 SW
ADDRESS1 SW
UNLOAD SW
UNLOAD SW
HOLDER HEIGHT COLLECTOR
HOLDER HEIGHT COLLECTOR
OPEN SW
OPEN SW
HOME SW
HOME SW
I2C_SDA
OSC.
DISC SENSOR COLLECTOR
+5V
SWITCH
GND
GND
+5V
GND
GND
GND
7800
5,17,21,52,57
+5V
22
Vref
Vref
23
7811
63
8,13,15,16,28,29,30
4
19
16
17
RST
27
12
13
16
23
24
8
5
6
7
3
1
+3,3V
Blockdiagram 5DTC 2002-09-05
+5V
+5V
ST
+3,3V
+A (+12V)
7815
+5V
Vref
+3servo
+8V
7801
+12V
BLOCK DIAGRAM 5DTC
+5V
ST
28
V
REF
V
REF
+A
OPAMP
V
REF
+5V
SWITCH
FOCUS
MOTOR
RADIAL
MOTOR
SLEDGE
MOTOR
MOTOR
TURNTABLE
MOT1
SL
RA
FO
55
54
56
59
25
19
26
27
2
1
11
12
18
17
3
7802
MM1469PH
TTM-
TTM+
SLEDGEB-
SLEDGEB+
RADB-
RADB+
FOCB-
FOCB+
MOT2
60
10
LD ON
HF IN
64
V4
61
2
CD RW= 3V
CD DA= 0V
EQ-Selection
7876,7877
7811,7879
7878
LD
MON
A-D
A-C
FE
BA
CD
+A
OPAMP
+A
OPAMP
2
1801
TCA0372
15
14
21
26
5
8
7
6
1
3
2
7805
LIFT
MOTOR
Vref
Vref
Vref
7800
8M
1800
CST
4
6
5
9
7
8
13,15
Tray_IRQ
Tray_I2C_SCL
Tray_I2C_SDA
5
2,3
4
Tray_IRQ
µC_RESET
Tray_I2C_SCL
Tray_I2C_SDA
1
7
8
6
+A
7
9,10
8
Tray_IRQ
Pin 1..3 not used!
µC_RESET
Tray_I2C_SCL
Tray_I2C_SDA
11
5
4
6
7806
+5V
SWITCH
OPEN SW
UNLOAD SW
HOME SW
LOAD SW
CLOSE SW
ADDRESS3 SW
ADDRESS1 SW
ADDRESS2 SW
A
B
C
D
E
12
11
10
9
8
7
6
5
4
13
4
12
5
11
6
10
7
9
1
8
2
3
1802
Active low pass
Filter
LM358
7887
1
2
3
6
5
7
+5V
8
+
-
+
-
1824
3
2
1
CD LEFT
CD RIGHT
18
19
LN
LP
Analog Audio
+5V
+A
GND
Supply
1823
RAB
SDA
SCL
SILD
RESET
µC_RESET

Related product manuals