EasyManua.ls Logo

Philips GC9520 - Wiring Diagram

Philips GC9520
12 pages
Print Icon
To Next Page IconTo Next Page
To Next Page IconTo Next Page
To Previous Page IconTo Previous Page
To Previous Page IconTo Previous Page
Loading...
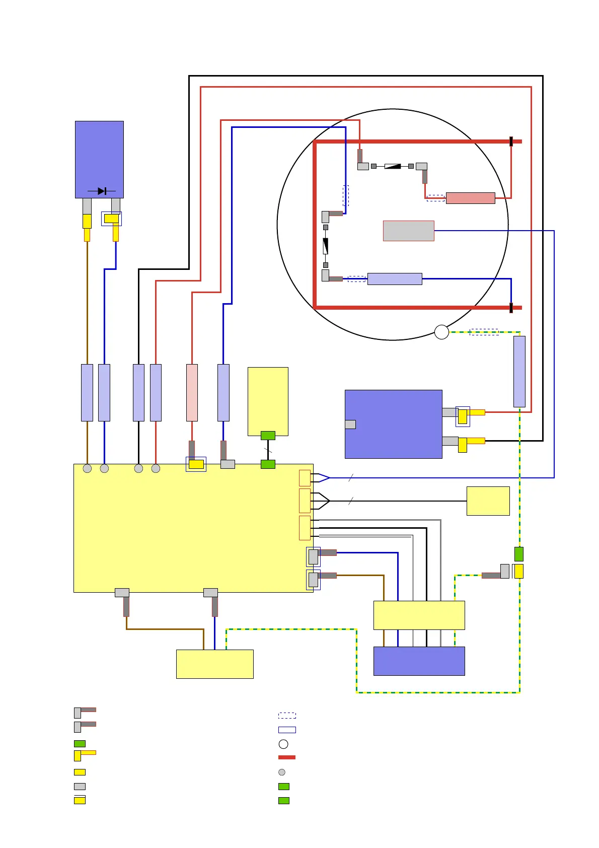
GC9520
9-12
WIRING DIAGRAM
LEGEND:
Female Push-on 4.8 x 0.8 mm L-shape Connector
Female Push-on 5.2 x 0.8 mm L-shape Connector
Male Tab Terminal 4.8 x 0.8 mm
Female Push-on L-shape Connector 6.35 x 0.8 mm
Piggy Back Push-on Connector 4.8 x 0.8 mm
Male Tab Terminal 6.35 x 0.8 mm
Female Push-on Connector 6.35 x 0.8 mm
Sleeve - Fiber Glass
Insulated Tab - Silicon Rubber
Ring Terminal M4.3
Splice 6.0 mm
Directly soldered on PCB
7-pin Board-in Connector 2 mm (horizontal)
7-pin Connector 2 mm (vertical)
POWER BOARD
HALL
SENSOR
BOARD
HOSCORD
FLEX ASSY
IRON
UI
BOARD
9013 (Live)
9016 (Pump-Control)
9015 (Evalve-Control)
THERMAL
FUSE (L)
THERMISTOR
TRIGGER
NEUTRAL
9014 (Live)
WA1 : PCB-Pump (L)
WA2 : PCB-Pump (ctrl)
WA7 : PCB-EV (ctrl)
WA4 : PCB-EV (L)
WA5 : PCB-Fuse (L)
WA19 : HE-Fuse (L)
WA6 : PCB-Fuse (N)
9003 (Boiler-L)
3
2
1
3
2
1
2
1
9009 (Boiler-N)
9001 (Live)
9002 (Neutral)
9018 (Iron LED)
9007
9004 (Iron Live)
9006 (To UI)
PUMP
EVALVE-EARTH
7x
2x
3x
H
VsF
sFsF
F
sF mF
mF sF
sF
sF
sPB sM
sM
F
M
sF
F
F
MM#1
#1
#2
#1
#1
#2
#2
THERMAL
FUSE (N)
sFsF
#2#1
#2
F
F
F
H
V
M
M
M
WA20 : HE-Fuse (N)
WA3 : EARTH WIRE_BOILER
THERM-BOILER
sPB
9012
(3.96 mm)
9017

Related product manuals