EasyManua.ls Logo

Philips HTS3571 - Block Diagram

Philips HTS3571
35 pages
Print Icon
To Next Page IconTo Next Page
To Next Page IconTo Next Page
To Previous Page IconTo Previous Page
To Previous Page IconTo Previous Page
Loading...
4 -  4 - 
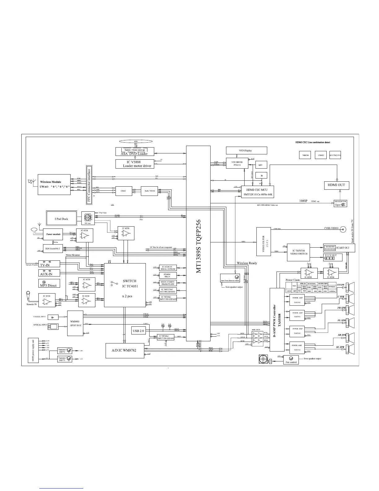
BLOCK DIAGRAM

Other manuals for Philips HTS3571

Related product manuals