EasyManua.ls Logo

Philips MC-70 - Page 72

Philips MC-70
92 pages
Print Icon
To Next Page IconTo Next Page
To Next Page IconTo Next Page
To Previous Page IconTo Previous Page
To Previous Page IconTo Previous Page
Loading...
10-16 10-16
88
88 8
CHIP SELECT
I
2
C BUS
TRANSCEIVER
I/O PORT
DATA LATCHES
PWR
RES
OUT I/O IN
SHIFT
REG
8
M
M
A
B
-
12 5
to/from 1803 on part2
+
PDZ-5.1B
C
D
E
F
A
E
F
CARRIAGE
MOTOR
1234
34 6
8003
-
3DTC-mainboard
1
Changer Control Logic
DRAWER
MOTOR
B
C
D
4
2
part 3
56
to 7800 on part 2
to 7801 on part 1
3
+
3782
390R
15K
3781
3778
18K
330R
3777
15K
3784
22n
2712
3R3
3779
3773
330R
47u
2701
220R
3780
3787
3775
47K
9
D4
D5
10
D6
11
D7
12
GND8
SCL2
SDA3
SO
1
13 VDD
47K
7814
M62320FP
CS0
16
CS1
15
CS2
14
D0
4
D1
5
D2
6
D3
7
22n
2700
10K
390R
3771
3783
220R
3789
10K
3791
10K
3790
22p
2704
1805
EH-SEH-S
1
2
3
4
22p
2703
220R
3788
56K
3772
3786
220R
3776
18K
3774
6811
22K
EQSEL
SW_INFO
+10V
+10V
RESET
SHR_CL
SHR_DATA
_
_
+
+
Motor Driver
7815 TDA7073A
+
-
VDD
12
1
2
5
3,4,8
14,15
10,11
6
7
16
13
9
+
-
2706
10u
SRG8
EN1
1D
STB
7
14
11
13
12
9
10
1
16
8
HEF4094BT
7813
3
2
15
4
5
6
6810
6809
6808
6807
6804
6806
6805
BAS316
(7x)
SW3
SLIDER REVERSE
SLIDER FORWARD
CARRIAGE EXTRA
SW4
5
7
SW2
CARRIAGE NUMBER
CARRIAGE HOME
SW_INFO
SW7
8
DRAWER OPEN/CLOSE
1
3
2
CARRIAGE NUMBER
SW8
6
4
8002
SW6
SW5
6
7
8
1804
EH-S
1
2
3
4
5
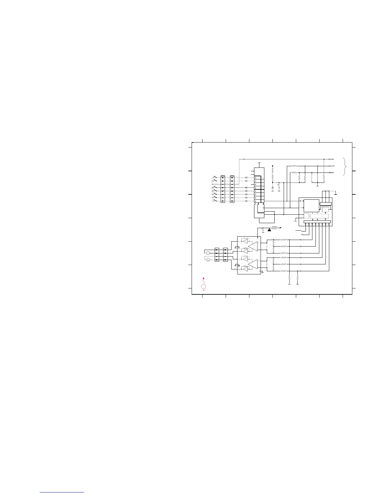
3DTC Mainboard Sheet1 2000-07-18
5.2V
5.2V
5.2V
5.2V
5.2V
5.2V 5.2V
. . . V DC voltages measured in
PLAY MODE
with following conditions:
"+10V" = 10V
"+5V" = 5V
EVM
V
10V
1804 B2
1805 E1
2700 E3
2701 D3
2703 B5
2704 B5
2706 B4
2712 E3
3771 F4
3772 E4
3773 E4
3774 D4
3775 F4
3776 E4
3777 E4
3778 E4
3779 D4
3780 B3
3781 E4
3782 E4
3783 B6
3784 F4
3786 B3
3787 F5
3788 A4
3789 B4
3790 B5
3791 B5
6804 B2
6805 B2
6806 B2
6807 B2
6808 B2
6809 C2
6810 C2
6811 B3
7813 A3
7814 C5
7815 F2
Technical remarks
––––––––––––––––––––––––––––––––––––––––––––––––––––––––––––––––––––––––––––––––––––––––––––––––––––––––––––––––––

Table of Contents

Other manuals for Philips MC-70

Related product manuals