EasyManua.ls Logo

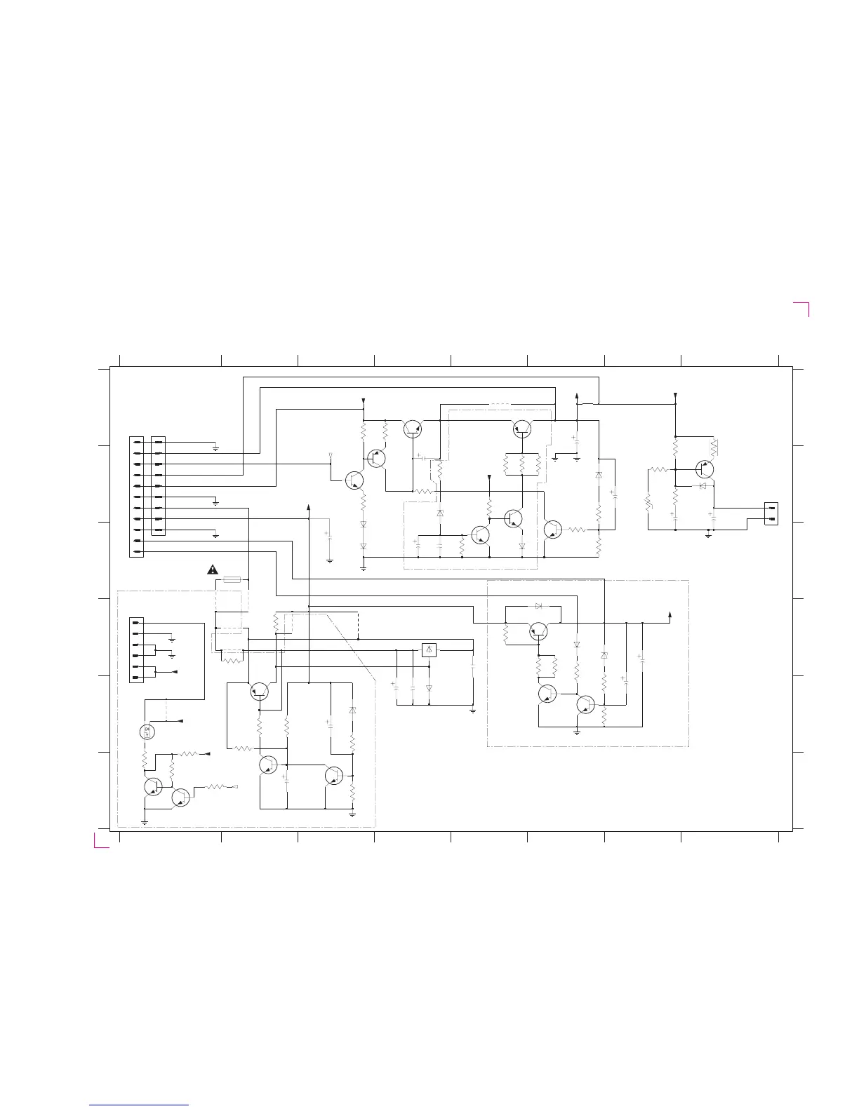
Philips MC-70 - Circuit Diagram Regulator Board

Philips MC-70
92 pages
Print Icon
To Next Page IconTo Next Page
To Next Page IconTo Next Page
To Previous Page IconTo Previous Page
To Previous Page IconTo Previous Page
Loading...
11-1111-11
+A/2
For Fan
12345678
12345678
A
B
C
D
E
F
A
B
C
D
E
F
1171 C2
5V_VCD
+12V_A
LPC
+12V_M
1400 B8
1401 A1
1402 A1
1403 D1
2400 B4
2402 A6
2403 C4
2404 C4
2405 B7
2406 B7
2407 B8
2408 D5
2409 E4
2410 E4
2411 C3
2412 F2
2413 E3
2415 E7
2416 D7
3403 A3
3404 B3
3405 A4
3406 B4
3407 B4
3409 C5
3410 B5
3411 B7
PROVISION ONLY
3412 B5
3413 B5
3414 B6
3415 C6
3416 B6
3417 C6
3418 B7
3419 B7
3420 B7
3421 B8
3422 D2
3423 D2
3424 E2
3425 E2
3426 E2
3427 E3
3428 F3
3430 D5
3431 D6
3432 D6
3433 D6
3434 E6
3435 E6
3436 E1
3437 F1
For NON CDR
#
3438 F1
3439 F1
6400 C3
6401 C3
6402 B4
6404 C5
6405 B6
6406 B8
6407 E3
6409 E4
6411 D6
6412 D6
6413 D6
7401 B3
7402 B4
7403 A4
7405 A6
7406 C5
7407 B5
7408 B6
7409 B8
7410 D6
7411 E6
7412 E6
7413 D2
+A
7414 F2
7415 F3
7417 D4
7419 F1
7420 E1
7421 F1
9172 D2
9174 D2
9401 A5
9402 D1
9403 D2
9404 D2
9405 D3
9406 E1
#
VCD_ON
#
FOR CDR ONLY
*
BDX53BFI
7403
9406
7411
BC547B
VCD_GND
9174 &
7412
BC547B
9172
3416
120R
68R
3415
GND_A
8
9
BC547B
7401
1K
3420
VCD_GND
15K
3407
22K
3421
5R6
3433
10K
GND_M
3409
3K3
3439
1K
BDW94C
7413
1
23
1400
EH-B
1
2
470R
3411
BC547B
7419
3437
100K
100K
3438
3434
9402
7409
BC327-25
120R
180R
3432
150R
3428
1171
330R
3419
EH-B
1401
1
10
11
2
3
4
5
6
7
100K
3426
BC557B
2407
100u
7402
100u
2406
100n
2408
1K
3413
6404
1N4148
100R
3427
2413
10u
10K
3410
6407
BZX55-B4V7
1K
3412
10u
2409
7421
BC547B
2405
10u
1K
3414
6413
BZX79-B3V9
2415
10u
2416
47u
1403
1
2
3
4
5
6
6401
EH-B
100n
2404
1N4148
7410
BD438
BC547B
7406
1K
3403
7407
BC547B
L7805
7417
2
GND
1
IN OUT
3
3417
7405
BD438
1
2
3
4
5
6
7
8
9
120R
180R
3431
1402
EH-B
3423
2402
47u
10K
3422 &
GND_M
9401
BC547B
7408
2403
4u7
BC547B
7415
6402
BZX79-C15
2412
1u
10K
3430
2K2
3425
6405
BZX79-B10
7414
BC547B
3435
1N4148
6409
STP16NE06
7420
2
1
3
5V6_GND
120R
5V6_GND
GND_M
6412
1N4148
GND_A
5V6_GND
VCD_GND
9405 &
3418
GND_A
3436
10K
VCD_GND
2400
2u2
1N4148
6411
2K2
3404
9403 &
3406
1K
100n
6406
BZX79-C4V7
270R
3405
2410
3424
470K
6400
1N4148
+A
5V_VCD
+12V_M
+A
VCD_ON
5V_VCD
+12V_A
+12V_M
+A
+5V6
LPC
8239_210_88960... 3441 pt 1 dd wk103
10K NTC
FOR NON-CDR ONLY
&
9404
T2A5
*
T1A &
For CDR versions only
*
For CDR versions only
*
5V6_GND
2411
47u
To Combi
+5V6
To CDR
For Non-LPS version only
6.34V
10.35V
10.99V
0.65V
9.91V
1.4V
0.6V
11.3V
11.3V
11.3V
11.3V
12.4V
27.9V
27.3V
4.8V
4.2V
0.7V
5.7V14.1V
5.7V
29V
11.3V
14.5V
Circuit Diagram Regulator Board

Table of Contents

Other manuals for Philips MC-70

Related product manuals