EasyManua.ls Logo

Philips MC-V65 - Page 11

Philips MC-V65
39 pages
Print Icon
To Next Page IconTo Next Page
To Next Page IconTo Next Page
To Previous Page IconTo Previous Page
To Previous Page IconTo Previous Page
Loading...
BLOCK DIAGRAM OF INTEGRATED CIRCUIT
DIGITAL VIDEO ENCODER SPCA711A
Latch
2 x
Upsample
Mod.
and
Mixer
1.3MHz
LPF
Internal
VREF
DAC
DAC
CLK
P[7:0]
HSYNC*
VSYNC*
MODE[3:0] MASTER CBSWAP SVIDEO SLEEP
VBIAS VREFOUT FSADJUST
COMP
VRDAC
CVBS/Y
CVBS/C
9
9
5
6
7
8
9
10
11
12
13
4
3
2
1
32
31
30
29
28
27
26
25
24
23
22
21
14
15
16
17
18
19
20
FSADJUST
COMP
VAA
VREFOUT
VREFIN
VBIAS
CVBSC
AGND
SLEEP
CLKOUT
DATA7
DATA6
DATA5
DATA4
DATA3
DATA2
DATA1
DATA0
CVBSY
AGND
TEST
HSYNC
VSYNC
VDD
DGND
SVIDEO
CBSWAP
MASTER
MODEA
MODEB
CLK
XTALO
4 - 4 4 - 4
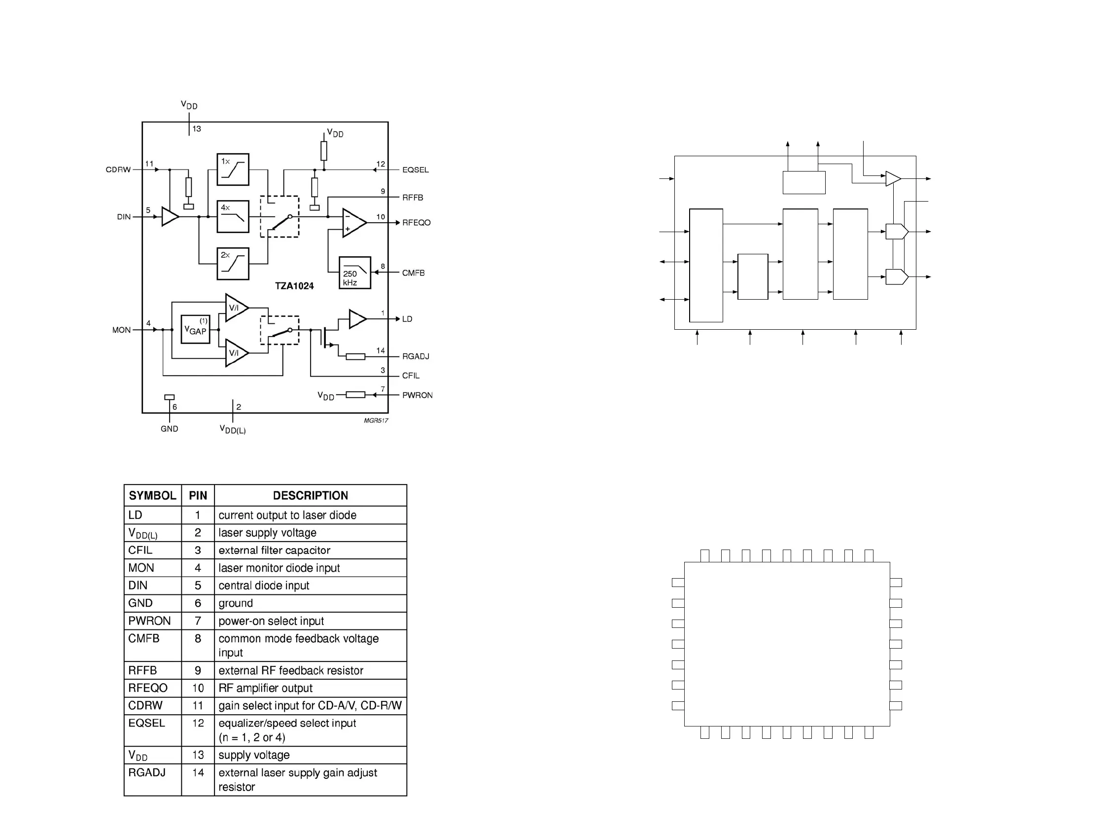
BLOCK DIAGRAM OF INTEGRATED CIRCUIT
TZA1024
PINS DESCRIPTION OF IC TZA1024
PIN FUNCTION
PIN0UT MAP OF SPCA711A

Related product manuals