EasyManua.ls Logo

Philips MC-V65 - Page 21

Philips MC-V65
39 pages
Print Icon
To Next Page IconTo Next Page
To Next Page IconTo Next Page
To Previous Page IconTo Previous Page
To Previous Page IconTo Previous Page
Loading...
7 - 1 7 - 1
3
2
1
A
B
A
B
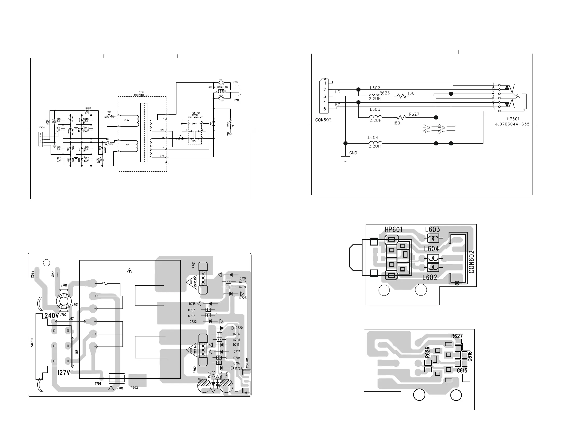
CIRCUIT DIAGRAM - POWER BOARD
LAYOUT DIAGRAM - POWER BOARD
3
2
1
A
B
A
B
CIRCUIT DIAGRAM - HEADPHONE BOARD
LAYOUT DIAGRAM - HEADPHONE BOARD

Related product manuals