EasyManua.ls Logo

Philips MC-V65 - Page 23

Philips MC-V65
39 pages
Print Icon
To Next Page IconTo Next Page
To Next Page IconTo Next Page
To Previous Page IconTo Previous Page
To Previous Page IconTo Previous Page
Loading...
8 - 2 8 - 2
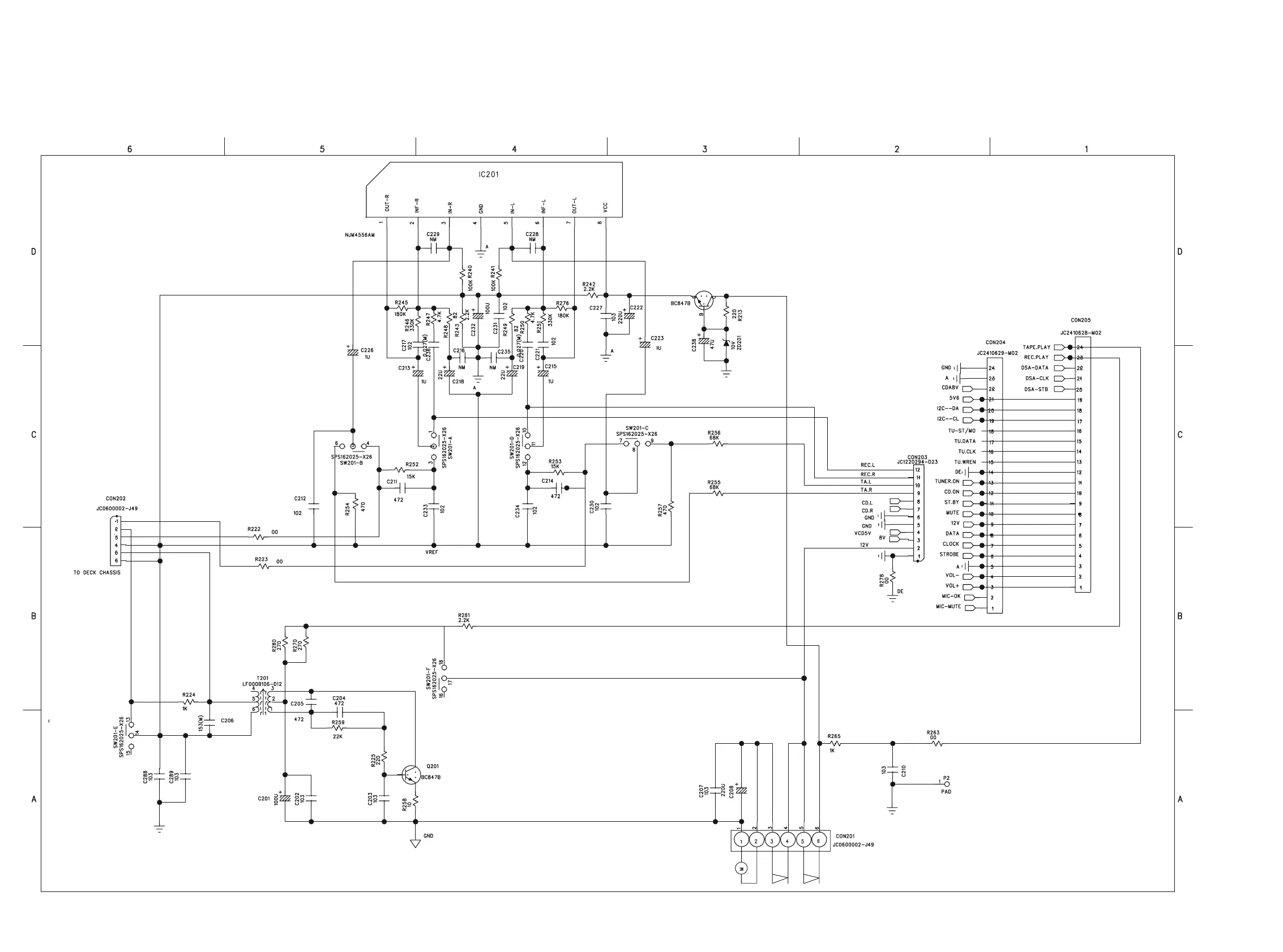
CIRCUIT DIAGRAM - VCD & TAPE BOARD (Part 2)
TAPE PART

Related product manuals