EasyManua.ls Logo

Philips MC-V65 - Page 24

Philips MC-V65
39 pages
Print Icon
To Next Page IconTo Next Page
To Next Page IconTo Next Page
To Previous Page IconTo Previous Page
To Previous Page IconTo Previous Page
Loading...
8 - 38 - 3
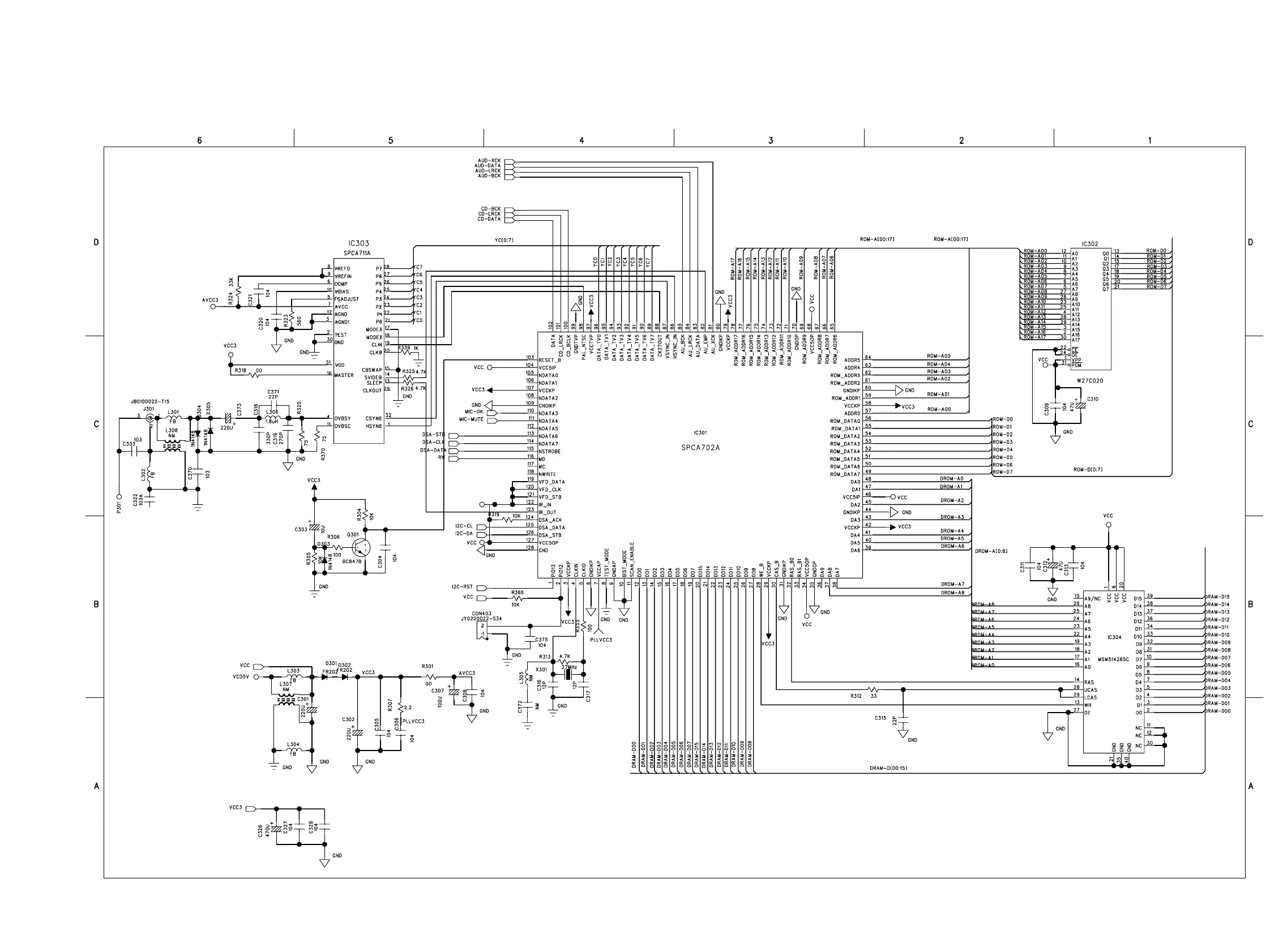
CIRCUIT DIAGRAM - VCD & TAPE BOARD (Part 3)
MPEG PART

Related product manuals