EasyManua.ls Logo

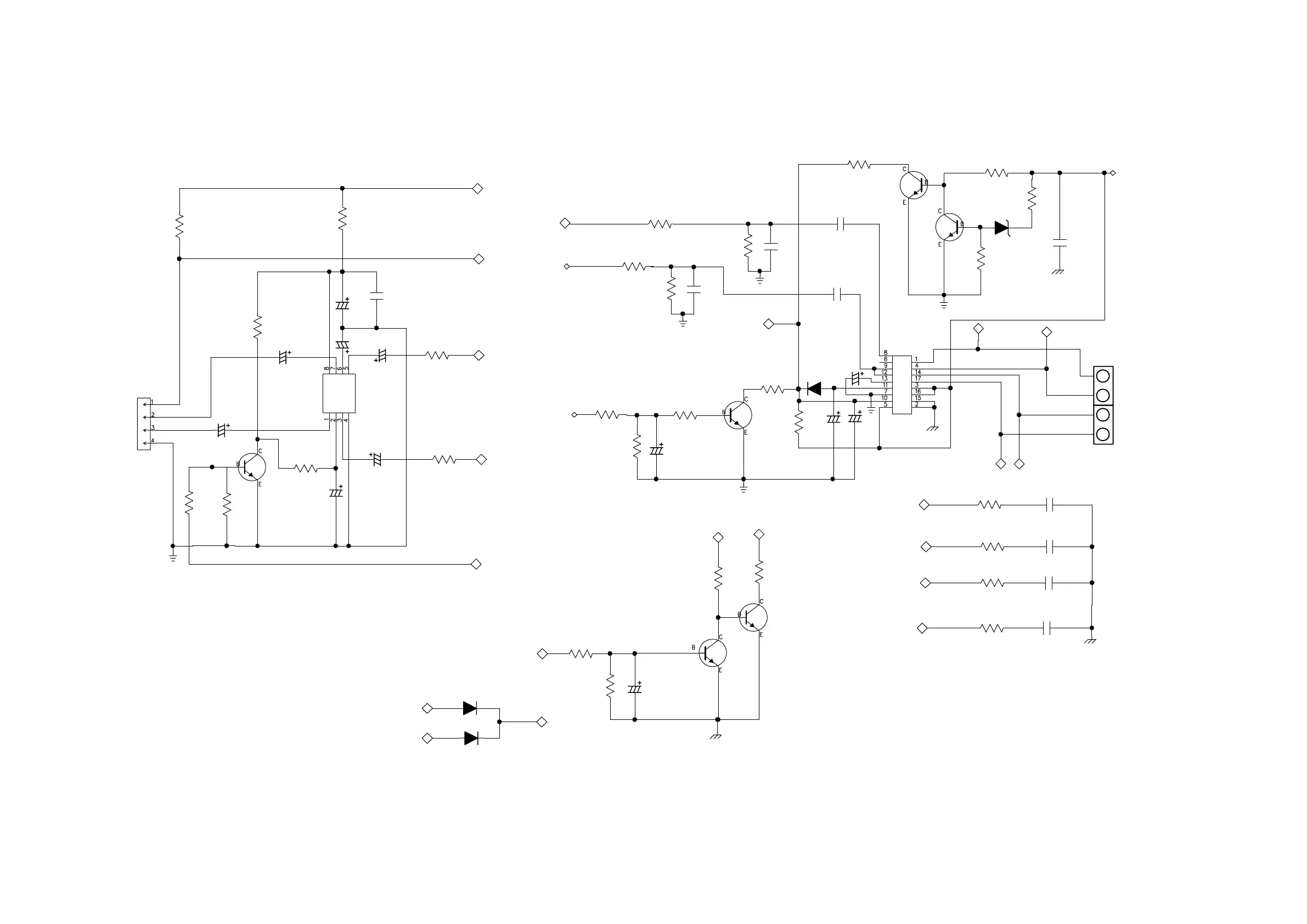
Philips MCD122 - Power Board Circuit Diagram (Audio Part)

Philips MCD122
27 pages
Print Icon
To Next Page IconTo Next Page
To Next Page IconTo Next Page
To Previous Page IconTo Previous Page
To Previous Page IconTo Previous Page
Loading...
7-2
7-2
Power Board -- Circuit Diagram -- Audio Part
HP-MUTE
FLIN
MUTE
R22
1K/0805
C6
1uF/50V
R24
0
C9
10uF/25V
D13
1N4148
C12
224J
C8
22uF/25V
1206
C10
2.2uF/25V
LOUT+
R9
2.2 1/4W
C29
104/50V 1206
C28
104/50V 1206
C26
104/50V 1206
C25
104/50V 1206
R51
2.2 1206
R48
2.2 1206
R39
2.2 1206
LOUT-
ROUT-
ROUT+
IC3
LOUT+
LOUT-
R34
1K/1206
MODE
R29
8.2K
R30
8.2K
FLIN
FRIN
C41
224J
R47
270/1206
R50
15K/1206
+18V
Q8
MMET2222
Q9
MMET2222
DZ2
12V
Q2
MMBT2222
FRIN
MUTE1
STANDBY
D12
1N4148
D15
1N4148
MUTE1
MUTE
HP-MUTE
R32
10K/1206
C7
1uF/50V
Q5
MMBT2222
Q6
MMBT2222
C31
47uF/16V
C30
1uF/25V
R56
4.7K 1/4W
R55
4.7K 0805
C32
1uF/25V
R54
100K/0805
C35
220uF/16V
CON4
2.0/4P
Q11
9014
C33
1uF/25V
C36
220uF/16V
VCC
R59
10K 0805
R53
22K 0805
S08
PT2309
R23
10K/0805
R45
10K/0805
TDA8948J
R41
1.5K/0805
R49
10K/1206
C27
104/50V 1206
C23
102/50V 0805
R31
4.7K
R28
4.7K
C22
102/50V 0805
ROUT-
ROUT+
R57
10K 0805
R33
10K
R46
470/0805
R7
47K/0805
+22V
MODE
R60
4.7K 0805
U3
C38
104/50V 0805
C37
220uF/16V
R8
22 0805

Other manuals for Philips MCD122

Related product manuals