EasyManua.ls Logo

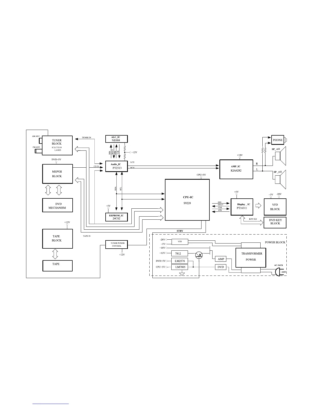
Philips MCD190 - Set Block Diagram

Philips MCD190
31 pages
Print Icon
To Next Page IconTo Next Page
To Next Page IconTo Next Page
To Previous Page IconTo Previous Page
To Previous Page IconTo Previous Page
Loading...
5 - 25 - 2
SET BLOCK DIAGRAM

Other manuals for Philips MCD190

Related product manuals