EasyManua.ls Logo

Philips MCD263 - Page 11

Philips MCD263
24 pages
Print Icon
To Next Page IconTo Next Page
To Next Page IconTo Next Page
To Previous Page IconTo Previous Page
To Previous Page IconTo Previous Page
Loading...
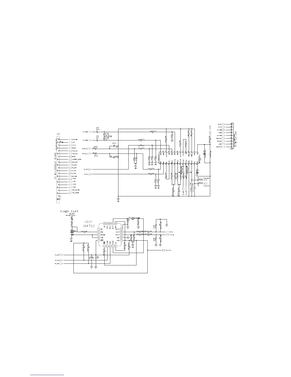
CIRCUIT DIAGRAM-MAIN BOARD
EQ/TUNER SECTION
6-2 6-2

Related product manuals