EasyManua.ls Logo

Philips MCD716 - Page 23

Philips MCD716
43 pages
Print Icon
To Next Page IconTo Next Page
To Next Page IconTo Next Page
To Previous Page IconTo Previous Page
To Previous Page IconTo Previous Page
Loading...
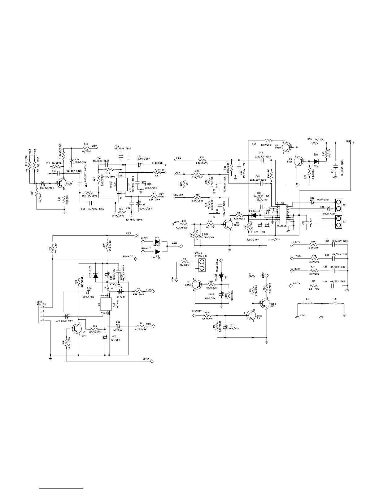
POWER BOARD - CIRCUIT DIAGRAM - PART2
11-2
11-2

Other manuals for Philips MCD716

Related product manuals