EasyManua.ls Logo

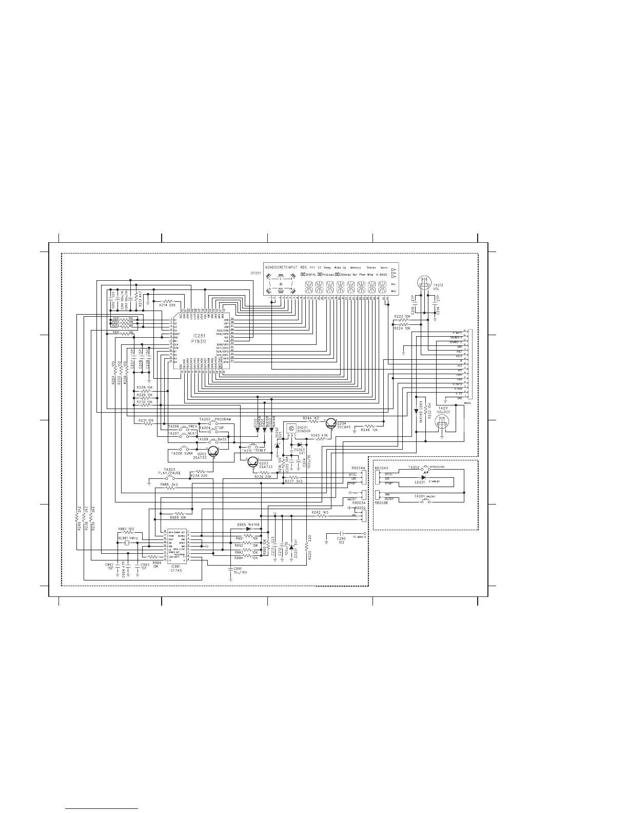
Philips MX3550D/37S - Circuit Diagram

Philips MX3550D/37S
63 pages
Print Icon
To Next Page IconTo Next Page
To Next Page IconTo Next Page
To Previous Page IconTo Previous Page
To Previous Page IconTo Previous Page
Loading...
5-3 5-3
12 34
12 34
A
B
C
D
A
B
C
D
C201 A1
C202 A1
C203 A1
C204 C3
C205 C3
C207 B1
C208 B1
C209 B1
C212 D3
C213 D3
C214 A4
C215 A4
C295 D3
C991 D2
C992 D1
C993 D1
C994 D1
D201 C2
D202 C2
D203 C3
D204 B4
D985 D2
DP251 A2
IC251 B2
IC981 D2
LD20 C4
Q202 C2
Q203 C2
Q204 C3
R201 A1
R202 A1
R203 A1
R204 B1
R205 B1
R206 B1
R213 A1
R214 A2
R216 C3
R223 A4
R224 A4
R227 C3
R228 B1
R229 B1
R230 B1
R231 C1
R232 B4
R234 C2
R236 C2
R238 D1
R239 D1
R240 D1
R241 A1
R242 D3
R244 B3
R225 D3
R245 C3
R246 C3
R250 C2
R251 C2
R984 D1
R987 D1
R988 C2
R989 D2
R991 D2
R992 D2
R993 D2
R994 D2
R995 D2
RB201 B4
RB202 D3
RB203A C3
RB203B C4
RB204A C3
RB204B C4
SN201 C3
TA201 C4
TA202 C4
TA203 C1
TA204 C2
TA205 B2
TA206 C2
TA207 C2
TA208 C2
TA209 C2
TA210 C2
TA211 B4
TA212 A4
XL981 D1
ZD201 D3
ZD202 C3
ZD203 C3
0V
0V
0V
0V
4.9V
4.9V
0V
5V
5V
0V
0V
0V
0V
5.1V 2.8V
0V
0V
0V
5.1V
5.1V
5.1V
5.1V
-20.4V
-20.4V
-20.4V
-15.6V
-15.6V
-20.4V
-20.4V
-20.4V
-20.4V
-20.4V
-20.4V
-20.4V
-20.4V
-20.4V
-20.4V
-20.4V
0V
0V
-11.6V
-7.3V
-20.4V
-21.9V
-20.0V
-12.7V
-14.5V
-0.8V
-14.5V
-21.5V
-20.0V
-20.0V
-14.5V
-12.7V
-21.9V
-21.5V
-15.5V
-15.5V
-21.6V
-20V
-14.6V
-10.9V
-21.9V
-21.9V
-21.9V
-16.4V
-20.1V
-16.4V
-14.6V
-20.1V
-22.1V
-20.1V
-9.1V
-12.9V
-20.4V
-20.4V
5V
-20.4V
-20.4V
-20.4V
-20.4V
-20.4V
-20.4V
-20.4V
5V
5V
0V
5V
5V
0V
0V
4.4V
0V
CIRCUIT DIAGRAM

Related product manuals