EasyManua.ls Logo

Philips MX5100VR/00 - Page 34

Philips MX5100VR/00
151 pages
Print Icon
To Next Page IconTo Next Page
To Next Page IconTo Next Page
To Previous Page IconTo Previous Page
To Previous Page IconTo Previous Page
Loading...
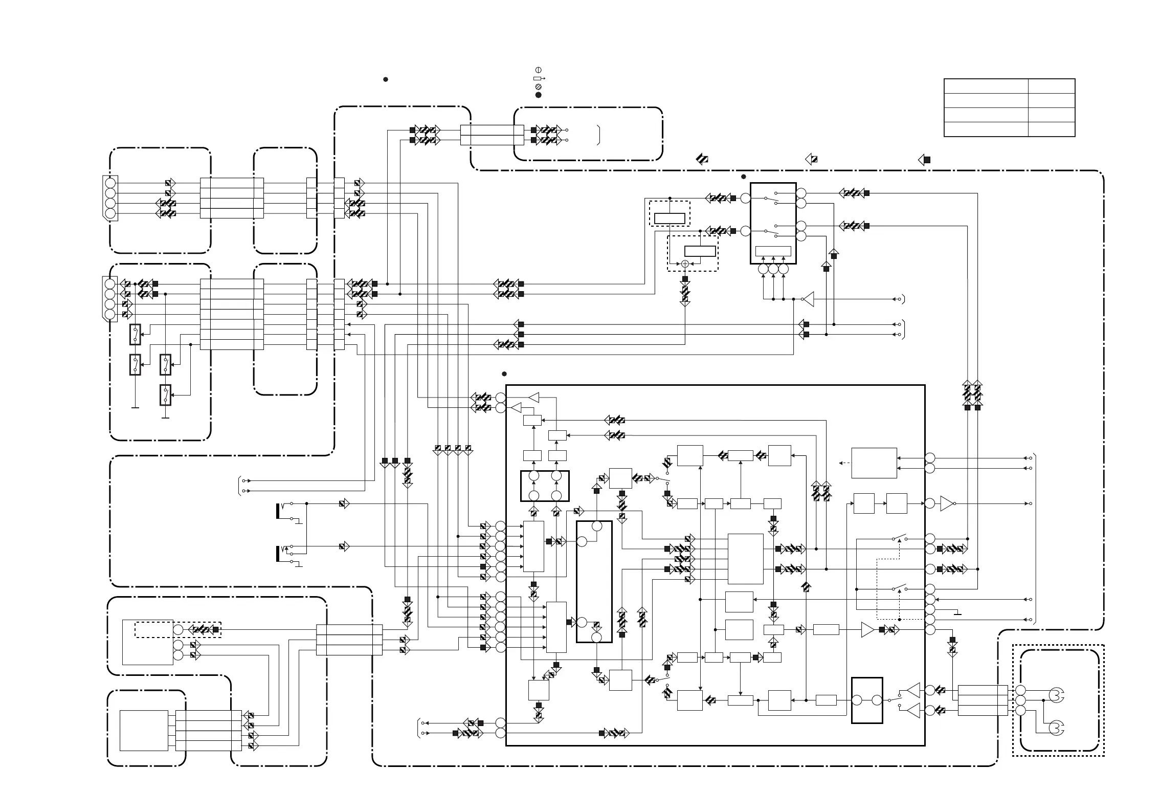
Hi-Fi Audio Block Diagram
E9015BLH1-11-7 1-11-8
REC-AUDIO SIGNALPB-AUDIO SIGNAL Mode : SP/RECDVD AUDIO SIGNAL
NOTE FOR WIRE CONNECTORS:
1. PREFIX SYMBOL "CN" MEANS CONNECTOR.
(CAN DISCONNECT AND RECONNECT.)
2. PREFIX SYMBOL "CL" MEANS WIRE-SOLDER
HOLES OF THE PCB.
(WIRE IS SOLDERED DIRECTLY.)
TEST POINT INFORMATION
:INDICATES A TEST POINT WITH A JUMPER WIRE ACROSS A HOLE IN THE PCB.
:USED TO INDICATE A TEST POINT WITH A COMPONENT LEAD ON FOIL SIDE.
:USED TO INDICATE A TEST POINT WITH NO TEST PIN.
:USED TO INDICATE A TEST POINT WITH A TEST PIN.
" " = SMD
Comparison Chart of
Models & Marks
Model Mark
MX5100VR/00
MX5100VR/05
MX5100VR/02
A
B
C
DAC CBA
48
47
61 71
62 70
14
15
78
R-CH
INSEL
L-CH
INSEL
IF SINAL
PROCESS
NOR
SW
SERIAL
DATA
DECODER
OUTPUT
SELECT
VCO
LPF
L-CH
BPF
R-CH
PNR
L-CH
PNR
LIM DEV
COMP
SW
NOISE
VCO
LPF
LIM DEV
COMP
COMP
SW
NOISE
ENV
DET
DO
DET
MIX
R-CH
BPF
P
R
R
L
P
R
HOLD
PULSE
NOISE
DET
34 33
21
76
77
74
37
38
39
75
73
26
53
24
27
N-A-REC
LIM
80
N-A-PB
Hi-Fi-H-SW
LINE-MUTE
A-MODE
TO AUDIO
BLOCK
IIC-BUS SDA
IIC-BUS SCL
TO
SERVO/ SYSTEM
CONTROL BLOCK
MAIN CBA
Hi-Fi-A(R) 7
Hi-Fi-COM 8
Hi-Fi-A(L) 9
CL251
IC451 (MTS/ SAP/ Hi-Fi AUDIO PROCESS/ Hi-Fi HEAD AMP)
AFV CBA
2
6
1
3
JK1402
A-IN2(R)
A-IN2(L)
A-OUT2(R)
A-OUT2(L)
1
3
2
6
JK101
A-OUT1(R)
A-OUT1(L)
A-IN1(R)
A-IN1(L)
TU-AUDIO(R)
11
MOD-A
20
TU-AUDIO(L)
12
11
20
12
TU-AUDIO(R)
4
SIF
2
TU-AUDIO(L)
5
4
2
5
TU-AUDIO
11
CN1
CN701
21
22
2
ALC
SW
SW
ALC
67
65
Q451
MUTE-ON
MUTE-ON
A-MUTE(R)
A-MUTE(L)
2CH(R)
2CH(L)
JK754
A-IN(R)-F
JK753
A-IN(L)-F
IC751 (SW)
13
12
14
15
1
2
11109
SW CTL
BUFFER
BUFFER
Q107
Q108
Q752
VCR
DVD
VCR
DVD
OUTPUT-SELECT
DVD-A-OUT(R)
DVD-A-OUT(L)
TO DVD AUDIO
BLOCK
<DVD SECTION>
TO SERVO
/SYSTEM
CONTROL
BLOCK
50
60
58
2
52
56
6
10
4
12
54
8
JACK-B CBA
JACK-A CBA
2CH (R)
4
2CH (L)
2
4
2
A-OUT1(R)
4
A-OUT1(L)
5
4
5
A-IN1(R)
7
A-IN1(L)
8
7
8
A-MUTE(R)
1
A-MUTE(L)
2
1
2
OUTPUT-SELECT
33
CN2017
CN7104
CL2018
CN2018CN2120CL2119
CN7103
CN2118
Hi-Fi
AUDIO
(R)
HEAD
Hi-Fi
AUDIO
(L)
HEAD
CYLINDER
ASSEMBLY
(DECK ASSEMBLY)
TUNER CBA
CN703
AUDIO OUT
TU701(TUNER UNIT)
AUDIO-IN
SIF OUT
4
5
7
8
4
5
1
2
4
5
1
2
1
2
3
4
5
7
8
1
2
3
JUNCTION
-A CBA
CL2116CN2115
JUNCTION
-B CBA
Q111
Q112 Q113
Q114
TO AUDIO AMP
BLOCK
TO DVD AUDIO
BLOCK
<DVD SECTION>
A-IN2(R)
4
A-IN2(L)
5
4
5
A-OUT2(R)
1
A-OUT2(L)
2
1
2
87%
CN702
A,B
A,B
A,B
DAC CBA
48
47
61 71
62 70
14
15
78
R-CH
INSEL
L-CH
INSEL
IF SINAL
PROCESS
NOR
SW
SERIAL
DATA
DECODER
OUTPUT
SELECT
VCO
LPF
L-CH
BPF
R-CH
PNR
L-CH
PNR
LIM DEV
COMP
SW
NOISE
VCO
LPF
LIM DEV
COMP
COMP
SW
NOISE
ENV
DET
DO
DET
MIX
R-CH
BPF
P
R
R
L
P
R
HOLD
PULSE
NOISE
DET
34 33
21
76
77
74
37
38
39
75
73
26
53
24
27
N-A-REC
LIM
80
N-A-PB
Hi-Fi-H-SW
LINE-MUTE
A-MODE
TO AUDIO
BLOCK
IIC-BUS SDA
IIC-BUS SCL
TO
SERVO/ SYSTEM
CONTROL BLOCK
MAIN CBA
Hi-Fi-A(R) 7
Hi-Fi-COM 8
Hi-Fi-A(L) 9
CL251
IC451 (MTS/ SAP/ Hi-Fi AUDIO PROCESS/ Hi-Fi HEAD AMP)
AFV CBA
2
6
1
3
JK1402
A-IN2(R)
A-IN2(L)
A-OUT2(R)
A-OUT2(L)
1
3
2
6
JK101
A-OUT1(R)
A-OUT1(L)
A-IN1(R)
A-IN1(L)
TU-AUDIO(R)
11
MOD-A
20
TU-AUDIO(L)
12
11
20
12
TU-AUDIO(R)
4
SIF
2
TU-AUDIO(L)
5
4
2
5
TU-AUDIO
11
CN1 CN701
21
22
2
ALC
SW
SW
ALC
67
65
Q451
MUTE-ON
MUTE-ON
A-MUTE(R)
A-MUTE(L)
2CH(R)
2CH(L)
JK754
A-IN(R)-F
JK753
A-IN(L)-F
IC751 (SW)
13
12
14
15
1
2
11109
SW CTL
BUFFER
BUFFER
Q107
Q108
Q752
VCR
DVD
VCR
DVD
OUTPUT-SELECT
DVD-A-OUT(R)
DVD-A-OUT(L)
TO DVD AUDIO
BLOCK
<DVD SECTION>
TO SERVO
/SYSTEM
CONTROL
BLOCK
50
60
58
2
52
56
6
10
4
12
54
8
JACK-B CBA
JACK-A CBA
2CH (R)
4
2CH (L)
2
4
2
A-OUT1(R)
4
A-OUT1(L)
5
4
5
A-IN1(R)
7
A-IN1(L)
8
7
8
A-MUTE(R)
1
A-MUTE(L)
2
1
2
OUTPUT-SELECT
33
CN2017
CN7104
CL2117
CN2018CN2120CL2119
CN7103
CL2118
Hi-Fi
AUDIO
(R)
HEAD
Hi-Fi
AUDIO
(L)
HEAD
CYLINDER
ASSEMBLY
(DECK ASSEMBLY)
TUNER CBA
CN703
AUDIO OUT
TU701(TUNER UNIT)
AUDIO-IN
SIF OUT
4
5
7
8
4
5
1
2
4
5
1
2
1
2
3
4
5
7
8
1
2
3
JUNCTION
-A CBA
CL2116CN2115
JUNCTION
-B CBA
Q111
Q112 Q113
Q114
TO AUDIO AMP
BLOCK
TO DVD AUDIO
BLOCK
<DVD SECTION>
A-IN2(R)
4
A-IN2(L)
5
4
5
A-OUT2(R)
1
A-OUT2(L)
2
1
2
CN702
A,B
A,B
A,B

Related product manuals