EasyManua.ls Logo

Philips MX5100VR/00 - Page 33

Philips MX5100VR/00
151 pages
Print Icon
To Next Page IconTo Next Page
To Next Page IconTo Next Page
To Previous Page IconTo Previous Page
To Previous Page IconTo Previous Page
Loading...
1 1KEY 2
KEY SWITCH
CL507 CN651
FUNCTION CBA
IC571
(FIP DRIVER)
DISP-DATA
DISP-CLK
DISP-ENA
DISP-DATA
DISP-CLK
DISP-ENA
FP502
LED CLOCK
G1
G2
G3
G4
A
B
H
I
J
23
22
21
28
2
1
68
69
70
20
14
16
17
7
8
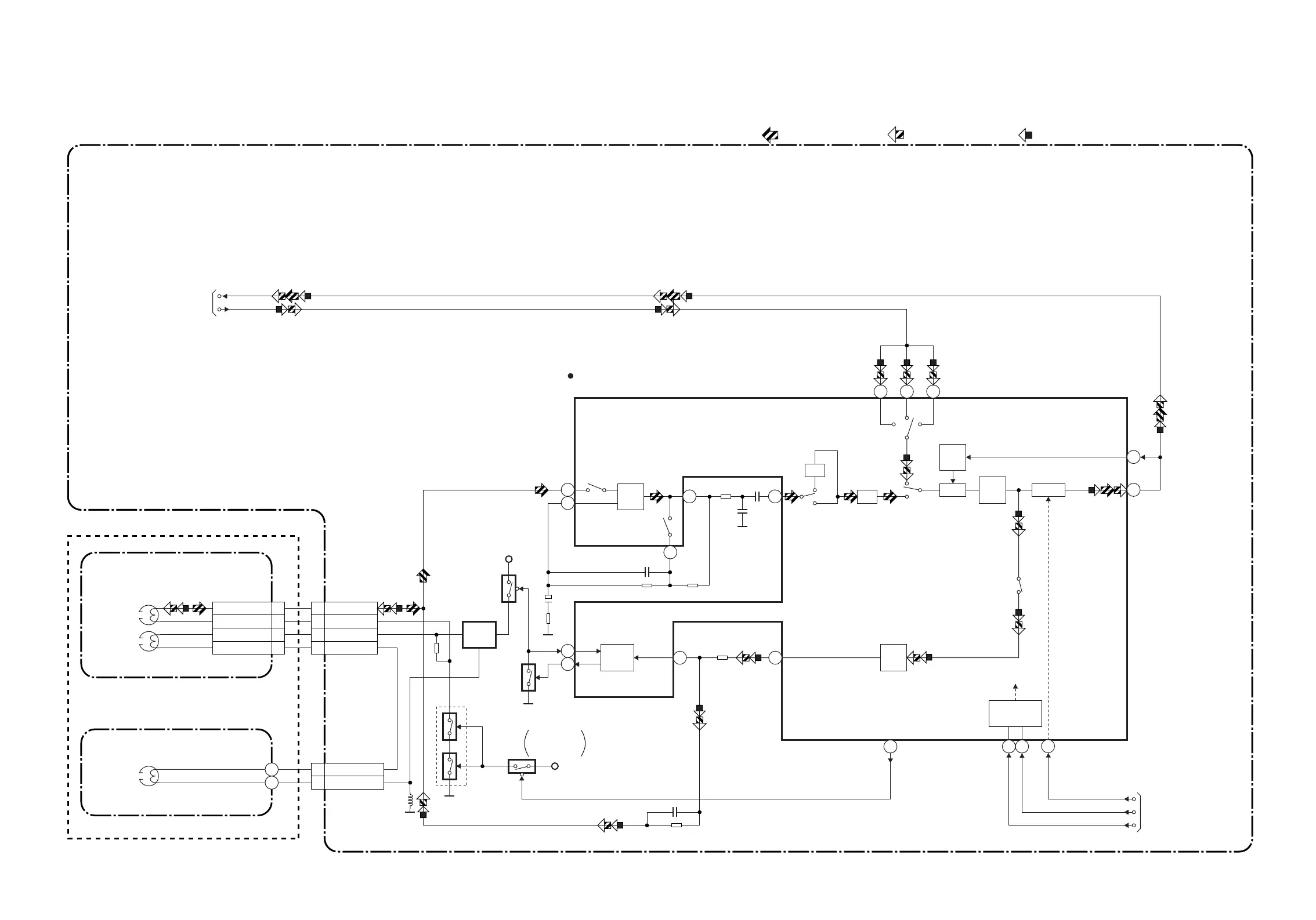
Audio Block Diagram
REC
AMP
100
3
AUTO
BIAS
2
1
+5V
+5V
Q404
Q406
BIAS
OSC
Q403
N-A-PB
TO Hi-Fi
AUDIO BLOCK
N-A-REC
Q401
(PB=ON)
Q405
SWITCHING
D-REC-OFF
5
EQ
AMP
98
7
LINE
AMP
REC-ON
AUDIO HD-SW
CONTROL
MUTE
11
6
PB-ON
SP/LP-ON
P
TUNER IN2
IN1
R
ALC
DET
ALC
IC301
(AUDIO SIGNAL PROCESS) 1513 17
4 A-PB/REC
CL504
3 A-COM
1 AE-H
2 AE-H/FE-H
A-PB/REC 4
A-COM 3
AE-H 1
AE-H/FE-H 2
CL287
AUDIO
HEAD
AUDIO
ERASE
HEAD
ACE HEAD ASSEMBLY
FE HEAD
2 FE-H
1 FE-H-GND
CL501
1-11-5 1-11-6 E9015BLA
MAIN CBA
PB-AUDIO SIGNAL REC-AUDIO SIGNAL Mode : SP/REC
71
A-MUTE-H
IIC-BUS SCL
IIC-BUS SDA TO SERVO/SYSTEM
CONTROL BLOCK
FULL
ERASE
HEAD
68 69
SERIAL
DECODER
(DECK ASSEMBLY)
12
16
INV
ATT
DVD AUDIO SIGNAL

Related product manuals