EasyManua.ls Logo

Philips MX5100VR/00 - Page 77

Philips MX5100VR/00
151 pages
Print Icon
To Next Page IconTo Next Page
To Next Page IconTo Next Page
To Previous Page IconTo Previous Page
To Previous Page IconTo Previous Page
Loading...
1-12-65
1-12-66
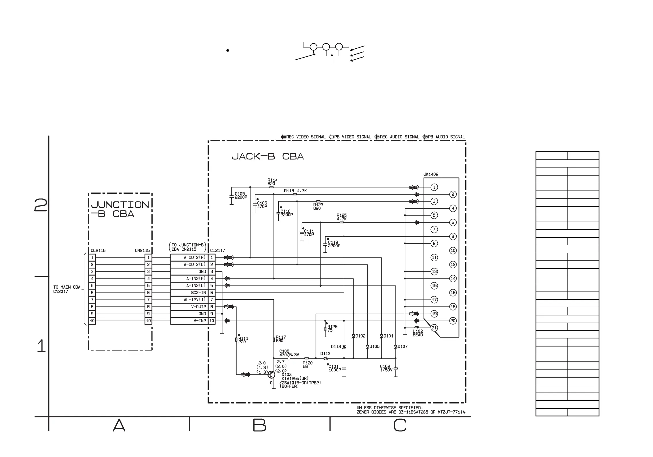
JACK-B & Junction-B Schematic Diagram < VCR Section >
E9015SCJB
JACK-B Schematic Diagram
Parts Location Guide
Ref No. Position
C101 C-1
C102 C-1
C105 B-2
C106 B-2
C108 B-1
C110 B-2
C111 B-2
C119 B-2
CL2117 A-2
D101 C-1
D102 C-1
D105 C-1
D107 C-1
D112 B-1
D113 C-1
L102 C-1
Q103 B-1
R111 B-1
R114 B-2
R117 B-1
R118 B-2
R120 B-1
R123 B-2
R125 C-2
R126 B-1
JK1402 C-2
CONNECTOR
CAPACITORS
DIODES
RESISTORS
TRANSISTOR
COIL
MISCELLANEOUS
ā€œ ā€œ = SMD
THE SAME VOLTAGE FOR BOTH
PLAY, REC & DVD MODES.
INDICATES THAT THE VOLTAGE
IS NOT CONSISTENT HERE.
PLAY MODE
REC MODE
1
2
3
5.0
5.0
(2.5)
<5.0>
~
DVD MODE

Related product manuals