EasyManua.ls Logo

Philips MX5100VR/00 - Page 80

Philips MX5100VR/00
151 pages
Print Icon
To Next Page IconTo Next Page
To Next Page IconTo Next Page
To Previous Page IconTo Previous Page
To Previous Page IconTo Previous Page
Loading...
1-12-71
1-12-72
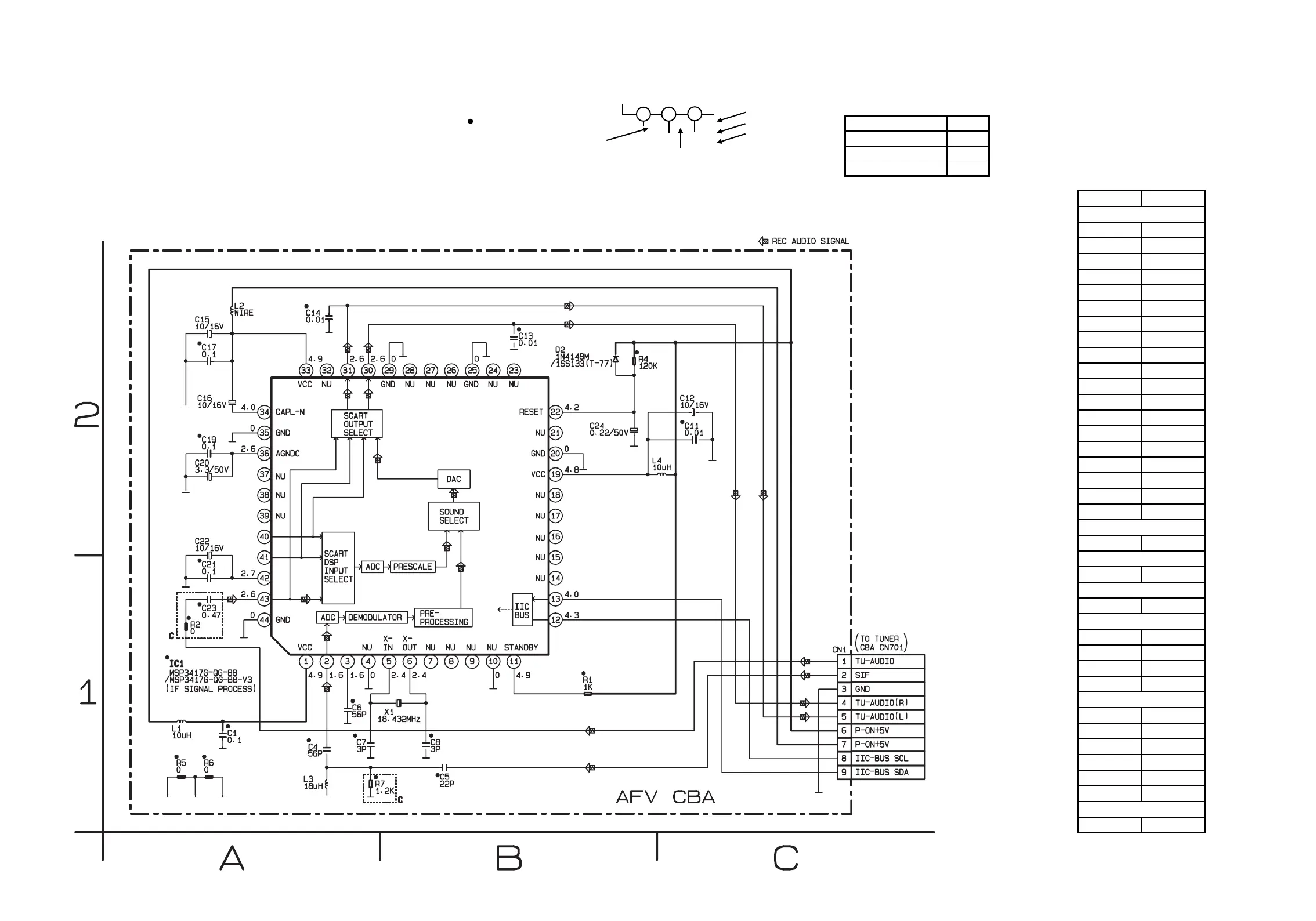
AFV Schematic Diagram < VCR Section >
E9015SCAFV
ā€œ ā€œ = SMD
THE SAME VOLTAGE FOR BOTH
PLAY, REC & DVD MODES.
INDICATES THAT THE VOLTAGE
IS NOT CONSISTENT HERE.
PLAY MODE
REC MODE
1
2
3
5.0
5.0
(2.5)
<5.0>
~
DVD MODE
AFV Schematic Diagram
Parts Location Guide
Ref No. Position
C1 A-1
C4 A-1
C5 B-1
C6 A-1
C7 A-1
C8 B-1
C11 C-2
C12 C-2
C13 B-2
C14 A-2
C15 A-2
C16 A-2
C17 A-2
C19 A-2
C20 A-2
C21 A-1
C22 A-2
C23 A-1
C24 B-2
CN1 C-1
D2 B-2
IC1 A-1
L1 A-1
L2 A-2
L3 A-1
L4 C-2
R1 B-1
R2 A-1
R4 B-2
R5 A-1
R6 A-1
R7 A-1
X1 B-1
CAPACITORS
CONNECTOR
RESISTORS
COILS
IC
MISCELLANEOUS
DIODE
Comparison Chart of
Models and Marks
MODEL MARK
MX5100VR/00 A
MX5100VR/05 B
MX5100VR/02 C

Related product manuals