EasyManua.ls Logo

Philips Perfect Draft HD3620/20 - Repair Instructions; Electrical Circuit Overview; Appliance Working Principle

Philips Perfect Draft HD3620/20
13 pages
Print Icon
To Next Page IconTo Next Page
To Next Page IconTo Next Page
To Previous Page IconTo Previous Page
To Previous Page IconTo Previous Page
Loading...
HD3620/20
3-13
Electrical circuit:
- When the appliance does not work, check the electrical circuit.
REPAIR INSTRUCTIONS
Working principle of the appliance
- Hereby a short description of the working principle.
- Beer, the Beer is stored in a plastic bag inside the Keg, see picture 5.
- The Beer only comes in contact with the tube connector and never with the appliance.
- When the tap unit and tube connector are connected on the Keg and the Keg is placed in the appliance, the Keg present switch
will be activated.
- Once the appliance is activated after approximately 10 seconds you will hear a pump running.
- The task of this pump is to fill the space between the plastic bag and the walls of the Keg with air and create an overpressure
(± 1500 mBar).
- Through the over pressure around the plastic bag (comparable like you squeeze into the plastic bag) the Beer will be pressurized
(sort of ) as well.
- By pulling the tap handle the tube connector hose will become opened and the Beer will flow out of the plastic bag via the tube
connector in to the glass.
- After this cycle the pump will start running to get back in the overpressure situation like described before.
- When the Keg present switch has been actuated also the cooling process (Peltier element) will be started and display functions
become visible.
- The temperature is measured by a NTC located near the Keg present plunger.
- The volume indication is based on the principle of a pressure drop measured by the pressure sensor.
The speed and value of the pressure drop will be calculated in an algorithm, the outcome will be represented as volume on the
display.
- When pouring Beer, the pressure in the KEG will decrease, the amount the pressure decrease in a period of time will be calculated
through the system and indicated as volume on the display.
- The volume indication is dived in 9 steps.
- The Beer Freshness indicator is a day counter (24 h) and can be adjusted with the + and button. (default 30days)
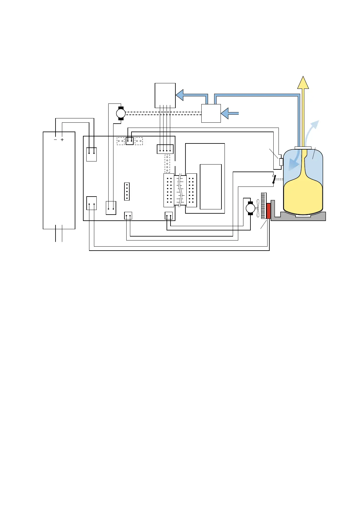
J1
J2
J3
J5
J4
10.5 V
Power supply
Interface board
(rear panel)
Process block diagram of the appliance
Mains
(120 V or 230 V)
Pressure
Sensor
PCB
Display PCB
(Front panel)
Display
Keg present
switch
Keg
Air
pump
Air inlet
J6
J12J11
J14
J10
J8
J7
J9
NTC
Heatsink
Fan
Peltier
Chillerplate
Beer in
plastic bag
Beer outlet
Compressed
air
Keg fill air
release
M
M
Picture 5.

Related product manuals