EasyManua.ls Logo

Philips PM 5101 - Page 25

Philips PM 5101
28 pages
Print Icon
To Next Page IconTo Next Page
To Next Page IconTo Next Page
To Previous Page IconTo Previous Page
To Previous Page IconTo Previous Page
Loading...
25
~
~
~
'
,
:.L
~----:----<-
SK
3
Cll
......
__
.!.:...ooI~5
~
Rlb/SK2
PEM
4933
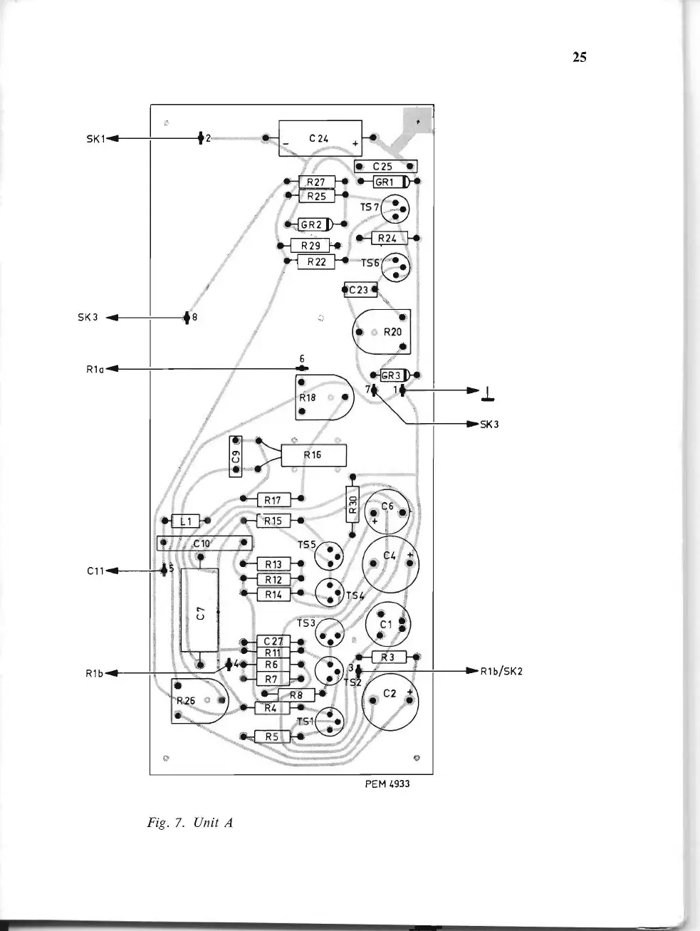
Fig.
7.
Unit A