EasyManua.ls Logo

Philips TDA2616 - Page 3

Philips TDA2616
12 pages
Print Icon
To Next Page IconTo Next Page
To Next Page IconTo Next Page
To Previous Page IconTo Previous Page
To Previous Page IconTo Previous Page
Loading...
July 1994 3
Philips Semiconductors Product specification
2 x 12 W hi-fi audio power amplifiers with
mute
TDA2616/TDA2616Q
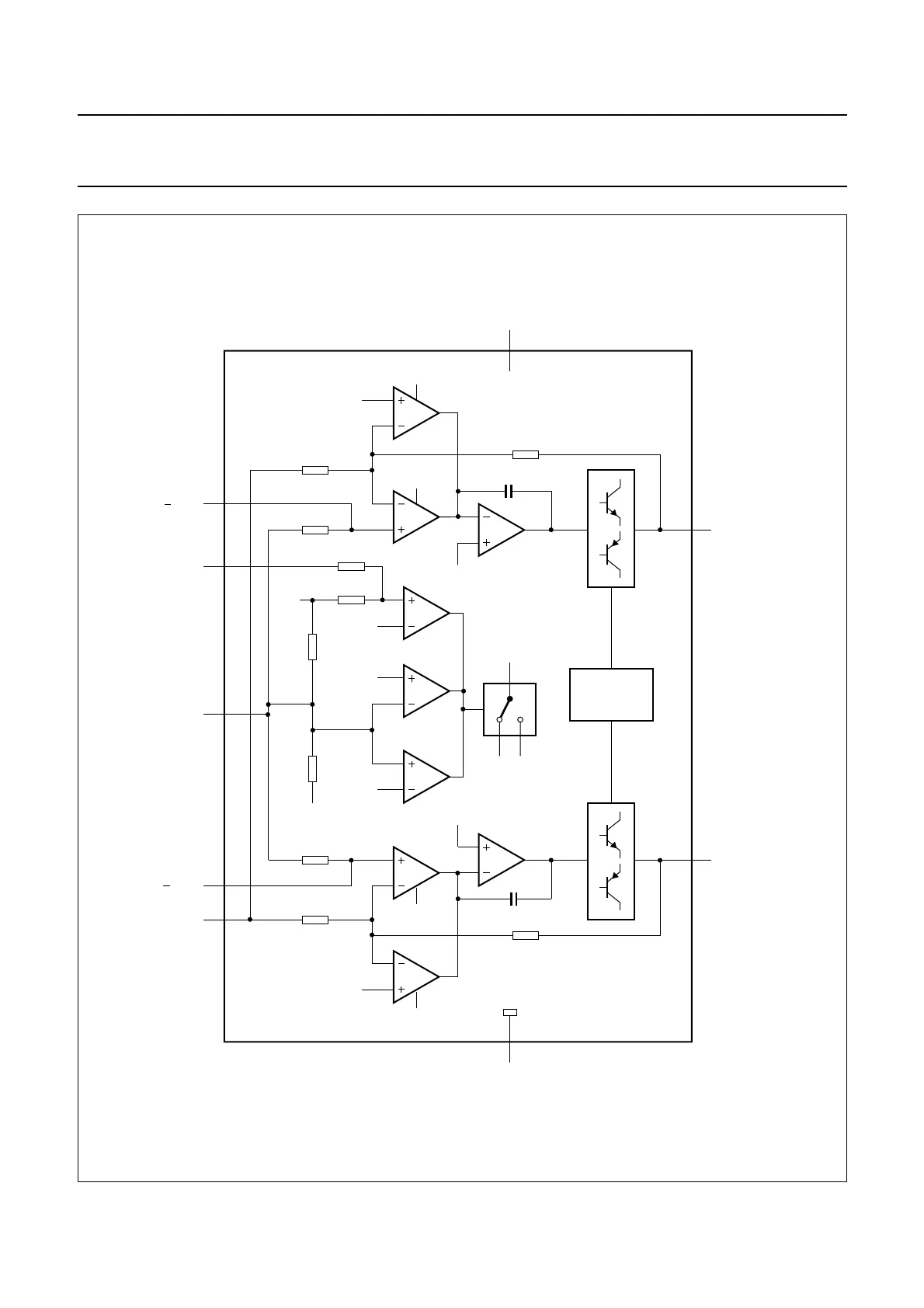
Fig.1 Block diagram.
handbook, full pagewidth
MCD375 - 1
5
voltage
comparator
4
4 k
10 k
P
– V
P
+ V
THERMAL
PROTECTION
5 k
1
CM
20 k
V
A
B
V
P
– V
680
20 k
10 k
V
A
B
V
P
+ V
ref1
V
ref3
V
ref2
+ V
ref2
– V
P
+ V
CM
20 k
V
A
B
V
P
– V
680
20 k
ref1
V
ref1
V
6
P
– V
8
9
3
2
TDA2616
INV1
MUTE
1/2 V / GND
OUT1
OUT2
INV1, 2
INV2
P
7

Related product manuals