EasyManua.ls Logo

Philips TPM9.1LA - System Block Diagram 3000

Philips TPM9.1LA
61 pages
Print Icon
To Next Page IconTo Next Page
To Next Page IconTo Next Page
To Previous Page IconTo Previous Page
To Previous Page IconTo Previous Page
Loading...
Block Diagrams
EN 37TPM9.2L LA 9.
2012-Mar-30
back to
div. table
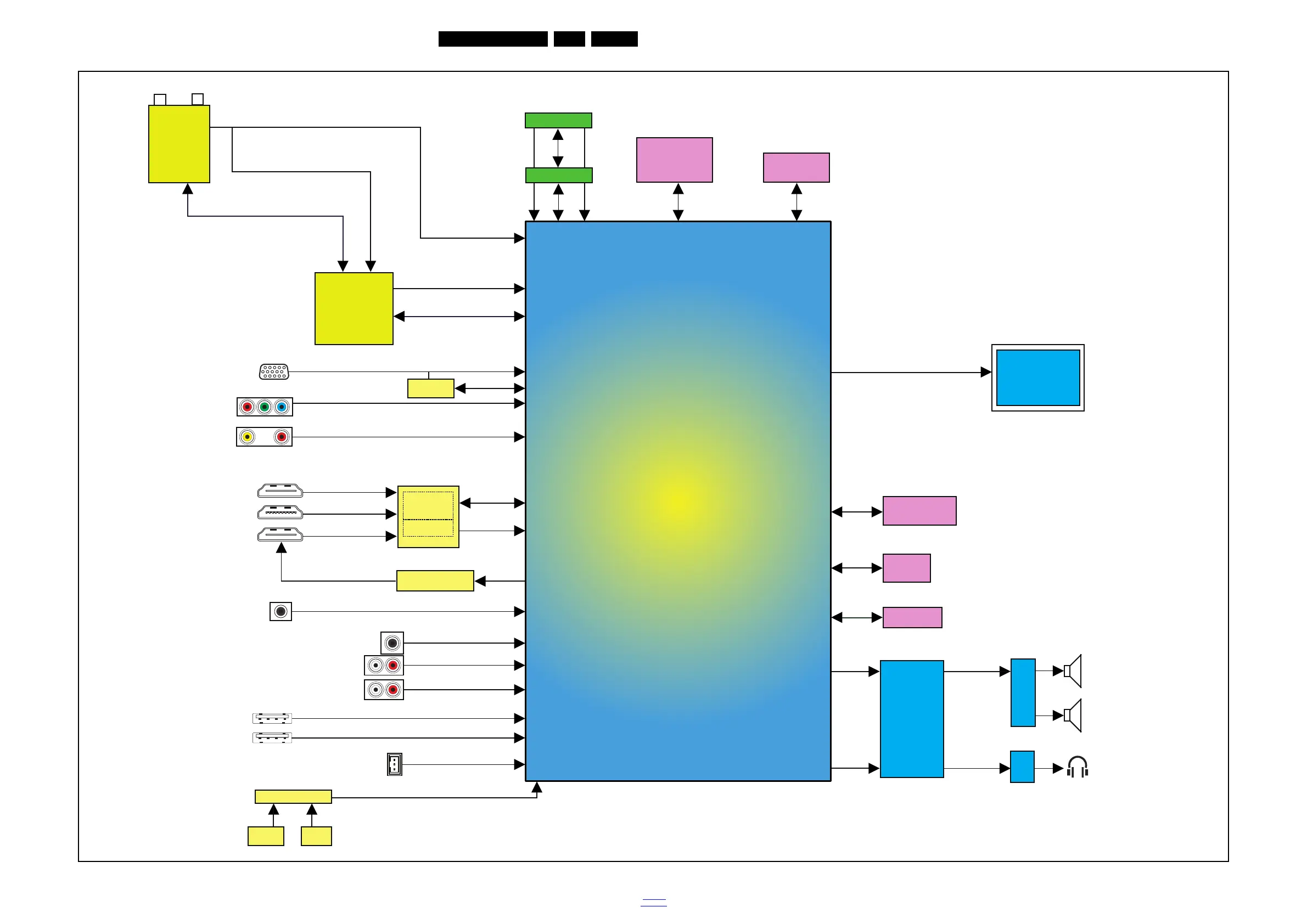
9.3 Block Diagram 3000
19250_402_120330.eps
120330
RF Tuner for
PAL/ISDB-T
HDMI DDC
IF(+/-) for PAL/SECAM
IF(+/-) for ISDB_T
VGA DDC
HDMI I
2
C
Switch
SN74LVC1G125DBVR
SPDIF
HY27UF082G2B
ARC(Audio Return Channel) for HDMI
H5TQ1G63DFR-H9C
Right Speaker
NAND FLASH 256 MB
× 2
Multimedia & debug, sw code download
USB(Multimedia)
Headphone
Headphone R/L
R/L PWM
Speaker R/L
RCA(AV)
RCA(AV R/L)
RCA(YPBPR R/L)
PHONE JACK(PC R/L)
SPDIF_OUT
SPDIF_OUT
R/L I
2
S
LCD panel T-CON
CN409 FPC Connector
CN408 for 26" to 40" WXGA, (Full HD) Panel
LVD S (50/60 Hz)
CN407
CN602
CN601
CN410
UART(TX/RX)
USB 2.0
Multimedia & debug, sw code download
USB(Multimedia)
SYSTEM EEPROM
M24C32
HDMI3
HDMI2
HDMI1
I
2
C
VGA EEPROM
M24C02
D-SUB(PC IN)
VGA
I
2
C
RESET Circuit
MAX809STRG
NC
NOR FLASH 64 MB
MX25L6445EM2I-10G
DC POWER
5V
5V
+24V(16V)
12V
TMDS
HDMI switch
I
2
C
SPI
DDRIII/1 Gb/ 1333 MHz
SUT-RB211T
IR-LED
UART 3pin
USB 2.0
Keyboard
MT5366CVNG
AUDIO AMP
Left Speaker
STA 381BW
Class-D amplifier
YPbPr
CVBS
RCA(YPBPR)
SII9185ACTU
[RX0 : RX3]
CXD2828
ISDB_T
Demodulator
TS DATA OUT(SERIAL)
CN701