EasyManua.ls Logo

Philips Video Camera - Single User with Two Multiplexer

Philips Video Camera
34 pages
Print Icon
To Next Page IconTo Next Page
To Next Page IconTo Next Page
To Previous Page IconTo Previous Page
To Previous Page IconTo Previous Page
Loading...
8
9
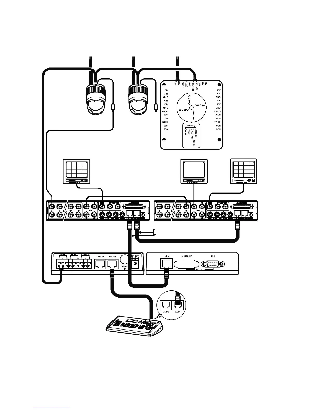
2.2.2 Single User with Two Multiplexer
Figure 6 - Two Multiplexer
Rear
Keyboard controller
Power
24VAC
BNC
1st Main Monitor
BNC
BNC
RS-485 (–) Pin No. 4
RS-485 (+) Pin No. 6
J-Box (Back) J-Box (Front)
AWG #24
Power
24VAC
Power
24VAC
Spot Monitor
1st Multiplexer
BNC
2nd Multiplexer
2nd Main Monitor
Spot output of the rst multiplexer to be connected
to 16
th
input of the second multiplexer.
And rst spot output of the 2
nd
multiplexer to be
connected to the spot monitor. You will see tthe
picture of the selected camera (1-31) on spot
monitor by selecting camera No. + Cam.

Related product manuals