EasyManua.ls Logo

Philips VR140/02 - Page 32

Philips VR140/02
92 pages
Print Icon
To Next Page IconTo Next Page
To Next Page IconTo Next Page
To Previous Page IconTo Previous Page
To Previous Page IconTo Previous Page
Loading...
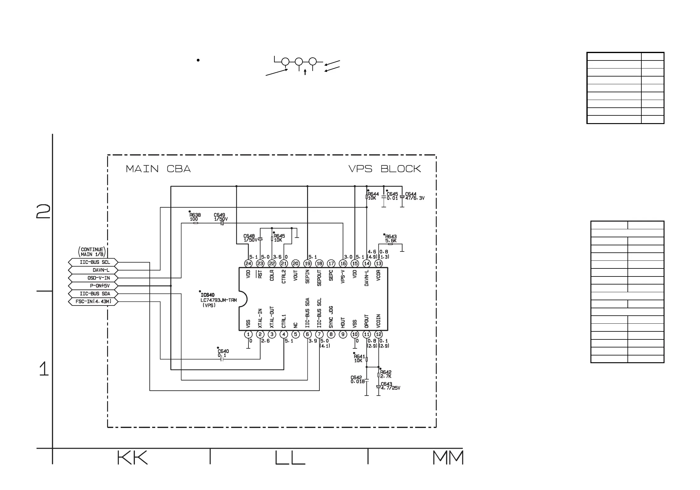
Main 8/8 Schematic Diagram ( R, S, T, U )
1-10-50
1-10-51
HE490SCM8
THE SAME VOLTAGE FOR
BOTH PLAY & REC MODES.
INDICATES THAT THE VOLTAGE
IS NOT CONSISTENT HERE.
MODE: SP/REC
PLAY MODE
REC MODE
1
2
3
5.0
5.0
(2.5)
~
ā€œ ā€œ = SMD
Comparison Chart of
Models and Marks
MODEL MARK
VR140/02 N
VR140/07 O
VR140/39 P
VR140/58 Q
VR840/07 R
VR840/16 S
VR840/39 T
VR840/58 U
MAIN 8/8 Schematic Diagram
Parts Location Guide
Ref No. Position
C640 LL-1
C642 LL-1
C643 MM-1
C644 MM-2
C645 MM-2
C648 LL-2
C649 LL-2
IC640 LL-1
R638 KK-2
R641 LL-1
R642 MM-1
R643 MM-2
R644 MM-2
R645 LL-2
CAPACITORS
ICS
RESISTORS

Related product manuals