EasyManua.ls Logo

Philips VR140/02 - Page 33

Philips VR140/02
92 pages
Print Icon
To Next Page IconTo Next Page
To Next Page IconTo Next Page
To Previous Page IconTo Previous Page
To Previous Page IconTo Previous Page
Loading...
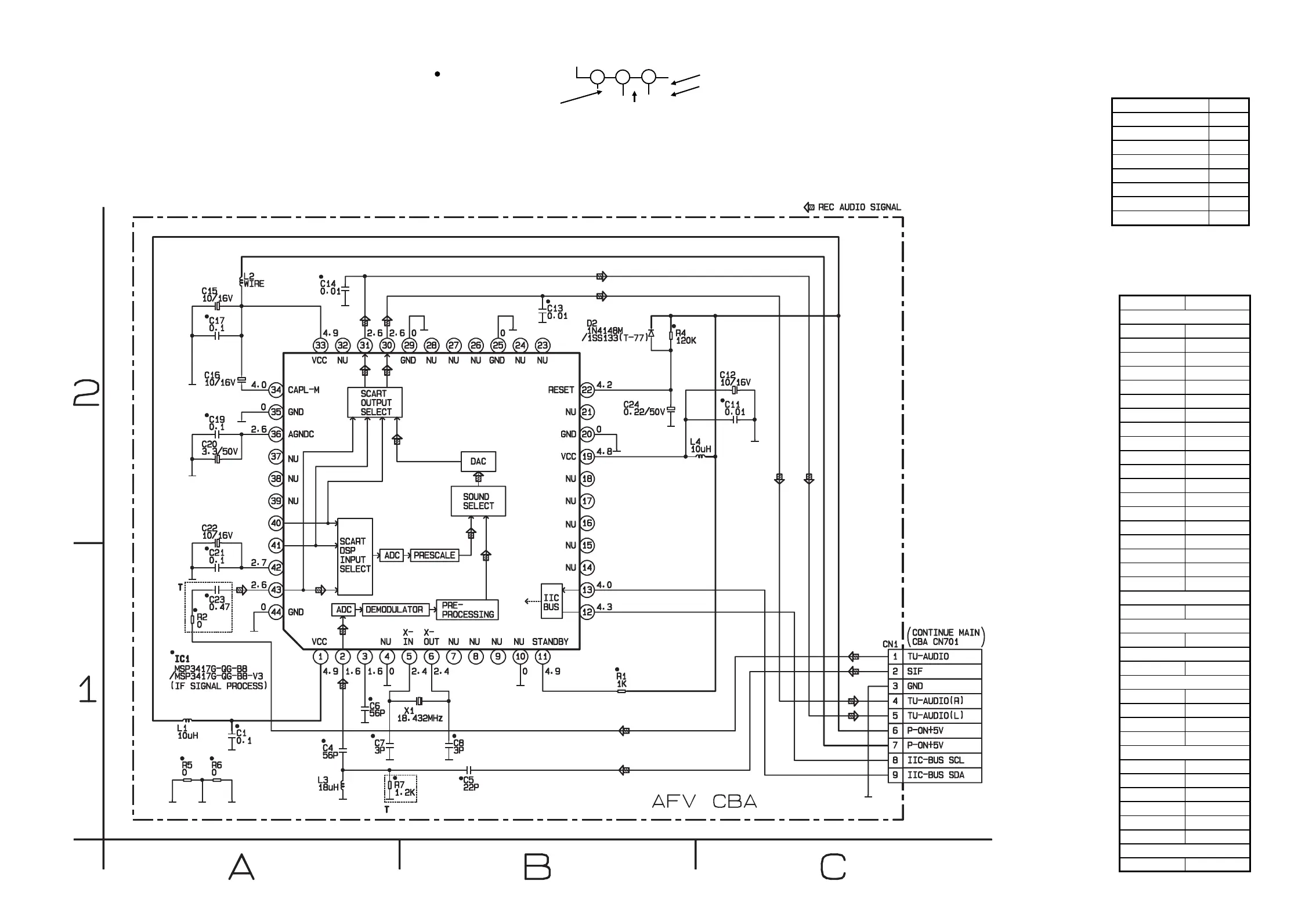
AFV Schematic Diagram ( R, S, T, U )
1-10-52
1-10-53
HE490AFV
THE SAME VOLTAGE FOR
BOTH PLAY & REC MODES.
INDICATES THAT THE VOLTAGE
IS NOT CONSISTENT HERE.
MODE: SP/REC
PLAY MODE
REC MODE
1
2
3
5.0
5.0
(2.5)
~
ā€œ ā€œ = SMD
Comparison Chart of
Models and Marks
MODEL MARK
VR140/02 N
VR140/07 O
VR140/39 P
VR140/58 Q
VR840/07 R
VR840/16 S
VR840/39 T
VR840/58 U
AFV Schematic Diagram
Parts Location Guide
Ref No. Position
C1 A-1
C4 A-1
C5 B-1
C6 A-1
C7 A-1
C8 B-1
C11 C-2
C12 C-2
C13 B-2
C14 A-2
C15 A-2
C16 A-2
C17 A-2
C19 A-2
C20 A-2
C21 A-1
C22 A-2
C23 A-1
C24 B-2
CN1 C-1
D2 B-2
IC1 A-1
L1 A-1
L2 A-2
L3 A-1
L4 B-2
R1 B-1
R2 A-1
R4 B-2
R5 A-1
R6 A-1
R7 A-1
X1 B-1
RESISTORS
CRYSTAL OSCILLATORS
CAPACITORS
ICS
COILS
CONNECTORS
DIODES

Related product manuals