EasyManua.ls Logo

Phoenix Model Tiger 3 - For Your Radio Installation; Basic Connection and Servo Adjustment

Phoenix Model Tiger 3
20 pages
Print Icon
To Next Page IconTo Next Page
To Next Page IconTo Next Page
To Previous Page IconTo Previous Page
To Previous Page IconTo Previous Page
Loading...
I/C FLIGHT GUIDELINES
Made in Vietnam
When ready to fly, first extend the
transmitter aerial.
Operate the control sticks on the
transmitter and check that the control
surfaces move freely and in the
CORRECT directions.
ALWAYS land the model INTO the
wind, this ensures that the model lands
at the slowest possible speed.
Switch on the transmitter.
Switch off the transmitter.
Check that the transmitter batteries
have adequate power.
Switch off the receiver.
Switch on the receiver.
ALWAYS take off into the wind.
Check that the wings are correctly
fitted to the fuselage.
If the model does not respond correctly
to the controls, land it as soon as
possible and correct the fault.
Empty the fuel tank after flying, fuel left
in the tank can cause corrosion and
lead to engine problems.
Cut off shaded portion
Pay close attention here
1
INSTALLING THE AILERON SERVOS
1. Install the rubber grommets and brass eyelets
onto the aileron servo.
2. Using a modeling knife, remove the covering
from over the pre-cut servo arm exit hole on the
aileron servo tray / hatch. This hole will allow
the servo arm to pass through when installing
the aileron pushrods.
3. Place the servo into the servo tray. Center the
servo within the tray and drill pilot holes
through the block of wood for each of the four
mounting screws provided with the servo.
4. Using the thread as a guide and using masking
tape, tape the servo lead to the end of the
thread: carefully pull the thread out. When you
have pulled the servo lead out, remove the
masking tape and the servo lead from the
thread.
5. Place the aileron servo tray / hatch into the
servo box on the bottom of the wing and drill
pilot holes through the tray and the servo box
for each of the four mounting screws. Secure
the servo tray in place using the mounting
screws provided .
6. Repeat step # 2 - # 5 to install the second
aileron servo in the opposite wing half.
approx. 13mm
2mm
TOOLS AND SUPPLIES NEEDED.
• Medium C/A glue
• 30 minute epoxy
• 6 minute epoxy
• Hand or electric drill
• Assorted drill bits
• Modeling knife
• Straight edge ruler
• 2 bender plier
• Wire cutters
• Masking tape
• Thread lock
• Paper towels
• Rubbing alcohol
SUGGESTION
To avoid scratching your new airplane, do not
unwrap the pieces until they are needed for
assembly. Cover your workbench with an old towel or
brown paper, both to protect the aircraft and to
protect the table. Keep a couple of jars or bowls
handy to hold the small parts after you open the bag.
NOTE:
Please trial fit all the parts. Make sure you have the
correct parts and that they fit and are aligned properly
before gluing! This will assure proper assembly. The
TIGER 3 GP/EP SIZE .46-.55 SCALE 1:6 is hand
made from natural materials, every plane is unique
and minor adjustments may have to be made.
However, you should find the fit superior and
assembly simple.
The painted and plastic parts used in this kit are fuel
proof. However, they are not tolerant of many harsh
chemicals including the following: paint thinner, C/A
glue accelerator, C/A glue debonder and acetone. Do
not let these chemicals come in contact with the
colors on the covering and the plastic parts.
SAFETY PRECAUTION:
• This is not a toy
• Be sure that no other flyers are using your radio
frequency.
• Do not smoke near fuel
• Store fuel in a cool, dry place, away from
children and pets.
• Wear safety glasses.
• The glow plug clip must be securely attached to
the glow plug.
• Do not flip the propeller with your fingers.
• Keep loose clothing and wires away from the propeller.
• Do not start the engine if people are near. Do not
stand in line with the side of the propeller.
• Make engine adjustments from behind the propeller
only. Do not reach around the spinning propeller.
tiger 3
Instruction Manual
16
tiger 3
Instruction Manual
1. We highly recommend setting up a plane using
the control throws listed.
2. The control throws should be measured at the
widest point of each control surface.
3. Check to be sure the control surfaces move in
the correct directions.
CONTROL THROWS
2. If one side of the wing fall, that side is heavier
than the opposite. Add small amounts of lead
weight to the bottom side of the lighter wing
half's wing tip. Follow this procedure until the
wing stays level when you lift the airplane.
Ailerons : 8mm up 8mm down
Elevator : 8mm up 8mm down
Rudder : 25mm right 25mm left
Elevator Control
Aileron Control
8mm
8mm
Rudder Control
25mm
25mm
8mm
8mm
!
After you have balanced a plane on the C.G.
You should laterally balance it. Doing this will
help the airplane track straighter
LATERAL BALANCE
1. Turn the airplane upside down. Attach one loop
of heavy string to the engine crankshaft and
one to the tail wheel wire. With the wings level,
carefully lift the airplane by the string. This may
require two people to make it easier.
1. Completely charge your transmitter and
receiver batteries before your first day of flying.
2. Check every bolt and every glue joint in your
plane to ensure that everything is tight and well
bonded.
3. Double check the balance of the airplane
4. Check the control surface
5. Check the receiver antenna . It should be fully
extended and not coiled up inside the fuselage.
6. Properly balance the propeller.
FLIGHT PREPARATION PRE FLIGHT CHECK
75-85mm (2.9-3.3 in)
Cut away film only. here
Supplied with the servo
< For right side >
1.5mm
1.5mm
Aileron Servo
Aileron
Must be purchased
separately!
Assemble left and right
sides the same way
Must be purchased
separately!
Set all scerws securely. If they come
off during flight you will lose control
of your aircraft!
Aileron
Cut away film only here.
Tie the string.
Pull out servo cord with string.
Cut off shaded portion
2
tiger 3
Instruction Manual
< Bottom view of left wing>
< Top view >
Cut away film only here
Cut off shaded portion
Apply epoxy glue
VERTICAL STABILIZER INSTALLATION
1. Using a modeling knife, remove the covering on
the top of the fuselage for the vertical stabilizer.
2. Slide the vertical stabilizer into the slot in the
mounting platform in the top of the fuselage.
Mark the shape of the fuselage on the left and
right sides of the vertical stabilizer using a
felt-tip pen.
3. Now, remove the vertical stabilizer and using a
modeling knife, carefully cut just inside the
marked lines and remove the film on both sides
of the vertical stabilizer. Just as you did with the
horizontal stabilizer, make sure you only press
hard enough to cut the film, not the balsa
vertical stabilizer.
4. Slide the vertical stabilizer back in place. Using
a triangle, check to ensure that the vertical
stabilizer is aligned 90 degree to the horizontal
stabilizer.
6
tiger 3
Instruction Manual
6. When you are sure that everything is aligned
correctly, mix up a generous amount of 30 minute
epoxy. Apply a thin layer to the top and bottom of
the stabilizer mounting area and to the stabilizer
mounting platform sides in the fuselage. Slide the
stabilizer in place and re-align. Double check all of
your measurements one more time before the
epoxy cures. Remove any excess epoxy using a
paper towel and rubbing alcohol and hold the
stabilizer in place with T-pins or masking tape.
7. After the epoxy has fully cured, remove the masking
tape or T-pins used to hold the stabilizer in place
and carefully inspect the glue joints. Use more
epoxy to fill in any gaps that were not filled
previously and clean up the excess using a paper
towel and rubbing alcohol.
4) Insert the dihedral brace into one wing half up to
the centerline. Wipe off any excess epoxy that may
have squeezed out of the joint using paper towels.
5) Once the epoxy has cured, trial fit both wing halves
together.The center gribs should fit flush together with
little or no gaps existing. If gaps do exist, use 220 Grit
sandpaper and sand down the high spots on the root
ribs and the wing joiner until the proper fit is obtainer.
6) To protect the covering from the epoxy used to glue
the wing halves together, carefully apply masking tape
around the edge of the root rip on the top and bottom
of each wing half.
7) Mix a generous amount of 30 minute epoxy. Coat
the exposed half of the dihedral brace, the wing joiner
box and both root ribs with epoxy. Slide the two wing
halves together and carefully align them at the leading
and trailing edges. Wipe away any excess epoxy
using paper towels. Use masking tape wrapped
around the center section to hold the halves in place
until the epoxy cures.
8) When the epoxy has cured, carefully remove the
masking tape from the wing.
INSTALLING THE MAIN LANDING GEAR
Wing Assembly
*Note* We highly recommend using 30 Minute Epoxy
over faster curing epoxies for several reasons. First,
slower curing epoxy is stronger. It also providers more
working time, allowing the builder to properly align the
parts. Using fast cure epoxy when joining the wing
halves could result in the glue drying before the wing
halves are aligned properly, causing damage to the
wing assembly. Also, when joining the wing halves,
the entire area of both center ribs need to be joined
completely with no gaps existing. Not following these
steps carefully, may result in failure of the wing center
section during flight.
1) Locate the wing dihedral brace. Using a ruler,
locate it's center and place a mark. Draw a vertical
line at the mark just made .
2) Test fit the dihedral brace into each wing half. The
brace should slide in easily up to the centerline you
drew. If it does not, use 220 grit sandpaper with a
sanding block and sand down the edges and ends of
the brace until the proper fit is obtained.
3) When satisfied with the fit of the dihedral brace in
each wing half, remove the brace .Mix equal amounts
of part A and part B 30 minute epoxy. Coat all sides of
the dihedral brace box and half of the wing brace with
the epoxy. Make sure to cover the top and bottom as
well as the sides. Use enough epoxy to fill any gaps.
4
tiger 3
Instruction Manual
Apply threadlocker (screw cement).
17
Main Gear Dimensional Detail Nose Gear Dimensional Detail
tiger 3
Instruction Manual
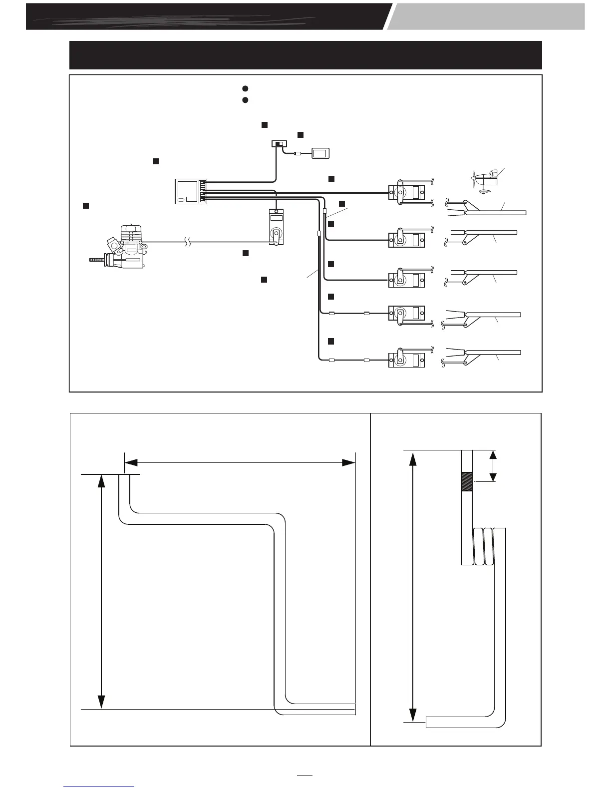
BASIC CONNECTION FOR AIRPLANE AND ADJUSTMENT OF SERVOS
FOR YOUR RADIO INSTALLATION
Example of connection
For more information, refer to radio system instruction manual.
Follow instruction manual of Engine and Battery.
Switch
Receiver
Engine
Throttle Servo
Y-Harness
Y-Harness
Battery (Receiver)
Rudder
Nose wheel
Elevator Servo
Elevator
Elevator Servo
Elevator
Aileron Servo
Aileron Servo
Aileron
Aileron
Rudder Servo
122
16
133
133
15
tiger 3
Instruction Manual
1. It is critical that your airplane be balanced
correctly. Improper balance will cause your
plane to lose control and crash.
THE CENTER OF GRAVITY IS LOCATED
75-85mm (2.9-3.3 in) BACK FROM THE
LEADING EDGE OF THE WING, AT THE
FUSELAGE.
2. Mount the wing to the fuselage. Using a couple
of pieces of masking tape, place them on the
top side of the wing 75-85mm (2.9-3.3 in) back
from the leading edge, at the fuselage sides.
BALANCING
3. Turn the airplane upside down. Place your
fingers on the masking tape and carefully lift
the plane .
4. If the nose of the plane falls, the plane is heavy
nose. To correct this first move the battery pack
further back in the fuselage. If this is not
possible or does not correct it, stick small
amounts of lead weight on the fuselage under
the horizontal stabilizer. If the tail of the plane
falls, the plane is tail heavy. To correct this,
move the battery and receiver forward or if this
is not possible, stick weight into the firewall.
When balanced correctly, the airplane should
sit level or slightly nose down when you lift it up
with your fingers.
Must be purchased
separately!
Follow instruction manual of Motor and ESC.
< Check the motor rotation >
Hatch
When rotating clock wise, charge the
connection of 2 wires.
Take off the main wing after put a rudder.
Apply epoxy glue
INSTALLING THE RUDDER PUSHROD
1. Locate the pushrod exit slot on the right of the
fuselage.
2. Carefully cut away the covering material from
the slot.
3. Working from inside the fuselage, slide the
threaded end of the remaining pushrod down
the inside of the fuselage until the pushrod
reaches the exit slot. Carefully reach in with a
small screw driver and guide the pushrod out of
the exit slot.
4. Install the clevis on the rudder pushrod. Make
sure 6mm of thread shows inside the clevis.
5. The control horn should be mounted on the left
side of the rudder at the leading edge, in line
with the rudder pushrod.
6. Drill two holes through the rudder using the
control horn as a guide and screw the control
horn in place.
7. Attach clevis to the third hole in the control
horn. Install a silicone tube on the clevis.
8. Locate one nylon servo arm, and using wire
cutters, remove all but one of the arms using a
2mm drill bit, enlarge the third hole out from the
center to accommodate the rudder pushrod wire.
9. Plug the rudder servo into the receiver and
center the servo. Install the servo arm onto the
servo.
10. Center the rudder and hold it in place using a
piece of masking tape.
11. With the rudder and rudder servo centered,
carefully place a mark on the rudder pushrod
wire where it crosses the hole in the servo arm.
12.Using a pliers, carefully make a 90 degree bend
up at the mark made. Cut off excess wire,
leaving about 8mm beyond the bend.
13. Insert the 90 degree bend up through the hole
in the servo arm. Install one nylon snap keeper
over the wire to secure it to the arm. Install the
servo arm retaining screw and remove the
masking tape from the rudder.
14.Using thick CA glue, secure the pushrod
sleeves to the pushrod sleeve guide.
5. When you are sure that everything is a aligned
correctly, mix up a generous amount of 30
minute epoxy. Apply a thin layer to the slot in
the mounting platform and to the vertical
stabilizer mounting area. Apply epoxy to the
lower rudder hinge. Set the stabilizer in place
and re-align. Double check all of your
measurements once more before the epoxy
cures. Remove any excess epoxy using a
paper towel and rubbing alcohol and hold the
stabilizer in place with T-pins or masking tape.
Allow the epoxy to fully cure before proceeding.
7
tiger 3
Instruction Manual
90 Degree
Cut away film only here
Cut off shaded portion
6mm
Foam Pad
Tape
Battery
Foam Pad
Receiver
Tape
INSTALLING THE SWITCH
1. The switch should be mounted on the fuselage
side, opposite the muffler, close enough to the
receiver so the lead will reach. Use the face plate
of the switch cut out and locate the mounting
holes.
2. Cut out the switch hole using a modeling knife.
Use a 2mm drill bit and drill out the two mounting
holes through the fuselage side.
3. Secure the switch in place using the two machine
screws provided with the radio system.
!
INSTALLING THE RECEIVER AND BATTERY
1. Plug the servo leads and the switch lead into the
receiver. You may want to plug an aileron
extension into the receiver to make plugging in the
aileron servo lead easier when you are installing
the wing. Plug the battery pack lead into the
switch.
2. Wrap the receiver and battery pack in the protective
foam to protect them from vibration. Use a rubber
band or masking tape to hold the foam in place.
Do not permanently secure the receiver and battery
until after balancing the model.
14
tiger 3
Instruction Manual
4mm Washer
8
8
4mm Spring Washer
4 x 60mm Cap Screw
4 x 16mm Cap Screw
INSTALLING THE ELECTRIC MOTOR
Must be purchased
separately!
Apply threadlocker
(screw cement).
4mm
4mm
4mm
4mm
4mm
4mm
4x16mm
4x60mm
4x16mm
Cut off shaded portion
Must be purchased
separately!
White glue
Installing SECURE The Wing To The Fuselage
Attach the wings to the fuselage and using the nylon
thumbscrews to secure the wing panels.
6x45mm Plastic Screw
6x45mm
3x12mm
3x12mm
INSTALLING THE NOSE GEAR
5
tiger 3
Instruction Manual
!
HORIZONTAL STABILIZER INSTALLATION
1. Using a modeling knife, cut away the covering
from the fuselage for the stabilizer and remove it.
2. Draw a center line onto the horizontal stabilizer.
3. Check the fit of the horizontal stabilizer in its slot.
Make sure the horizontal stabilizer is square and
centered to the fuselage by taking measurements,
but don't glue anything yet.
4. With the horizontal stabilizer correctly aligned, mark
the shape of the fuselage on the top and bottom of
the tail plane using a water soluble /
non-permanent felt-tip pen.
5. Remove the stabilizer. Using the lines you just drew
as a guide, carefully remove the covering from
between them using a modeling knife.
When cutting through the covering to remove it, cut
with only enough pressure to only cut through the
covering it's self. Cutting into the balsa structure
may weaken it. This could lead to possible failure
during flight.
Apply threadlocker (screw cement).
3 x 12mm Screw
2x16mm
16
2x16mm
INSTALLING THE CONTROL HORNS
1. One aileron control horn in positioned on each
aileron. Using a ruler and a pen, locate and mark
the location of the control horn. It should be
mounted on the bottom side of the aileron at the
leading edge, IN LINE with the aileron pushrod.
2. Drill two holes through the aileron using the control
horn as a guide and screw the control horn in
place.
INSTALLING THE AILERON LINKAGES
1. Working with the aileron linkage for now, thread
one nylon clevis at least 14 turns onto one of the
2mm x 180mm threaded wires.
2. Attach the clevis to the outer hole in the control
horn. Install a silicone tube on the clevis.
3. Locate one nylon servo arm, and using wire
cutters, remove all but one of the arms. Using a
2mm drill bit, enlarge the third hole out from the
center of the arm to accommodate the aileron
pushrod wire.
4. Plug the aileron servo into the receiver and center
the servo. Install the servo arm onto the servo.
The servo arm should be perpendicular to the
servo and point toward the middle of the wing.
5. Center the aileron and hold it in place using a
couple of pieces of masking tape.
6. With the aileron and aileron servo centered,
carefully place a mark on the aileron pushrod wire
where it crosses the hole in the servo arm.
7. Using pliers, carefully make a 90 degree bend
down at the mark made. Cut off the excess wire,
leaving about 6mm beyond the bend.
8. Insert the 90 degree bend down through the hole in
the servo arm. Install one nylon snap keeper over
the wire to secure it to the arm. Install the servo
arm retaining screw and remove the masking tape
from the aileron.
9. Repeat step # 4 - # 8 to install the second aileron
linkage. After both linkages are completed,
connect both of the aileron servo leads using a
Y-harness you have purchased separately.
3. Repeat step # 1 - # 2 to install the control horn
on the opposite aileron.
RIGHT WRONG
Bend 90
Mark the spot to attach.
Use this hole.
Nut is closed.
Cut off excess.
3
tiger 3
Instruction Manual
1
1
2
1
2 x 16mm TP Screw
2
Apply threadlocker (screw cement).
Ensure smooth, non-binding
movement when assembling
8
tiger 3
Instruction Manual
Set all screws securely. If they come off during
flight you will lose control of your aircraft!
approx. 13mm
Must be purchased separately!
Cut off shaded portion
2x16mm
Cut off excess.
Rudder Servo
Steering Rod
Rudder rod
Adjust the throttle input (transmitter throttle
stick), throttle trim movement and the
carburattor opening to the suitable position
and screw in the 4x4mm set screw.
INSTALLING THE SPINNER
Install the spinner back-plate, propeller and
spinner cone. The spinner cone is held in place
using two screws.
The propeller should not touch any part of the
spinner cone. If it dose, use a sharp modeling
knife and carefully trim away the spinner cone
where the propeller comes in contact with it.
!
13
tiger 3
Instruction Manual
3x15mm
3 x 15mm
Instruction Manual
GP
version
EP
version
SPECIFICATION
- Wingspan: 1600mm (63in)
- Length: 1360mm (53.5 in)
- Flying weight: 2500-2700 gr
- Wing area: 42.8 dm2
- Wing loading: 60g/dm2
- Wing type: Naca airfoils
- Covering type: V-kote film
- Spinner size: Plastic 58mm (included)
- Radio: 4 channel minimum (not included)
- Servo: 5 standard servo: 2 aileron;
1 elevator; 1 rudder; 1 throttle (not included)
- Recommended receiver battery:
4.8-6V / 800-1200mAh NiMH (not included)
- Servo mount: 21mm x 42 mm
- Propeller: suit with your engine
- Engine: .46-.55 / 2-stroke (not included)
- Motor: brushless outrunner 1000-1400 W,
480 KV (not included)
- Gravity CG: 75-85 mm (2.9-3.3 in) Back from
the leading edge of the wing, at the fuselage
- Control throw Ailerons: Low: 8mm up/down,
10% expo; High: 10mm up/down, 10% expo
- Control throw Elevators: Low: 8mm up/down,
12% expo; High: 10mm up/down, 12% expo
- Control throw Rudder: Low: 25mm right/left,
15% expo; High: 40mm right/left, 15% expo
- Experience level: Intermediate
- Plane type: Low wing sport
RECOMMENDED MOTOR AND BATTERY SET UP
- Motor: RIMFIRE .46 (not included)
- Lipo cell: 6cells / 4000-5000mAh (not included)
- Esc: 50-70A (not included)
Set all screws securely. If they come off during
flight you will lose control of your aircraft!
approx. 13mm
9
tiger 3
Instruction Manual
2x16mm
Elevator Rod
< Right side view >
Cut off excess.
9. Plug the elevator servo into the receiver and
center the servo. Install the servo arm onto the
servo. The servo arm should be perpendicular
to the servo and point toward the middle of the
fuselage.
10. Be sure both elevator halves are flat. Center
both elevator halves and hold them in place
using a couple of pieces of masking tape.
11. Connect two elevator purshord to the metal
domino connector and secure it. Insert the wire
pushrod into the metal domino connector and
secure it.
12. With the elevator halves and elevator servo
centered, carefully place a mark on the elevator
pushrod wire where it crosses the hole in the
servo arm.
13. Using pliers, carefully make a 90 degree bend
up at the mark made. Cut off the excess wire,
leaving about 8mm beyond the bend.
14. Insert the 90 degree bend up through the hole
in the servo arm, install one nylon snap keeper
over the wire to secure it to the arm. Install the
servo arm retaining screw and remove the
masking tape the elevator halves.
INSTALLING THE ELEVATOR PUSHROD
1. Locate the pushrod exit slot on the right side
and left side of the fuselage. It is located
slightly ahead and below the horizontal
stabilizer.
2. Carefully cut away the covering material from
the slot.
3. Working from inside the fuselage, slide the
threaded end of the pushrod until it reaches the
exit slot. Carefully reach in with a small screw
driver and guide the pushrod out of the exit
slot.
4. Install the clevis on the elevator pushrod. Make
sure 6mm of thread shows inside the clevis.
5. The control horn should be mounted on the
bottom, left side and right side of the elevator at
the leading edge, in line with the elevator
pushrod.
6. Drill two holes through the elevator using the
control horn as a guide and screw the control
horn in place.
7. Attach clevis to the third hole in the control
horn. Install a silicone tube on the clevis.
8. Locate one nylon servo arm, and using wire
cutters, remove all but one of the arms. Using a
2mm drill bit, enlarge the third hole out from the
center to accommodate the elevator pushrod
wire.
2 x 16mm TP Screw
4
3x25mm
3mm
3mm
3mm
3x25mm
Apply threadlocker (screw cement).
Cut off shaded portion
Ensure smooth, non-binding movement when assembling
Must be purchased separately!
!
INSTALLING THE THROTTLE
1. Install one adjustable metal connector through
the third hole out from the center of one servo
arm, enlarge the hole in the servo arm using a
2mm drill bit to accommodate the servo
connector. Remove the excess material from
the arm.
After installing the adjustable metal connector
apply a small drop of thin C/A to the bottom nut.
This will prevent the connector from loosening
during flight.
2. Plug the throttle servo into the receiver and turn on
the radio system. Check to ensure that the throttle
servo output shaft is moving in the correct
direction. When the throttle stick is moved forward
from idle to full throttle, the throttle barrel should
also open and close using this motion. If not,
reverse the direction of the servo, using the
transmitter.
3. Slide the adjustable metal connector / servo arm
assembly over the plain end of the pushrod wire.
Position the throttle stick and the throttle trim at
their lowest positions.
4. Manually push the carburator barrel fully closed.
Angle the arm back about 45 degree from center
and attach the servo arm onto the servo. With the
carburator barrel fully closed, tighte the set screw
in the adjustable metal connector.
5. Remove the excess throttle pushrod wire using
wire cutters and install the servo arm retaining
screw.
12
tiger 3
Instruction Manual
3mm
Apply epoxy glue
3 x 25mm Cap Screw
INSTALLING THE ENGINE
Locate the long piece of wire used for the throttle
pushrod. One end of the wire has been pre-bend
in to a "Z" bend at the factory. This "Z" bend
should be inserted into the throttle arm of the
engine when the engine is fitted onto the engine
mount. Fit the engine to the engine mount using
the screws provided.
INSTALLING THE THROTTLE PUSHROD SERVO
1. Place the engine into the engine mount and align it
properly with the front of the cowling.
If your engine is equipped with a remote needle
valve, we suggest installing it into the engine at
this time.
2. Slide the pushrod housing through the hole in the
firewall, through the hole in the forward bulkhead,
and into the servo compartment.
!
3. Apply epoxy glue to the pushrod housing where it
exits the firewall and where it passes through the
forward bulkhead. This will secure the housing in
place.
4. Using a modeling knife, cut off the nylon pushrod
housing 26mm in front of the servo tray.
Temporarily install the engine and
make a hole for the throttle rod by
aligning with the position of the
throttle lever.
11
tiger 3
Instruction Manual
Cut off shaded portion
Throttle
Rod
6mm Washer
PP Pipe
4mm
2x16mm(TP)
2x16mm(TP)
2x16mm(TP)
2x16mm(TP)
4x4mm
4x4mm
2x10mm(TP)
2x10mm(TP)
6x45mm(TP)
3x12mm(TP)
3x12mm(TP)
3x15mm(TP)
3x12mm(TP)
4mm
3x25mm
4mm
3mm
3mm
3mm
3mm
4x60mm
3x4mm
INSTALLING THE ENGINE MOUNT
Apply threadlocker (screw cement).
Pay close attention here
Cut off excess.
Install the horn in a position
so the rod is straight
10
tiger 3
Instruction Manual
FUEL TANK INSTALLATION
1. Assemble the fuel tank.
2. Slide the fuel tank in the fuselage using foam
rubber to cushion the tank, and route the fuel
lines out the hole in the firewall.
Elevator
Pay close attention here
Elevator Rod
4
4
4
Elevator Rod
6mm
3x4mm
Nylon Nut
3mm
4

Related product manuals