EasyManua.ls Logo

Phonic AM120 - Page 26

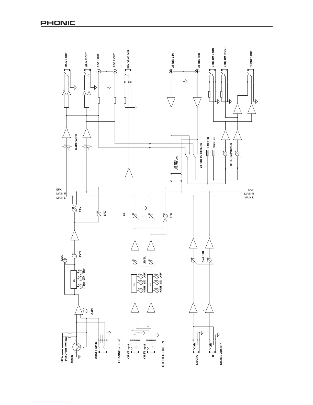
Phonic AM120
28 pages
Print Icon
To Next Page IconTo Next Page
To Next Page IconTo Next Page
To Previous Page IconTo Previous Page
To Previous Page IconTo Previous Page
Loading...
26 AM120 MKII / AM220
AM220

Related product manuals