EasyManua.ls Logo

Phonic mu1202x - Page 27

Phonic mu1202x
28 pages
Print Icon
To Next Page IconTo Next Page
To Next Page IconTo Next Page
To Previous Page IconTo Previous Page
To Previous Page IconTo Previous Page
Loading...
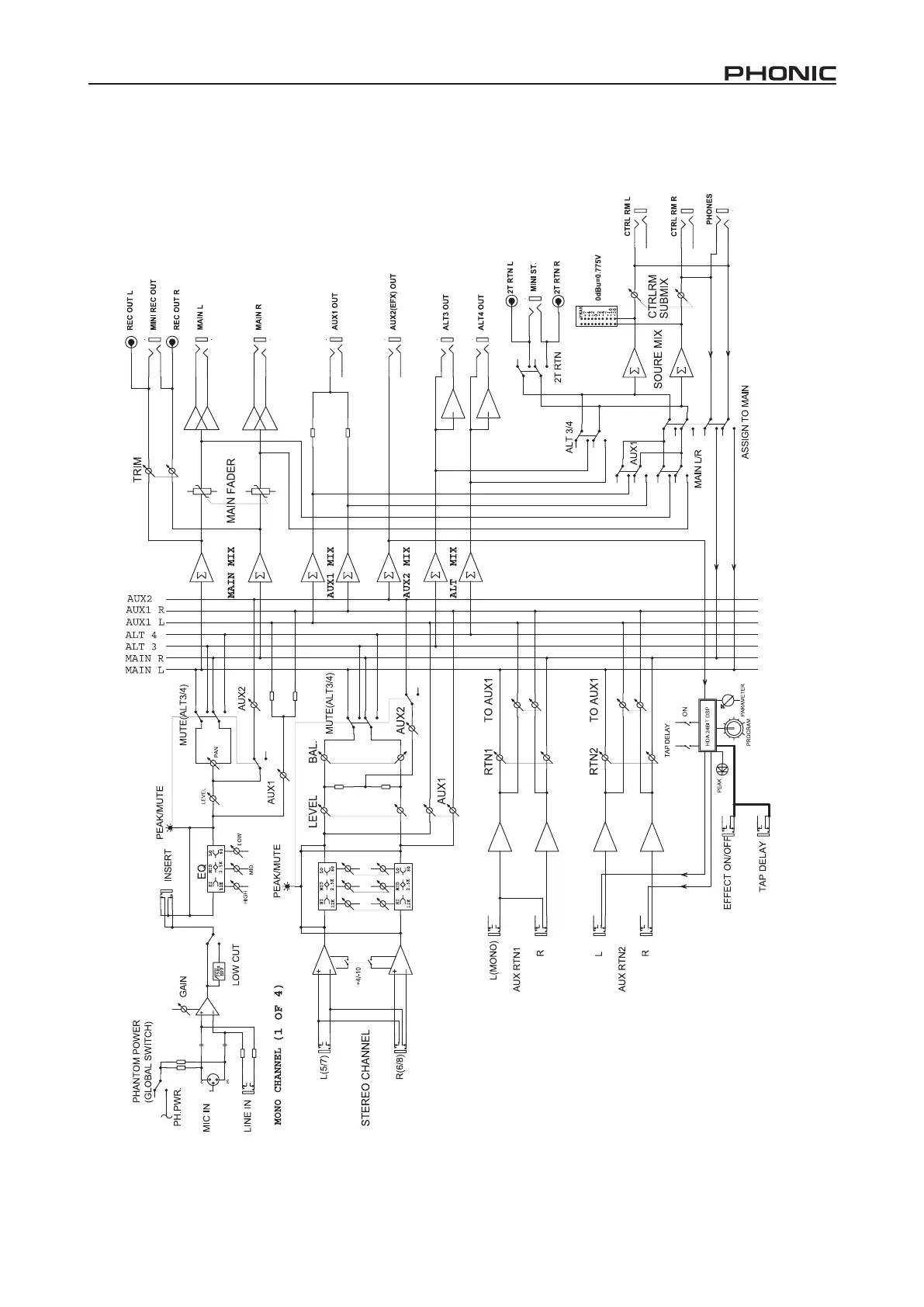
27MU1202 / MU1202X
MU1202X

Related product manuals