EasyManua.ls Logo

Phonic mu1202x - Block Diagrams

Phonic mu1202x
28 pages
Print Icon
To Next Page IconTo Next Page
To Next Page IconTo Next Page
To Previous Page IconTo Previous Page
To Previous Page IconTo Previous Page
Loading...
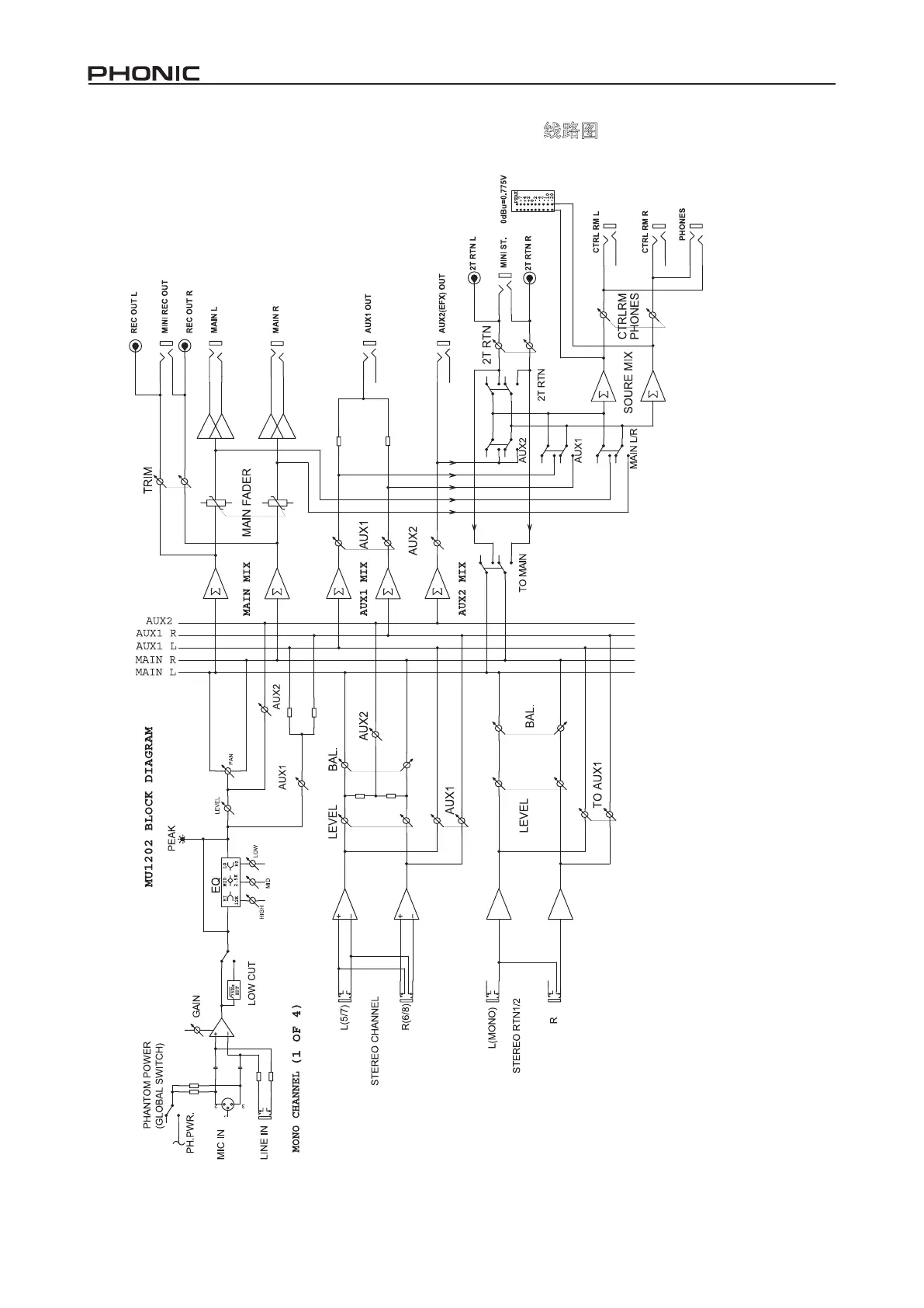
26 MU1202 / MU1202X
MU1202
BLOCK DIAGRAMS DIAGRAMAS DE BLOQUE 线路图

Related product manuals