EasyManua.ls Logo

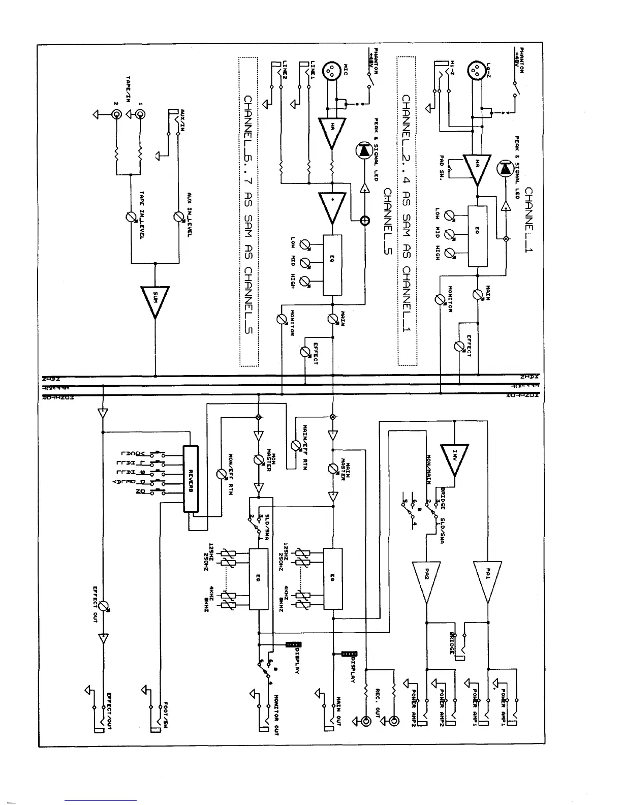
Phonic Powerpod 7 - Schematic Diagram

Phonic Powerpod 7
15 pages
Print Icon
To Previous Page IconTo Previous Page
To Previous Page IconTo Previous Page
Loading...

Related product manuals