EasyManua.ls Logo

Phonic Powerpod 780 Plus - Page 40

Phonic Powerpod 780 Plus
47 pages
Print Icon
To Next Page IconTo Next Page
To Next Page IconTo Next Page
To Previous Page IconTo Previous Page
To Previous Page IconTo Previous Page
Loading...
40
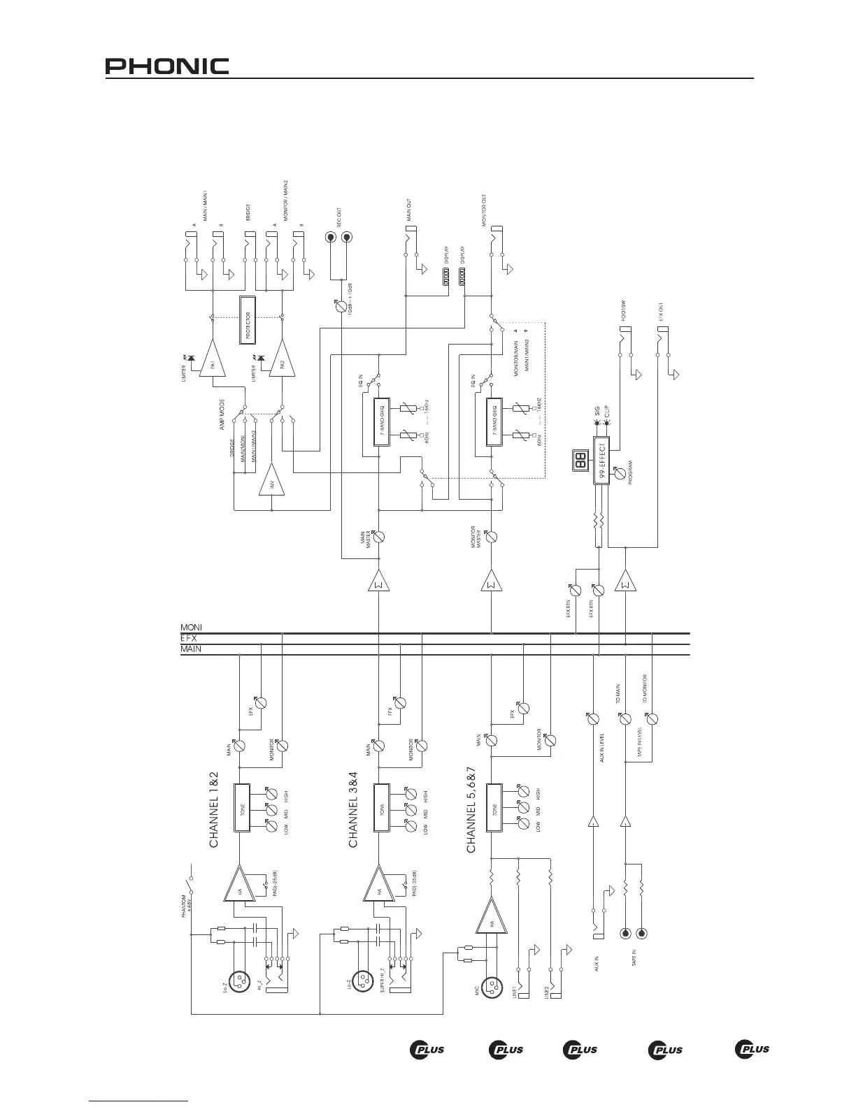
POWERPOD 620 / 740 / 780 / 1062 / 1082
Powerpod 740 Plus

Related product manuals