EasyManua.ls Logo

PIAGGIO X9 - Page 140

PIAGGIO X9
268 pages
Print Icon
To Next Page IconTo Next Page
To Next Page IconTo Next Page
To Previous Page IconTo Previous Page
To Previous Page IconTo Previous Page
Loading...
X9 125-180 CC 4T4V
Electrical diagrams
Esquemas eléctricos de principio
Esquemas eléctricos de principio
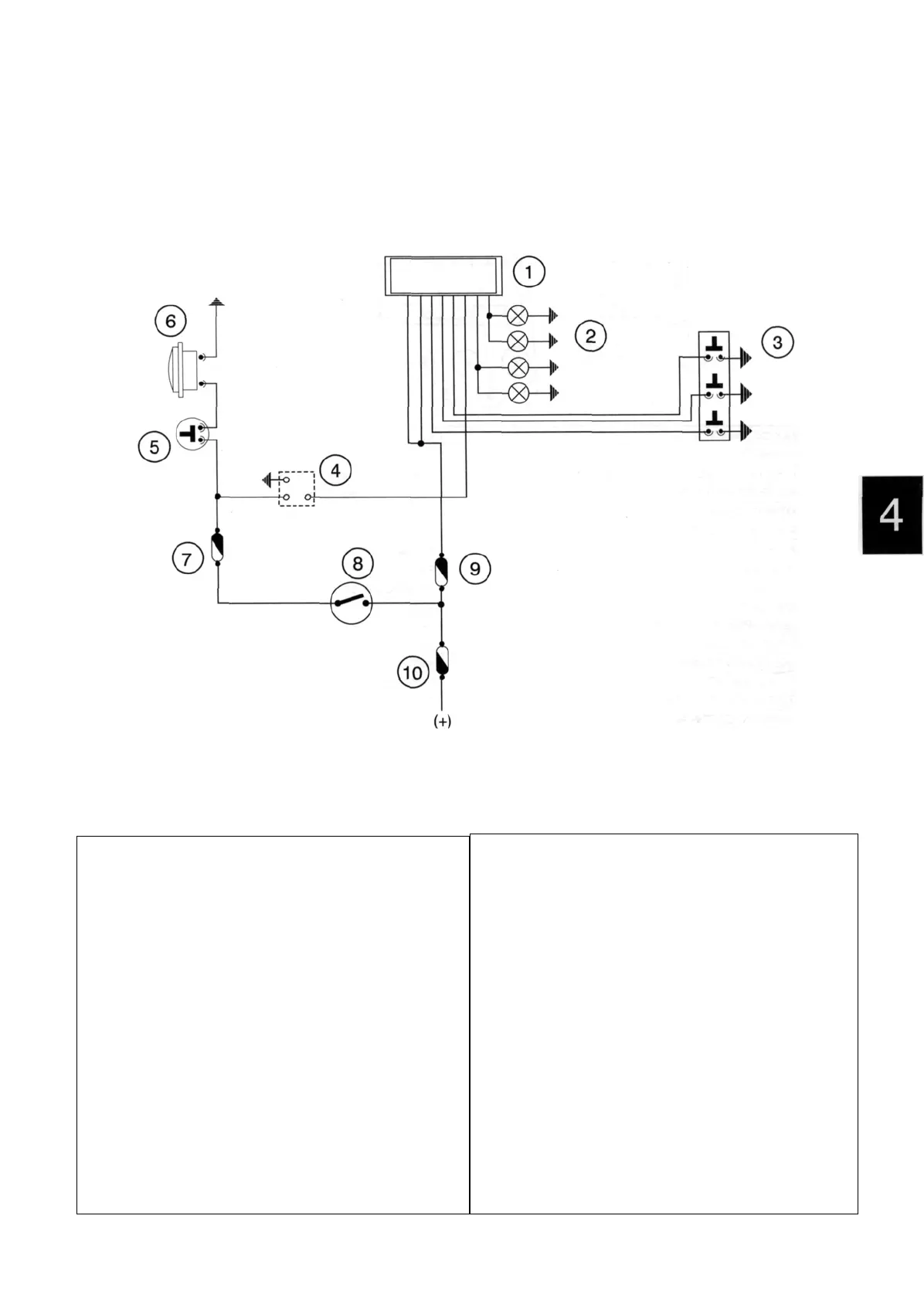
Turn indicators, horn and available for accessories
Sección intermitentes, claxon y predisposición accesorios
Secção piscas, buzina e predisposição acessórios
04 006
1 st Update to part no. 594599 X9 125-180 cc 4T 4V 4 - 33
Primera actualización dib. 594599 X9 125-180 ce 4T 4V
1« Atualização Des. 594599 X9 125-180 ce 4T 4V
1 DIGITAL INSTRUMENT
2 2 + 2X12V-10W TURN INDICATOR BULB
3 TURN INDICATORS SWITCH
4 AVAILABLE FOR ACCESSORIES
5 HORN BUTTON
1 INSTRUMENTO DIGITAL
2 INDICADOR DE DIRECCIÓN, N° 2 +2 BOMBILLAS 12V-10W
3 CONMUTADOR INTERMITENTES
4 PREDISPOSICIÓN ACCESORIOS
5 PULSADOR CLAXON
1 INSTRUMENTO DIGITAL
2 INDICADORES DE DIREÇÃO, 2 + 2 LMPADAS 12V-10W
3 COMUTADORES PISCAS
4 PREDISPOSIÇÃO ACESSÓRIOS
5 BOTÃO BUZINA
6 HORN
7 10A FUSE
8 IGNITION SWITCH CONTACT
9 10A FUSE
10 15A FUSE
6 CLAXON
7 FUSIBLE 10A
8 CONTACTO CONMUTADOR DE LLAVE
9 FUSIBLE 10A
10 FUSIBLE 15A
6 BUZINA
7 FUSÍVEL 10A
8 CONTATO COMUTADOR DE CHAVE
9 FUSÍVEL 10A
10 FUSÍVEL 15A