EasyManua.ls Logo

Piazzetta E911 - Page 9

Piazzetta E911
Print Icon
To Next Page IconTo Next Page
To Next Page IconTo Next Page
To Previous Page IconTo Previous Page
To Previous Page IconTo Previous Page
Loading...
Italiano
9
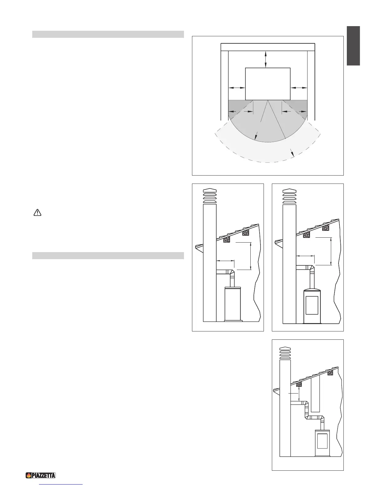
1.8 Distanze minime di sicurezza - Fig. 16
Prima di procedere con il montaggio scegliere la posizione dove
verrà installata la stufa.
Verificare le distanze minime di sicurezza da materiali sensibili
al calore o infiammabili, come da muri portanti e altre pareti, così
come anche da elementi in legno, mobilio, ecc.
Le distanze minime da rispettare sono:
A 20 cm dalla parete posteriore alla stufa
B 20 cm dalla parete laterale
C 100 cm nella zona radiante
Nel caso di pavimentazione sensibile al calore o infiammabile è
necessario usare una protezione in materiale isolante non
combustibile, per esempio: lastra in lamiera di acciaio, marmo,
piastrelle, ecc.
Le distanze minime da rispettare sono:
D 50 cm
E 30 cm
(misurato dallo spigolo interno dell’apertura del focolare)
Tenere qualsiasi prodotto infiammabile ben lontano dalla
stufa durante il suo funzionamento (minimo dalla zona
radiante) tipo: arredi in legno, tendaggi, tappeti, liquidi
infiammabili, ecc.
1.9 Collegamento alla canna fumaria - Fig. 17÷26
Per il collegamento del focolare al camino si possono usare al
massimo due curve, con cambio di direzione maggiore o uguale a
90°, e lunghezza del canale da fumo in proiezione orizzontale non
superiore a 2 m. Figure 17-18-19
I raccordi devono essere il più brevi possibili, privi di strozzature,
realizzati in materiali resistenti alla corrosione dei fumi e a
temperature di 550-600° C.
Per il collegamento alla canna fumaria, si consiglia di usare tubi e
curve del Gruppo Piazzetta S.p.A., in quanto lo scarico fumi del
prodotto è dimensionato per l‘innesto di questi, inoltre le curve
sono dotate d’ispezione che consentono il controllo, la pulizia, e la
manutenzione dell‘impianto.
Possono essere applicati anche altri tubi, previo adeguamento o
verifica della compatibilità del manicotto d‘inserimento tenendo
conto che i tubi e le curve devono essere costruiti nel rispetto delle
normative vigenti. In tale caso però il Gruppo Piazzetta S.p.A.
assicura il buon funzionamento solo per quanto è di sua
produzione ed impiegato secondo specifiche.
Se si dovesse realizzare un disassamento con delle curve si
consiglia di prestare attenzione, in quanto il collegamento eseguito
potrebbe non avere la capacità di reggere il peso soprastante, e
potrebbe richiedere dei sistemi di supporto adeguati.
Z
o
n
a
r
a
d
i
a
n
t
e
d
e
l
l
'
a
p
e
r
t
u
r
a
d
e
l
f
o
c
o
l
a
r
e
Parete posteriore
Protezione a pavimento
A
B
B
E
D
C
STUFA
Parete laterale
Parete laterale
E
DT2030059-00
Fig. 16
MAX 2M
MIN 40 cm
DT2030056-00
Fig. 17
MAX 2M
MIN 40 cm
DT2030196-00
Fig. 18
MIN 40 cm
NO
DT2030197-00
Fig. 19

Related product manuals