EasyManua.ls Logo

Piazzetta Multifuoco 2003 - Stromlauftplan

Piazzetta Multifuoco 2003
Print Icon
To Next Page IconTo Next Page
To Next Page IconTo Next Page
To Previous Page IconTo Previous Page
To Previous Page IconTo Previous Page
Loading...
32
BLAU
L
BRAUN (L)
5
TEMPERATURMESSFÜHLER
GEBLÄSE
ROT
ROT
2-POLIGE
2
1
6
M
BRAUN
GELB-GRÜN
SCHWARZ
N
GELB-GRÜN
BLAU (N)
BLAU
BRAUN
FUNKSTEUERUNG
6-POLIGE
1
2
3
4
ERDE FÜR ANSCHLUSS
KLEMM
KLEMM
AN DEN HEIZEINSATZ
GELB-GRÜN
A
B
C
D
E
F
G
H
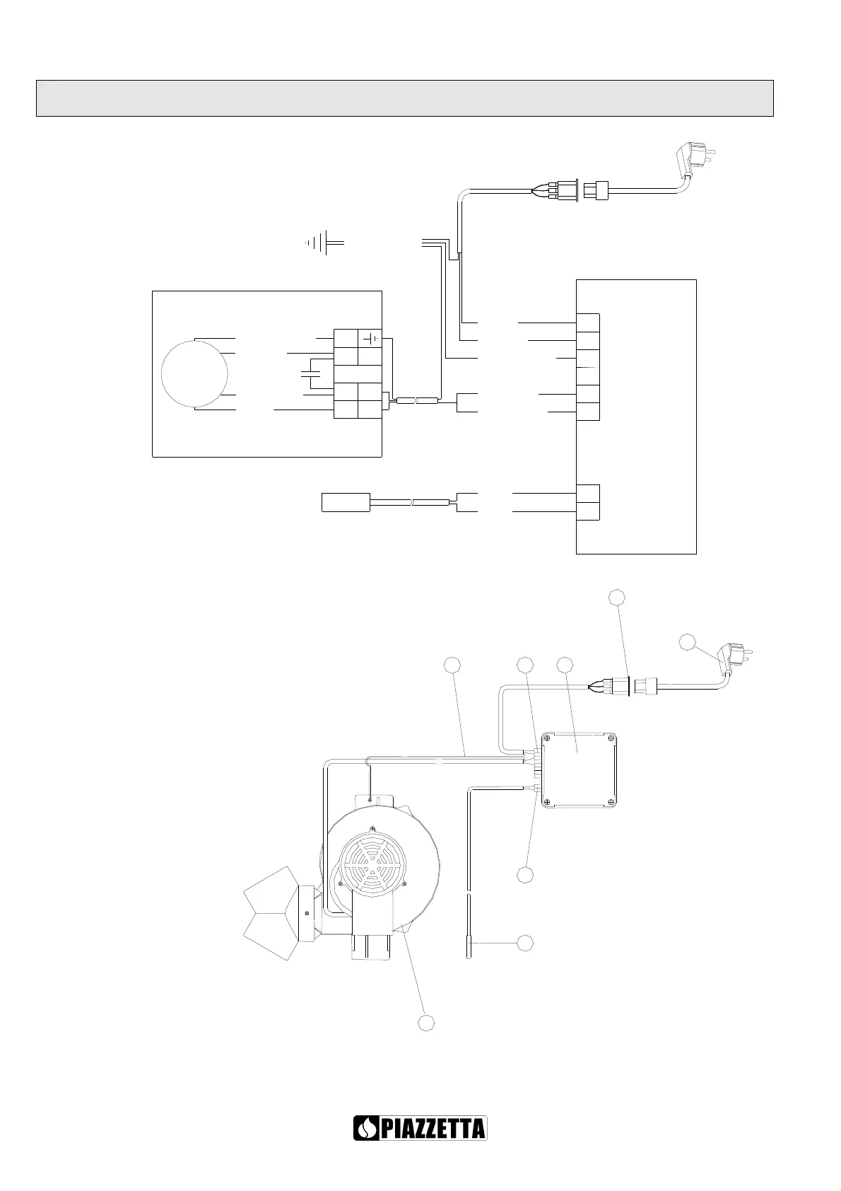
9. STROMLAUFTPLAN
ACHTUNG ! ALLE TÄTIGKEITEN DÜRFEN NUR BEI HERAUSGEZOGENEM STECKER UND
VON FACHKRÄFTEN AUSGEFÜHRT WERDEN.
A.Gebläse
B.Klemme
C.Funksteuerung
D.Klemme für Messfühler
E.Temperaturmessfühler Typ PT
F.Stromkabel
G.Erdungsdraht
H.IEC - Stecker

Other manuals for Piazzetta Multifuoco 2003

Related product manuals