EasyManua.ls Logo

PIKO 35040 - Page 5

PIKO 35040
Print Icon
To Next Page IconTo Next Page
To Next Page IconTo Next Page
To Previous Page IconTo Previous Page
To Previous Page IconTo Previous Page
Loading...
5
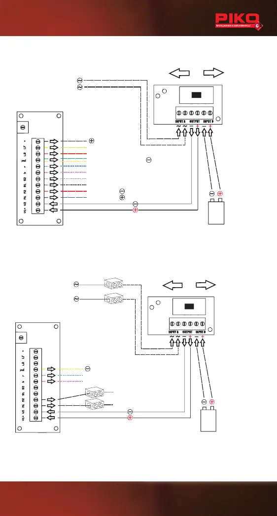
6.1.1 Direkter Einbau
Batterie
7-24 V DC
INPUT B
permanent
Licht vorne
Licht hinten
Innenbel. / Zubehör / permanent
Sound 2 / Funktion 2 (Reedkontakt)
Sound 1 / Funktion 1 (Reedkontakt)
Analogsoundmodul * (S2)
Analogsoundmodul * (S1)
Motor (M2)
Motor (M1)
Empfänger
Schalter
Spannung vom Gleis
(Gleiskontakt Lok)
12 - 22 V AC / DC
INPUT A
aus
an
A
an
B
* z.B. #36194 PIKO G Sound Kit (analog)
Batterie
7-24 V DC
INPUT B
permanent **
Sound 2 / Funktion 2 (Reedkontakt)**
Sound 1 / Funktion 1 (Reedkontakt)**
Sound-Decoder * (S2/RR)
Sound-Decoder * (S1/LR)
Empfänger
Schalter
Spannung vom Gleis
(Gleiskontakt Lok)
12 - 22 V AC / DC
INPUT A
aus
an
A
an
B
* z.B. in PIKO US Loks; #36220 PIKO G Sound-Decoder
** siehe Anschlussplan des Decoders, bzw. der Lok
35040-90-7000.indd 5 19.08.19 08:43

Related product manuals