EasyManua.ls Logo

PIKO 35040 - Page 6

PIKO 35040
Print Icon
To Next Page IconTo Next Page
To Next Page IconTo Next Page
To Previous Page IconTo Previous Page
To Previous Page IconTo Previous Page
Loading...
6
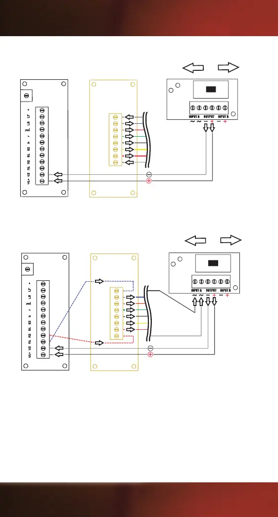
6.1.2 Paralleler Einbau
Empfänger
Schalter
aus
an
aus
Schritt 1
PIKO G
analog
Platine*
* Standard in vielen PIKO G-Lokomotiven. Siehe Anschlussplan Lok.
Schalter
aus
an
Empfänger
aus
Schritt 2
PIKO G
analog
Platine*
* Standard in vielen PIKO G-Lokomotiven. Siehe Anschlussplan Lok.
35040-90-7000.indd 6 19.08.19 08:43

Related product manuals