EasyManua.ls Logo

Pioneer PRS-D5000SPL - Connection Diagram

Pioneer PRS-D5000SPL
86 pages
Print Icon
To Next Page IconTo Next Page
To Next Page IconTo Next Page
To Previous Page IconTo Previous Page
To Previous Page IconTo Previous Page
Loading...
6
ENGLISH ESPAÑOL DEUTSCH FRANÇAIS
ITALIANO NEDERLANDS
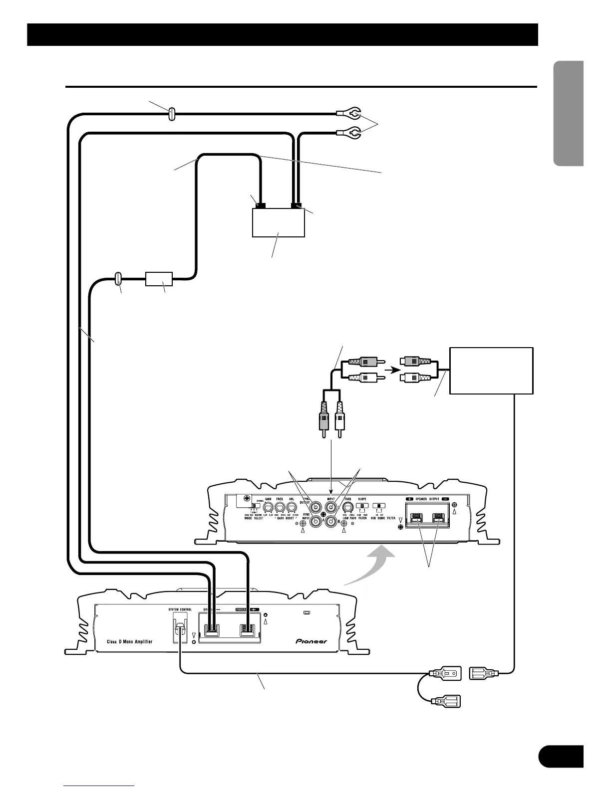
Connection Diagram
Grommet
Battery wire (sold separately)
For the wire size, see the
“Connecting the Power Terminal”
section. The battery wire, the
ground wire and the optional direct
ground wire must be same size.
After making all other connections
at the amplifier, connect the bat-
tery wire terminal of the amplifier
to the positive (+) terminal of the
battery.
Ground wire (sold separately)
The ground wires must be same size
as the battery wire.
Connect to metal body or chassis.
Car stereo with
RCA output
jacks
External Output
(Subwoofer output)
Connecting wire with RCA
pin plugs (sold separately).
RCA input jack
Speaker terminal
See the “Connecting the
Speaker wires” section for
speaker connection instruc-
tions.
System remote control wire (sold separately)
Connect the male terminal of this wire to the system remote control terminal
of the car stereo (SYSTEM REMOTE CONTROL). The female terminal
can be connected to the auto-antenna relay control terminal. If the car stereo
does not have a system remote control terminal, connect the male terminal to
the power terminal through the ignition switch.
Grommet
Reverse side
The maximum length
of the wire between the
fuse and the positive
(+) terminal of the bat-
tery is 45 cm.
Positive (+)
terminal
Negative (–)
terminal
Battery
Optional direct ground
wire (sold separately)
When chassis ground-
ing is not sufficient,
direct grounding
should be used. The
wire size should be
same size as the bat-
tery wire.
Fuse (150 A)
Each amplifier must be SEPARATELY
fused at 150 A.
SYNC OUTPUT /
SYNC INPUT jack
See the “Connecting the
Speaker wires” section
for SYNC OUTPUT /
SYNC INPUT jack con-
nection instructions.

Table of Contents

Other manuals for Pioneer PRS-D5000SPL

Related product manuals