EasyManua.ls Logo

Piper CHEROKEE 180 E - Page 22

Piper CHEROKEE 180 E
78 pages
Print Icon
To Next Page IconTo Next Page
To Next Page IconTo Next Page
To Previous Page IconTo Previous Page
To Previous Page IconTo Previous Page
Loading...
SECTION II
CHEROKEE "E"
691015
8
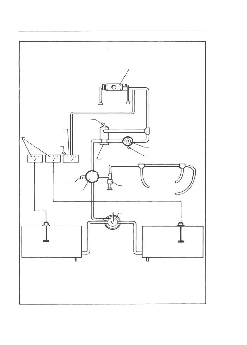
CARBURETOR
VENT
FUEL PRESSURE GAUGE
FUEL QUANTITY GAUGES
VENT
DRAIN
ELECTRIC FUEL PUMP
VENT
ENGINE FUEL PUMP
PRIMER
GASCOLATOR
FUEL SELECTOR VALVE
LEFT TANK
DRAIN
DRAIN
RIGHT TANK
FUEL SYSTEM SCHEMATIC

Related product manuals