EasyManua.ls Logo

Piper CHEROKEE 180 E - Page 25

Piper CHEROKEE 180 E
78 pages
Print Icon
To Next Page IconTo Next Page
To Next Page IconTo Next Page
To Previous Page IconTo Previous Page
To Previous Page IconTo Previous Page
Loading...
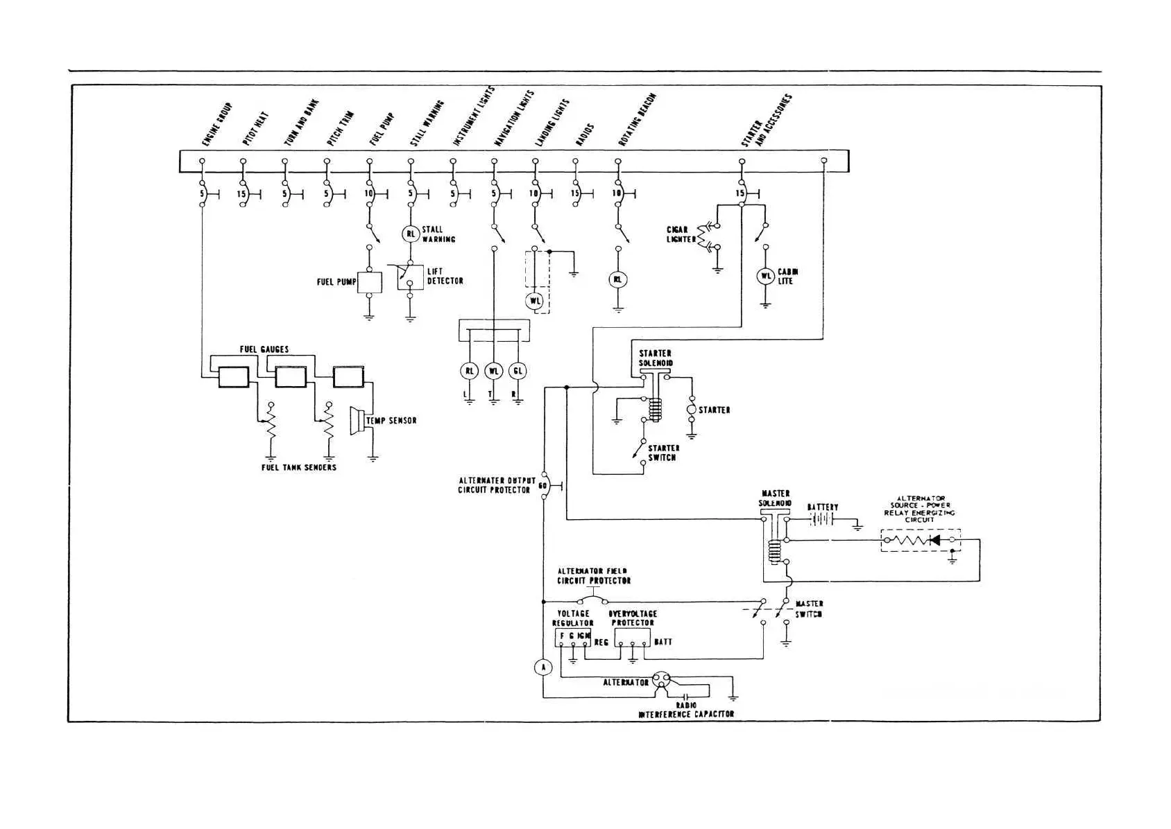
CHEROKEE "E"
SECTION II
691015
11
ELECTRICAL SYSTEM

Related product manuals