EasyManua.ls Logo

Piper CHEROKEE D - Electrical System

Piper CHEROKEE D
64 pages
Print Icon
To Next Page IconTo Next Page
To Next Page IconTo Next Page
To Previous Page IconTo Previous Page
To Previous Page IconTo Previous Page
Loading...
CHEROKEE
"D"
It
~
I'
~
~
~
~
~
~
~
~
.,
~
~
~
~
~
..
"
~
~
~
i:
.s-
~
~
!;;'
:::::
~
~
~
~
~
~
~
..,
':"'
-::-
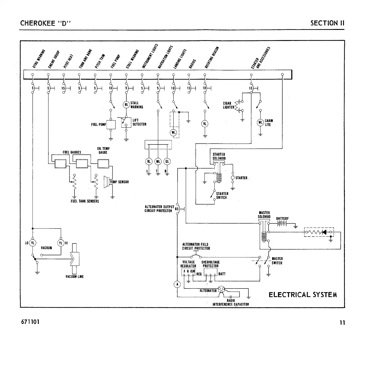
FUEL
TANK
SENDERS
671101
~
~
~
~
~
.::;:
~
~
.::;:
~
~
.::;:
~
;:::
~
~
p
It
~
~
{:;-
~
~
~
"
ALTERNATER
OUTPUT
GD
CIRCUIT
PROTECTOR
<!§
~
~
ALTERNATOR
FIELD
CIRCUIT
PROTECTOR
RADIO
INTERFERENCE
CAPACITOR
SECTION
II
I
CABIN
lUTE
MASTER
SOLENOID
r--------,
d;±.O---------i:-0-'\
. :
"-------r
ELECTRICAL
SYSTEM
11

Related product manuals